Часы для начинающих с лампами ИН-14 (“Элиза”)
Часы собраны по мотивам предыдущих схемотехнических решений.
Напряжение питания – 5 В (220 мА).
Газоразрядные лампы – ИН14.
Микроконтроллер – PIC16F628A.
Отображение температуры с 30 по 35 сек.
Будильник с мелодией «Людвиг ван Бетховен – К Элизе».
Проект устарел и не поддерживается.
Новая версия проекта”История любви ИН-14″.
Из схемы можно удалить часть деталей – часы будут работать:
– батарейку CR2032, 1N5817 + 1N4148 (сохранение хода при обесточке);
– термодатчик DS18B20 и резистор 4К7 (температура);
– звуковой чип UM66T19 и звуковой излучатель PKM13EPYH4000;
– одну из кнопок (уменьшить или увеличить);
– конденсатор по питанию 100 мкФ;
– индикатор-разделитель часов и минут, сопротивление 470К, нижнюю по схеме оптопару TLP627.
В урезанном виде схема будет выглядеть так:
Реализован метод борьбы с отравлением катодов ламп (или антиотравление).
Перед сменой минут происходит быстрый перебор всех цифр во всех лампах.
Управление часами тремя кнопками – «увеличить», «уменьшить» и «ок» (выбор режима).
Нажатием на кнопку “ок” перебираются следующие режимы:
– настройка часов текущего времени (ЧЧ _ _);
– настройка минут текущего времени (_ _ ММ);
– настройка часов будильника (ЧЧ._ _);
– настройка минут будильника (_ _.ММ);
– настройка текущего дня недели от 1 до 7 (0 _ _ 1);
– срабатывание будильника в понедельник (1 _ _ 1);
– срабатывание будильника во вторник (2 _ _ 1);
– срабатывание будильника в среду (3 _ _ 1);
– срабатывание будильника в четверг (4 _ _ 1);
– срабатывание будильника в пятницу (5 _ _ 1);
– срабатывание будильника в субботу (6 _ _ 0);
– срабатывание будильника в воскресенье (7 _ _ 0);
– яркость свечения ламп от 0 до 20 (8 _ 05);
– почасовой сигнал с 9:00 до 21:00 (9 _ _ 1).
Есть автоматический выход из настроек после ~15 сек бездействия.
В будущем можно сделать прошивку (и плату) с отображением только температуры.
Также на эту платформу можно сделать и другие лампы. Следите за обновлениями.
Конструкция собрана на двух односторонних платах с компонентами для монтажа в отверстия (проект делал для сына, начинающего школьника). Платы индикации и управления соединяются через штыревые разъемы и гнезда.
Перечень компонентов:
Наименование | Кол-во | Примечание, замены |
ИН-14 | 4 | |
ИН-3 | 1 | NE-2 |
К155ИД1 | 1 | |
PIC16F628A | 1 | |
SCS-18 | 1 | DS1009-18AN, DIP панель 18 контактов узкая |
TLP627 | 5 | |
IRF840 | 1 | IRF740, IRF830, STP5N52K3, STF7N52K3… |
BC558 | 1 | КТ3107 – зеркальная распиновка! |
1N4148 | 2 | КД522 |
BYV26C | 1 | SF18 |
1N5817 | 1 | 1N5819 |
32768 Гц | 1 | часовой кварц DT-38Tили компактнее DT-26 |
15 пФ | 2 | К10-17 |
100 мкФ х 16В | 1 | К50-35, размер не более D5 х L11 |
4,7 мкФ х 350В | 1 | К50-35, размер не более D10 х L13 |
470 мкГн | 1 | RLB0914,1000 мкГн |
470 Ом | 1 | С2-23 (MF-25) |
4,7 кОм | 3 | С2-23 (MF-25) |
470 кОм | 1 | С2-23 (MF-25) |
PBS-10 | 2 | PBS-40 (1 шт) |
PLS-10 | 2 | PLS-40 (1 шт) |
tc-0206 | 3 | угловая кнопка |
K375A | 1 | DJK-02A, разъем питания |
BH20D76 | 1 | CH224-2032, держатель 2032 |
CR2032 | 1 | батарея таблетка 3В |
DS18B20 | 1 | термодатчик |
UM66T19 | 1 | звуковой чип, разные мелодии в чипах UM66T** |
PKM13EPYH4000 | 1 | пьезоизлучатель, HPM14A и пр. пьезо- |
Блок питания 5В | 1 | зарядка для мобильного на 5В – 500 мА |
Расстояние между соединенными платами – 11 мм. Монтируйте компоненты на высоту до 10 мм
Отдельное внимание уделите размерам полярных конденсаторов. Для «стройного» монтажа индикаторных ламп между выводами ИН-14 воткните две зубочистки
Гребенка штырей на плате индикаторов монтируется со стороны дорожек (паяем штыри, затем сдвигаем пластиковую «обойму» к плате). Плату и место монтажа кварца отмыть растворителем, продуть и просушить. Перед включением осмотреть на просвет на предмет волосковых замыканий и непропаев. Убедиться, что плата с лампами со стороны пайки не коротит с компонентами платы управления.
Фото часов в корпусах
Проект устарел и не поддерживается.
Новая версия проекта”История любви ИН-14″.
Проверка работы часов
Соберите обе платы в единую конструкцию. Платы симметричные, их можно соединить неправильно, поэтому проследите за маркировкой контактов.
Теперь можно включить часы. Если все в порядке, раздастся звуковой сигнал, на каждом из индикаторов последовательно пробегут все символы от «0» до «8», затем часы начнут работать, а неоновый индикатор будет мигать каждую секунду. Раз в минуту происходит перебор всех знаков в каждом индикаторе. Это сделано не только для эффектности работы, таким образом решается проблема деградации при длительном горении одних и тех же сегментов лампы.
Если какая-то лампа не светится, слегка покачайте ее в плате (напоминаю, что мы пока не припаяли контакты ламп). Если это не поможет, выключите питание и поменяйте лампы местами, затем включите питание снова. Если и другая лампа на этой же позиции не будет работать нормально, отключайте питание и проверяйте правильность монтажа и пайки. В случае, когда какая-то одна лампа не горит при перестановке в любую позицию – вероятно, проблема заключается в лампе. Хотя каждая лампа проверяется при комплектации, она могла повредиться при доставке или при неаккуратном монтаже (например, в случае чрезмерного нажима при установке в плату). Заменить отдельно лампы в рамках гарантии Мастер Кит пока нельзя, но эта беда легко поправима: ламп ИН-4 было выпущено в СССР так много, что их и сейчас легко найти на барахолках по всей России, цена обычно не превышает 200 рублей.
![]() |
| Рис. 8. Часы в работе. |
Обзор режимов работы часов
Теперь разберем режимы работы часов. Все управление осуществляется тремя кнопками: «меньше», «больше» и «функция/ввод» (центральная кнопка). С помощью центральной кнопки «функция» происходит перебор режимов, а с помощью двух боковых кнопок производится смена значений в ту или иную сторону. Если остаться в каком-либо режиме и не нажимать никакие кнопки, то в течение примерно 15 секунд часы автоматически выйдут из режима настройки.
Список режимов:
- настройка часов текущего времени (ЧЧ _ _);
- настройка минут текущего времени (_ _ ММ);
- настройка часов будильника (ЧЧ _ _);
- настройка минут будильника (_ _ ММ);
- настройка текущего дня недели от 1 до 7 (крайняя левая лампа индицирует номер режима – 0, кнопками выбирается значение от 1 до 7);
- срабатывание будильника в определенный день недели (режимы последовательно 1-7, значение в каждом режиме «0» – будильник выключен или «1» – будильник активен);
- яркость свечения ламп от 0 до 20 (режим 8, значение от 0 до 20). Эта настройка меняет напряжение, подаваемое на лампы. На практике выбирайте такое значение яркости, при котором обеспечивается стабильное зажигание всех сегментов ламповых индикаторов и не наблюдается эффекта засветки соседних сегментов;
- почасовой сигнал с 9:00 до 21:00 (режим 9, значение «0» – выключен или «1» – включен).
Проверка комплекта поставки
Сначала проверьте комплект поставки (см. Рис. 2. и перечень компонентов из инструкции пользователя). Внимательно проверьте лампы на отсутствие видимых повреждений. Лампы, конечно, не новые, так как их выпуск давно прекращен. Но, как показывает практика, при длительном хранении лампы никак не деградируют. В данном комплекте все четыре лампы выпущены в августе 1979 года. Это наводит на мысль, что с большой вероятностью эти лампы с хранения, они не были в эксплуатации.
Резисторы маркируются не явно, а цветными полосами. Это сделано не для того, чтобы усложнить вам жизнь: дело в том, что на производстве монтаж плат осуществляют автоматы, и кодовая цветовая маркировка удобнее для систем машинного зрения. Расшифровать номинал резистора помогут таблицы из справочной литературы или сети Интернет, либо можно воспользоваться мультиметром, что гораздо удобнее.
В набор входят два керамических конденсатора емкостью 15 пФ, но на их корпусах нанесен код «150». Это не ошибка комплектации: первые две цифры кода – значащие, а третья – множитель (количество нулей), то есть код «150» как раз соответствует емкости 15 пФ. Если бы на конденсаторе был нанесен код «151», его емкость была бы 150 пФ.
![]() |
| Рис. 2. Комплект поставки. |
Идеи для доработки часов
Самым весомым недостатком ламповых часов является ограниченный ресурс работы ламп, который составляет несколько тысяч часов. Это значит, что при непрерывной работе лампы начнут деградировать уже через год, и их потребуется менять на новые. Поэтому желательно выключать часы, когда они не используются (например, когда дома никого нет или ночью). Но это не очень удобно, поэтому можно дополнить часы таймером, который будет выключать питание схемы в заранее заданные часы. Также можно приспособить датчик движения, выключающий лампы в случае отсутствия движения в комнате дольше нескольких минут. Благодаря батарее резервного питания CR2032 текущее время и другие настройки часов в случае отключения основного питания не сбросятся. Наборы и готовые модули для реализации этих идей Вы можете найти на сайте Мастер Кит.
Область применения в наше время
Сейчас газоразрядные индикаторы с цифрами промышленность уже не делает, но в свое время их наштамповали столько, что до сих пор они пылятся на складах и в частных запасах. Их можно уже назвать антиквариатом, ну как, например, во многих домах есть винтажные подсвечники, которые используются как декоративный элемент интерьера. Так и часы на газоразрядных лампах – завораживают своей подсветкой и являются отличным добавлением к интерьеру различных помещений, особенно обустроенных в стиле ретро.
Вещь красивая и полезная, но заводами, увы, уже не производится. Можно сделать их самому или купить готовые у людей, специализирующихся на их производстве. Разработано немало схем часов с применением газоразрядных индикаторов на старых и новых микросхемах. Рассмотрим наиболее простые варианты.
Монтаж платы ламп
Теперь приступите к монтажу платы ламп. Запаяйте две линейки штыревых разъемов. Припаяйте неоновый индикатор, полярность его установки не имеет значения. Сначала лучше припаяйте индикатор на всю длину выводов, при необходимости впоследствии их можно будет укоротить. Установите лампы в плату. Диаметр отверстий платы почти идентичен диаметру выводов ламп, поэтому лампы устанавливаются в плату плотно. Не применяйте чрезмерных усилий при установке ламп, так как это может привести к их повреждению! До проверки работы схемы не припаивайте лампы: электрический контакт обеспечивается за счет металлизированных отверстий и плотной посадки в плату.
После проверки работы схемы (см. ниже) лампы можно припаять, но есть небольшая сложность. Дело в том, что лампы разрабатывались для установки в панели; выводы ламп облуживаются и паяются очень тяжело.
Некоторые мастера предлагают использовать кислоту. Можно попробовать раскрошить таблетку аспирина (ацетилсалициловой кислоты), внести порошок в зону вывода и припаять его. Только обязательно тщательно удалите остатки кислоты после окончания работы, иначе со временем кислота может разъесть плату, что приведет к потере работоспособности! Другой способ: механически зачистить выводы ламп до чистого металла и попробовать паять.
Есть и другое решение: каждый вывод лампы обматывается тонким гибким проводком, который и припаивается к плате в одной точке.
Можно вообще ничего не делать: как показывает практика, электрический контакт обеспечивается за счет плотной посадки ламп в плату. Только выровняйте лампы по высоте и углу наклона и зафиксируйте их несколькими каплями клея.
![]() |
| Рис. 6. Плата ламп в сборе. |
Блок питания схемы
Электронная схема часов не содержит стабилизатор напряжения, поэтому блок питания должен выдавать стабильное напряжение 5 В с точностью не хуже 5% (4.75…5.25 В), в противном случае часы могут выйти из строя!
Некоторые некачественные блоки питания могут выдавать вместо заявленных 5 В что угодно, поэтому проверьте значения напряжения мультиметром. Особых требований к мощности адаптера нет: часы потребляют ток не более 200 мА, а сейчас сложно найти адаптер, который не обеспечил бы такой небольшой ток. С другой стороны, часы не возьмут ток больше, чем им требуется, поэтому можно использовать сколь угодно мощный адаптер.
В качестве блока питания удобно использовать сетевой адаптер питания для мобильных телефонов с USB-выходом: он наверняка есть в каждом доме, либо его легко можно приобрести. Кабелем можно служить ненужный или вышедший из строя стандартный microUSB кабель, от него необходимо отрезать microUSB разъем и припаять два провода к входящему в комплект набора разъему питания. Как правило, это провода красного («плюс») и черного цветов, но лучше уточнить это мультиметром. «Плюс» питания должен подаваться на центральный контакт разъема.
![]() |
| Рис. 7. Распайка разъема питания. |
Прошивка микроконтроллера
Программное обеспечение для часов из газоразрядных индикаторных ламп написано на Eclipse, без искажений транслируется в AVR Studio, коды с комментариями, что значительно упрощает процесс.
Положение выставляемых фьюзов
В результате прошивки устанавливаются определенные режимы и процесс управления ими. При кратковременном нажатии кнопки «MENU» по кругу отображаются режимы:
- режим №1 – времени (отображается постоянно);
- режим №2 – 2 мин. время, 10 сек. дата;
- режим №3 – 2 мин. время, 10 сек. температура;
- режим №4 – 2 мин. время, 10 сек. дата и 10 сек. температура;
- режим настройки времени и даты устанавливается удержанием кнопки «MENU»;
- кратковременное нажатие на кнопку «UP» (2 сек.) отображает дату, удержание этой кнопки отключает или включает подсветку;
- кратковременное нажатие «DOWN» (2 сек.) отображает температуру;
- понижение яркости почасовой программой с 00.00 часов до 7 утра.
Этапы сборки часов
Для начала надо понять принцип работы индикаторных элементов ИН-14, практически это неоновые лампочки с группой катодов в виде цифр. В зависимости от подачи питания светится тот или иной катод поочередно, применяется принцип лампы накаливания с газоразрядным процессом.
Конструкция и основные параметры газоразрядного индикатора ИН-14
Ресурс работы таких индикаторов огромный, потому что нет длительной и большой нагрузки на один катод. Для полноценной подсветки необходимо напряжение не менее 100 В, поэтому начнем проектирование с источника питания.
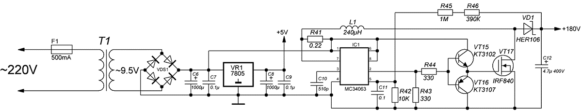
Блок питания
Вариант с трансформатором, на вторичной обмотке которого будет 170 или 180 В, исключаем сразу по причине больших габаритов и веса. Подбирать железо, провода и мотать самостоятельно – дело неблагодарное и утомительное. Практичнее применить преобразователь напряжения на микросхеме MC34063, имеющий малые габариты, вес и стабильные параметры.
Схема блока питания на базе преобразователя напряжения MC34063
Все элементы монтируются на печатную плату, после сборки в большинстве случаев настройки не требуется, с 10–12 В преобразователь дает 175–180 В. Как видно, трансформатор в схеме присутствует, но очень маленький и легкодоступный для быстрого самостоятельного изготовления, такой можно купить в торговых сетях. На выходе вторичной обмотки 9–12 В переменного тока приходят на диодный мост (выпрямитель). Линейный стабилизатор LM7805 предназначен для питания электронных элементов часов.
Схема для включения ламп
Эта схема решает проблему согласования управляющего напряжения на микросхеме 5 В и управляемого напряжения питания анодов. Положительный потенциал 180 В подается на анод, а отрицательный – на катоды соответствующих цифр.
Схема управления подключением анодов лампы
Включение катодов производится схемой на базе старой микросхемы К155ИД1, которая запитывается от напряжения 5 В, что в нашем случае очень удачно. Микросхемы 155-й серии сняты с производства, но не являются дефицитом, их легко можно купить в торговых сетях и на радиорынках. Чтобы не паять микросхему к каждой лампе, схема управления катодами делается по динамическому принципу.
Схема с элементами управления анодами и катодами ламп
Теперь блок питания, схему управления катодами и анодами надо подключить к процессору часов DS1307, для согласования идеально подходит микроконтроллер Mega8.
Корпус для часов на ИВ-11
Корпус для часов я решил сделать из дерева, мне кажется, пластиковый корпус смотрелся бы скучно и не интересно. Для начала я выпилил из сосновой доски прямоугольный брусок, в котором просверлил 4 сквозных отверстия под индикаторы ИВ-11, с помощью перового сверла. Далее с нижней стороны вырезал полость, просверлил много отверстий и удалил лишнюю древесину тонкогубцами. Затем с помощью той же дрели и специальной насадки шлифовал внутреннюю поверхность полости. По внутренним углам оставил выступы, чтобы в дальнейшем закрепить плату.
Далее по центру были просверлены отверстия под светодиод разделитель и фоторезистор, на задней стенке отверстия под разъем питания, зуммер и кнопки. Следующая стадия это скругление углов и шлифовка наружной поверхности наждачной бумагой. В результате получается готовый деревянный корпус.


Оставлять корпус в таком виде нежелательно, нужно чем-то обработать древесину. В общем, решил пропитать корпус льняным маслом. Оно экологически чистое и безвредное, дерево пропитанное маслом становится водостойким, не высыхает и не растрескивается, улучшаются эстетические характеристики.
Я купил нерафинированное льняное масло в аптеке, но лучше использовать специальное рафинированное, которое используется художниками, можно купить в канцелярских товарах, оно более светлое. Льняное масло может очень долго сохнуть (полимеризация) после пропитки, поэтому его лучше прокипятить. Греть нужно до появления легкого дымка и постоянно контролировать процесс, затем выключить плитку и подождать пока дым не исчезнет. Нужно проделать эту процедуру несколько раз. При этом выделяется сильный запах рыбьего жира, скорее всего из-за того что масло нерафинированное, но это не точно. Сильно греть не стоит, так как масло может загореться, нужно быть осторожным.
По идее, пропитывать дерево нужно тонкими слоями с помощью кисточки или тканью, и так несколько раз, пока масло не перестанет впитываться. Я подумал, что это будет слишком долго и решил просто погрузить корпус в горячее масло. При этом из дерева выделяются пузырьки воздуха. Я продержал корпус около часа, время от времени нагревал масло для ускорения процесса. В итоге корпус стал тонуть в масле, пузырьки больше не выделялись.
Через сутки корпус для часов на ИВ-11 практически высох, и приобрел темный неравномерный оттенок, более отчетливо проявилась текстура дерева. Также уменьшился общий размер корпуса, примерно на 1мм.

У меня не было опыта в пропитке дерева, я пока не знаю всех нюансов данного процесса. Но думаю, что получилось неплохо для первого раза. Итак, корпус готов, осталось собрать все воедино.
Сборка не составляет труда, остается вставить часы в корпус и закрыть снизу текстолитовой крышкой на 4 шурупа, вот и все готово.
Описание проекта
Решил я сделать максимально простой и доступный проект часов на газоразрядных индикаторах и Arduino! Односторонняя плата, выводные компоненты, никакой жести!
Платы:
- Габариты платы меньше 100х100мм, то есть заказать 10 таких плат у китайцев будет стоить $2 без учёта доставки
- Плата односторонняя, её без проблем можно сделать классическим ЛУТом!
- Все компоненты – выводные, припаяет даже новичок
- Количество компонентов сведено к минимуму!
- На данный момент в проекте есть платы под индикаторы ИН-12 и ИН-14, возможно будут сделаны и другие
- Система состоит из двух плат: нижней (вся управляющая электроника) и верхней (лампы и светодиоды подсветки)
- Нижних плат два варианта: обычная (4 оптопары, точка – светодиод) и с дополнительной оптопарой под неоновую точку (5 оптопар, точка – неонка)
- У плат ИН-14, ИН-12, ИН-12_перевертыш нижняя часть одинаковая! Части плат взаимозаменяемы. Нижняя плата отличается только у ИН-14_неон
Хардварные фишки:
- Сердце платы – полноразмерная Arduino NANO, это означает простую сборку и прошивку
- Питание всей схемы – 5 Вольт
- Генератор высокого напряжения раскачивается ШИМ каналом Arduino
- Напряжение генератора подстраивается резистором с крутилкой
- Время задаёт RTC DS3231
- 3 кнопки для настройки времени и будильника
- Пищалка для будильника
- Подсветка ламп индикаторов
Софтварные фишки:
- “Перебор” цифр, не дающий индикаторам окисляться
- Режим будильника
- Плавное изменение яркости точки и подсветки (эффект “дыхания”)
- Настройка яркости цифр, “точки” и подсветки ламп
- Разные режимы переключения индикаторов
- Плавное угасание/разгарание
- Перебор цифр
- Перебор катодов
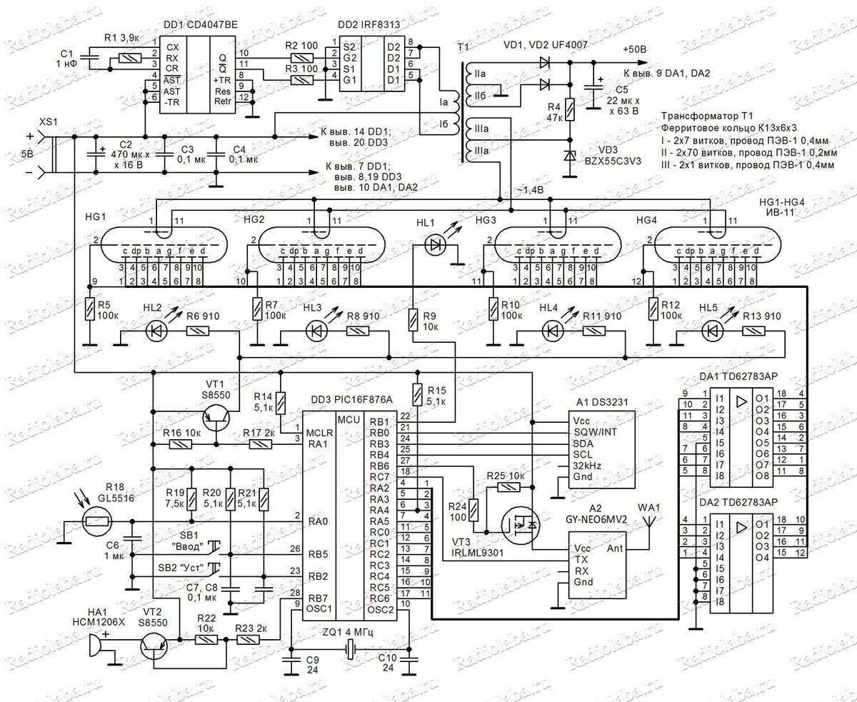
Часы на ИВ-11 схема
Ниже представлена схема ламповых часов на вакуумно-люминесцентных индикаторах ИВ-11:

Для питания индикаторов я собрал высокочастотный двухтактный импульсный преобразователь на специализированной микросхеме CD4047В (DD1), микросхема управляет сборкой полевых транзисторов DD2, которые коммутируют импульсный трансформатор T1. Трансформатор намотан на ферритовом кольце, диаметром 13мм, сечение 6 на 3 мм. Все обмотки имеют отвод от середины, первичная обмотка содержит 14 витков, вторичная для накала 2 витка, проводом 0,4мм. Вторичная анодная обмотка 140 витков, проводом 0,2мм. Намотка не составляет труда при использовании специального челнока. Частота генератора составляет 50 кГц. Полное напряжение накала составило 1,42В по осциллографу, анодное напряжение относительно среднего вывода около 50В.
Чтобы исключить свечение сегментов при отсутствии управляющего напряжения, нужно подать на сетку отрицательное смещение относительно катода. Это можно реализовать положительным смещением напряжения накала относительно общего провода. Для этой цели в схеме установлен стабилитрон VD3 подколоченный к среднему выводу обмотки накала, на катод стабилитрона через резистор подается анодное напряжение, для получения смещения.
Для коммутации анодов сегментов и сетки я использовал специализированные высоковольтные драйвера TD62783AP (DA1, DA2), максимальное коммутируемое напряжение 50В.
Вообще часто встречается другая схема управления, на катод подают отрицательное смещение равное анодному напряжению, аноды сегменты и сетки при этом коммутируют с помощью биполярных pnp транзисторов на общий провод. Я не захотел паять кучу транзисторов, и усложнять печатную плату, поэтому применил драйвера, о чем говорил выше.

В качестве управляющего микроконтроллера DD3 был выбран PIC16F876A, так как потребовалось много линий для подключения всех компонентов. Программа написана на ассемблере.
В качестве часов реального времени используется популярный модуль DS3231, в котором нужно выпаять резистор, подающий внешнее питание на батарейку, а также светодиод, можно и микросхему памяти выпаять.
Для возможности синхронизации времени я использовал GPS модуль u-blox NEO-6mv2, на сайте уже была статья, посвященная этому модулю. С помощью транзистора VT3 микроконтроллер управляет питанием GPS модуля. Для установки связи с микроконтроллером, модуль должен иметь следующие настройки порта: скорость передачи 9600 бит в сек, 8 бит данных, 1 стоповый бит. По умолчанию модуль обычно поставляется именно с такими настройками, если это не так, нужно изменить параметры порта через специальную программу u-center, подключив модуль к компьютеру через USB-UART переходник.
Я дополнительно добавил в схему часов на ИВ-11 фоторезистор R14, и реализовал в программе микроконтроллера автоматическую регулировку яркости свечения индикаторов, в зависимости от освещения
Яркость регулируется путем изменения скважности
Светодиод HL1 является разделителем часов и минут, он мигает во время отображения времени, светодиоды HL2-HL5 установлены для подсветки индикаторов. Зуммер для сигнала будильника имеет встроенный генератор, обычный зуммер не будет издавать звука. Из-за нехватки выводов микроконтроллера, пришлось оставить только две кнопки для настройки часов.
Часы смонтированы на двух односторонних печатных платах, индикаторы, фоторезистор и светодиоды располагаются на отдельной плате, которая при помощи разъемов вставляется в основную плату.
Драйверы DA1, DA2 можно заменить на KID65783AP, UDN2981A- UDN2984A, M54563P. Полевой транзистор VT3 можно заменить на IRLML2244, IRLML6402 и др., сборку полевых транзисторов DD2 на IRF7311, IRF7341, IRF7351, диоды VD1, VD2 на HER107- HER108, STTH110.









































