Что можно настроить
Правильная настройка датчика движения на улице или в доме, поможет снизить траты энергии до 50–70 %. Пользователь может отрегулировать чувствительность, задержку, освещенность и угол работы. На самом приборе устанавливаются первые три параметра.
Некоторые могут не обнаружить на своем датчике один из переключателей. Это говорит об использовании устаревшей модели. На таких обычно регулируется задержка и один из двух параметров — либо чувствительность сенсора, либо освещенность.
Время задержки
Этот аспект означает, сколько будет гореть свет после того, как датчик движения для включения сработает. Настройка датчика по этому параметру происходит с учетом индивидуальных потребностей пользователя. На приборе он обычно обозначен словом «TIME». В большинстве моделей можно установить время от 5 секунд до 10 минут. Опытные пользователи считают, что оптимальное время — 1 минута.
Установить время задержки максимально просто. Нужно повернуть регулятор в нужное положение. Когда пользователь установил время, при первом срабатывании датчика возможно не точное соблюдение выбранного параметра, но со второго запуска уже все будет работать как надо.
При первой регулировке нового датчика движения, рекомендуется устанавливать этот параметр на минимум, чтобы долго не ждать во время проверки.
Чувствительность
Чувствительность на приборе обозначена словом «SENS». Низкая обозначается словом low или min, высокая — high, max или +. Этот параметр особенно важный для владельцев домашних животных. Настройка чувствительности считается одной из самых сложных, потому что нужно найти то значение, когда датчик движения на прожекторе или другом приборе не будет реагировать на мелкие объекты, но не пропустит человека. При неправильной настройке есть высокая вероятность ложных срабатываний.
Три регулятора:
Для начала рекомендуется выставить показатель на максимум и протестировать корректность работы. Затем нужно будет дойти до корректного значения, постепенно уменьшая чувствительность.
Не стоит забывать, что если в доме есть большая собака, настроить датчик так, чтобы он на нее не реагировал, не получится. Единственный выход в этом случае — установка датчика движения для включения света там, где в его радиус действия не будет попадать животное.
Освещенность
Регулятором «LUX» можно настроить, при каком освещении будет срабатывать сенсор. Это нужно, чтобы свет не включался в дневное время. Во-первых, это лишняя трата электроэнергии. Во-вторых, не практично.
Если увеличить регулятор на максимум, то датчик будет срабатывать только в темное время суток. Именно так лучше сделать при первой настройке, а затем постепенно менять параметр срабатывания сенсора. Оптимально включать освещенность, когда солнце село и начинает уже темнеть, но пока еще человеческий глаз видит, что находится вокруг.
На старых моделях устройств, регулятор «LUX» может отсутствовать. В этом случае оптимизировать работу поможет дополнительный датчик освещенности. Его нужно будет настроить по такому же принципу. Поэтому процесс того, как настроить датчик движения с двумя регуляторами, может быть проблематичней, чем настройка с тремя.
2 варианта установки датчика
Классическая схема подключения устройства, контролируемого движения, и светильника очень проста. ДД работает как клавишный выключатель и для осуществления функций ему требуется питание.
На фото: варианты подключения устройства
Существуют различные варианты монтажа, отличающиеся между собой расположением кабелей:
- К ДД приходит кабель питания и выходит на осветительный прибор.
- Кабель от ДД уходит в монтажную коробку, соединяясь в ней с силовым кабелем и светильником.
На фото: подключение с использованием магнитного контактора.
Если мощность светильника большая и подключение ДД выполнено через распределительную коробку, то управление повышенной нагрузкой берет на себя магнитный контактор.
Подходящий вариант выбирается индивидуально, учитывая возможности на покупку кабельной продукции. Дополнением к классической схеме является клавишный выключатель для независимого включения освещения, этот процесс регламентируется п.6.5.7 ПУЭ.
Пример соединения кабелей
На рисунке фаза L в монтажной коробке присоединяется в точке 1 с кабелем А. Потом подключается с нижним контактом выключателя и кабель А через верхний контакт возвращается опять в монтажную коробку, где в точке 2 соединяется с жилой В. Затем провод идет на клеммы ДД, возвращается опять в коробку и в точке 3 присоединяется с жилой С, ведущей к контакту лампы. Нулевая жила N, проходя через коробку, выходит из точки 4 на клеммы датчика и осветительный прибор.
Разновидности устройств и принцип работы
Существует несколько видов (ДД), отличных по принципу действия, а также месту монтажа и эксплуатации. Оборудование, предназначенное для установки снаружи домов, должно иметь степень защиты корпуса не менее IP 55, а для помещений – IP 22 и выше. Теперь рассмотрим различия этих устройств.
Существует несколько видов ДД управления светом
По типу питания
Для нормальной работы сенсорного оборудования требуется питание. По его типу различают следующие устройства:
- проводные. Запитка ДД осуществляется от бытовой сети 220 В;
- автономные. Для питания датчиков используются источники постоянного тока.
Самая большая группа, представленная на рынке – ДД проводного типа с подключением к сети с напряжением 220 В. Хотя автономных моделей меньше, но и они имеются в достаточном ассортименте. Такие устройства являются хорошим вариантом для включения освещения, которое работает от источников постоянного тока.
Датчик проводного типаАвтономная конструкция
По способу определения движения
Помимо типа питания, ДД различаются по принципу определения движущихся объектов. Итак, устройства для детекции используют:
- ультразвук;
- акустику;
- микроволны;
- инфракрасные лучи;
- комбинированные способы.
Датчики различают по способу определения движения
Ультразвук и акустика
Ультразвуковые (УЗ) датчики работают по принципу отражению волн от поверхности различных предметов. Устройство генерирует ультразвуковые волны, которые после отражения от преграды улавливаются специальным приёмником. Когда в зоне действия датчиков оказывается движущийся объект, волны, наталкиваясь на него, меняют свою частоту, что и фиксируется сенсором.
Принцип действия УЗ датчика движения
Акустические ДД могут реагировать на хлопки, звуки закрываемой или открываемой двери и т.п. Устройства, в основном, используются в подвальных помещениях, где срабатывание прибора происходит после того, как туда кто-нибудь входит. В других местах их использование нецелесообразно.
Акустические устройства могут срабатывать от хлопка или громкого разговора
Микроволновые и ИК-датчики
Микроволновые ДД относятся к активным устройствам и работают по принципу радиолокатора. Датчик посылает высокочастотный сигнал и принимает его отражение. Любые изменения в возвращенном сигнале приводят к срабатыванию датчика и включению света. Считается, что микроволновые устройства намного чувствительнее ультразвуковых приборов.
Принцип действия микроволновых ДД
Инфракрасные ДД относятся к пассивной группе устройств. Датчик мониторит окружающую среду, и, если в поле действия сенсоров попадают объекты с температурой выше заданной, то происходит срабатывание устройства, и включается свет. Инфракрасные датчики, как правило, устанавливают внутри помещения, настраивая их таким образом, чтобы они не реагировали на домашних животных.
Устройство и принцип определения движения ИК сенсором
Комбинированные
Комбинированные или дуальные датчики включают в себя несколько типов сенсоров. Они отличаются большей надёжностью, точностью и меньшим количеством ложных срабатываний. Единственный недостаток таких устройств – высокая стоимость. На рынке в основном представлены модели с ультразвуковыми и ИК сенсорами.
Комбинированный датчик
Для включения света в доме или на улице чаще всего используются ИК датчики движения, которые отличаются низкой стоимостью, широким диапазоном настроек и большим радиусом обнаружения. В длинных коридорах и на лестницах лучше устанавливать микроволновые или УЗ устройства в качестве проходных выключателей.
Основные функции и принцип работы
Датчик движения предназначен для детектирования движущегося объекта и подачи соответствующего сигнала на контрольный орган через коммутацию электрической цепи. Работает с активной и с активно-индуктивной нагрузкой в цепи.
Если замечено в контролируемой зоне движение, запускается цепочка процесса определения освещенности (если данную функцию поддерживает датчик). При показаниях ниже установленного порога срабатывания, контакты замыкаются, ток подводится до лампы и светильник загорается.
По этому принципу сенсор готов работать в темное и светлое время суток. Порог срабатывания выставляется регуляторами в диапазоне 3-2000 Лк.
Но датчик движения может работать по другому принципу: улавливание электромагнитных колебаний волн в инфракрасном спектре. При этом часто у датчиков есть регулируемая задержка на включение при обнаружении движения
Режим выдержки выставляется с помощью поворота регулятора. При этом задержка на срабатывание может быть у всех разной: от 10 секунд до 15 минут.
При этом покупать готовое изделие в виде светильника с датчиком не нужно. Достаточно приобрести подходящий на эту роль сенсор и включить его в схему электрической цепи.
Как работает ДД — принцип работы. 3 вида датчиков.
В определенных материалах кристаллической породы, если изменить температуру, возникает пиростатический эффект.
После подключения проводов к датчику можно надеть крышку и переходить к подключению проводов к распределительной коробке. Величина освещенности Данный параметр должен быть настроен на то время суток, когда естественного освещения не хватает для нормального обозрения окружающего пространства.
Подобная схема датчика движения должна быть указана в инструкции. Датчик движения подает сигналы в блок управления.
Проверяем собранную схему в работе. Таким образом, сам геркон устанавливается на дверной проем, а магнит вешается на дверь. Подключение датчика с выключателем Для того чтобы источником освещения можно было управлять как через автомат так и вручную к схеме добавляется выключатель.
Типовая схема детектора движения
Теперь я просто нажимаю на выключатель, и лампа горит независимо от датчика. Провод МГТФ используется для подключения датчика фторопластовая изоляция. Если количество линз увеличить еще больше — до нескольких сотен — то получится датчик присутствия, чувствительный к незначительному движению.
Замыкание контактов и включение осветительных ламп происходит при изменении инфракрасного, электромагнитного или ультразвукового фона в районе действия приборов. Подключение ИК датчика движения с системой сигнализации На клеммы питания подаётся питающее напряжение от блока питания или прибора охранной GSM сигнализации. Необходимо выбрать самое подходящее место для расположения корпуса датчика таким образом, чтобы не было мертвых зон места, которые датчик не охватывает своим действием.
Области применения датчиков движения:
IP44 — не слишком отличается от IP41, но позволяет использовать прибор даже на улице. Я настроил его на такой промежуток времени, чтобы пройти пешком от калитки ворот до дверей дома.
Электронная схема микроволнового датчика движения При необходимости можно уменьшить чувствительность, это тоже снизит количество ложных срабатываний. Для увеличения эффективности детектирования движения могут устанавливать сдвоенные, или счетвертненные сенсоры или несколько отдельных.
ДАТЧИК ДВИЖЕНИЯ.ПОДКЛЮЧЕНИЕ,НАСТРОЙКА,РАБОТА!!!
Схемы подключения датчика движения для освещения
Для использования в быту промышленность выпускает датчики присутствия в виде готовых блоков, благодаря чему всю работу по подключению несложно выполнить своими руками любому, кто не боится самостоятельно смонтировать розетку или выключатель.
Такие блоки обязательно комплектуются документацией — схемой подключения или несколькими ее вариантами, что не позволит даже неискушенному мастеру допустить ошибку при включении датчика в электрическую сеть.
В конструкции бытовых детекторов движения предусмотрена простая регулировка трех основных настроек при помощи отдельных шаговых или плавных регуляторов (ручек, рычажков или ползунков).
Требующиеся после подключения детектора параметры это:
- расстояние до точки срабатывания;
- длительность задержки сигнала (сколько времени сигнал будет длиться с момента срабатывания датчика);
- угол области захвата — регулируется ширина конусовидной области, в которой будет обнаружено присутствие или наличие объекта.
Для подключения к сети своими руками в бытовых датчиках предусмотрены три клеммных вывода — ноль, входной и выходной к лампе (или другому подключаемому прибору).
Благодаря наличию в конструкции бытовых детекторов регулятора длительности сигнала схема датчика движения для освещения может использоваться полностью самостоятельно, без дополнительных электровыключателей. Однако на практике чаще встречается их совместное использование. Различаются три основных способа подключения детекторов присутствия к электрической сети:
- Схема без использования дополнительных выключателей. В такой схеме работа освещения зависима исключительно от настроек детектора. Преимущественно такой вариант используется для наружного освещения на придомовой территории. Обычно в таких детекторах должна быть функция отключения на дневное время, чтобы предотвратить срабатывание при дневном свете;
- Схема с выключателем, который независимо от датчика может включить свет. При данном варианте есть возможность вручную включить освещение, когда нет срабатывания датчика — это удобно для помещений, где человек находится длительное время или часто выходит и возвращается. Для реализации лампа просто дополнительно подключается в обход детектора через обычный электрический выключатель;
- Схема с выключателем, выключающим свет независимо от срабатывания датчика. Такой вариант удобен для предотвращения срабатывания детектора и включения освещения, когда это не нужно. Например, в спальной ночью, когда нежелательно, чтобы вставший в уборную муж включил яркое верхнее освещение на радость спящей жене.
Подключение двухпроводного датчика движения
Обычно такие приборы устанавливают на место включателя, для чего требуется стандартный подрозетник. При этом сам датчик врезается в фазный провод, который постоянно находится под напряжением. Точь-в-точь, как выключатель. То есть прибор, отслеживающий движение, будет находиться между лампочкой и автоматом на 220 вольт.
Сразу оговоримся, что устанавливать такую схему надо отдельно от общей осветительной сети. Вот почему в комплектацию прибора надо добавить распредкоробку и автомат. Последний устанавливается в распределительном щите. От него же в сторону места установки датчика проводится электрический контур из трёхжильного кабеля сечением 3х1,5 мм. А вот до места монтажа датчика надо протянуть двухжильный кабель 2х1,5 мм.
Высота монтажа датчика – 1,2-2 м Источник stroy-podskazka.ru
Сам прибор нужно установить на стену на высоте 1,2-2,0 м
Обратите внимание на тот факт, что этот вариант отличается от тех, которые устанавливаются при входе в подъезд или проходных коридорах. Последние подвешиваются по самый потолок
И подключаются они по-другому. И ещё один момент – место монтажа должно располагаться так, чтобы открывающиеся двери не смогли закрыть обзор
Это важно. Производители также не рекомендуют проводить монтаж над радиаторами отопления или другими нагревательными элементами
Итак, в распредкоробку должны войти сразу три кабеля:
- от автомата;
- от светильника;
- от датчика.
На светильник выводится трёхфазный кабель.
Теперь само подключение датчика движения, а точнее его схема. В первую очередь соединяются между собой нулевые жилы от автомата и светильника. Далее заземляющий контур этих же элементов, если таковой присутствует. Теперь силовые жилы:
- автомат-датчик;
- датчик-светильник.
Схема подключения двухпроводного датчика движения Источник dompokrov.ru Следующий этап – подключение датчика движения для освещения. Здесь проще простого, главное – внимательность. Ту жилу, которая соединяется с лампочкой, надо подключить к клемме, где лампочка и нарисована. На некоторых приборов стоит знак «нагрузки». Другую к клемме, обозначенной буквой «L». После чего подключённое изделие надо установить в подрозетник и закрыть декоративной планкой.
Остаётся только провести настройку датчика движения. Что для этого надо сделать. На лицевой панели есть три или четыре флажка:
- Первый из них надо установить в режим автоматики, то есть с указателем на букву «А».
- Второй флажок настраивает чувствительность на движение. К примеру, чтобы свет не включался в дневное время суток.
- Третий флажок задаёт время отключения. То есть, когда движение прекращается, светильник должен отключиться, к примеру, через 30 секунд.
В принципе, это все, что связано с подключением и настройкой. Каковы преимущества двухпроводного датчика движения:
- простота монтажа и настройки;
- есть возможность включать свет вручную;
- высокая универсальность изделия.
Что касается недостатков, то он единственный. Двухпроводные модели плохо работают со светодиодами и энергосберегающими лампочками. Они иногда очень сильно мерцают.
Правила настройки датчика движения Источник pp.userapi.com
Принцип работы
Функционирование автоматической осветительной системы обеспечивается специальным датчиком движения. Когда в его поле зрения происходит изменение объема помещения, возникает тепловое излучение или звук, производится подача сигнала на управляющий контур. Который и пускает ток к лампам, а также продолжает его поддерживать весь период срабатывания сенсора. Более «умные» варианты контроллера выполняют подобное действие и некоторое время после окончания подачи сигналов от датчика. Такая система предотвращает отключение освещения при временной неподвижности объектов в сенсорном поле или отсутствии сигналов, на которые реагирует детектор. В тех случаях, когда датчик движения долгое время не регистрирует наличие человека, производится разрыв питания ламп.
В наиболее простых системах управляющий контур монтируется прямо внутрь датчика, что накладывает определенные ограничения на количество подключаемых потребителей.
Существует еще один метод применения сигнализаторов движения — они используются в охранных системах. В таких случаях, их реакция на нахождение движущегося объекта приводит к включению сирены или иных устройств оповещения.
Регулировка параметров датчика
Не все сенсоры имеют полнофункциональную регулировку всех трех основных параметров, но методика настройки не зависит от числа регулировочных органов. Каждый параметр настраивается индивидуально.
- Пороговый уровень освещенности. Для настройки надо установить максимальную чувствительность фотореле и вечером дождаться уровня освещенности, при котором желательно включение освещения. Утром можно проконтролировать, при какой освещенности лампы выключатся.
Регулировка датчика движения состоит в подборе чувствительности. Можно установить регулировочный орган в состояние наименьшей сенситивности, попросить ассистента войти в контролируемую зону и остановиться на ее границе. Если детектор не сработал, надо увеличить чувствительность до выдачи сигнала, а после этого еще немного повернуть рукоятку в сторону увеличения. Это делается для того, чтобы детектор надежно срабатывал при появлении людей с различными антропологическими параметрами. Если детектор сработает сразу, то надо попробовать уменьшить чувствительность до пропадания сигнала, а затем также повернуть ручку в сторону срабатывания и немного дальше. Следует учитывать, что сенситивность сенсоров зависит от направления движения – вдоль контролируемой зоны или поперек (в направлении светильника).
- Время задержки можно поставить сначала на ноль или несколько секунд, и в процессе эксплуатации увеличивать до нужного значения. А можно сразу провести эксперимент с покиданием ассистентом контролируемой зоны и выставить приблизительное время отпускания.
Если у выбранного детектора нет какой-либо из регулировок, соответствующий пункт можно пропустить. Так, в недорогих моделях ИК-датчиков производства Legrand не предусматривается регулировка чувствительности (SENS). Настроить можно только порог освещенности и время отпускания. Регулировку SENS имеют лишь более продвинутые изделия.
| Детектор движения | Возможность настройки параметра | ||
| LUX | SENS | TIME | |
| Legrand PIR IP55 | x | – | x |
| Legrand потолочный 360 град | x | – | x |
| Legrand Mosaic | x | x | x |
| Legrand Valena (ультразвуковой) | x | x | x |
А детекторы производства Xiaomi имеют не только полный спектр настроек (программным способом), но и возможность задания сценариев, что существенно повышает комфортность использования приборов.
Страница задания сценария для сенсора Xiaomi.
Как отрегулировать «умное» освещение?
Для настройки прибора на эффективную работоспособность, — потребуются некоторые навыки, так как эта процедура считается важной. В этапы подключения входит: включение задержки отключения света, регулируется порог освещенности и устанавливается параметр чувствительности прибора
Работаем с задержкой отключения (TIME)
Благодаря этой функции, появляется возможность отрегулировать время, на протяжении которого будет работать включенное освещение с момента подачи сигнала на датчик. Каждая модель предусматривает различные параметры. Общий диапазон возможной настройки составляет от 1 до 500 секунд.
Также можно установить время срабатывания освещения с момента реакции приспособления на передвижение.
Датчик движения с регуляторами
Влияние уровня освещения (LUX): настройка
Необходимо установить оптимальные значения для работы прибора в тот момент, когда уровень освещения территории высокий, то есть, необходимо отрегулировать датчик движения для работы в дневное время.
Разместите регулятор так, чтобы на момент сумерек при малейшем движении, устройство срабатывало.
Настройка чувствительности прибора (SENS)
Для летнего и зимнего времени рекомендуется устанавливать различный предел чувствительности. Если приспособление слишком часто и ложно срабатывает попытайтесь уменьшить уровень «SENS». Разумеется, если аппарат не реагирует на ваше присутствие, придется увеличить чувствительность.
Обязательно полностью настройте контролируемую зону. Для этой цели нужно установить правильный наклон датчика движения для освещения.
Датчик движения: принцип работы
Перед тем как устанавливать датчик, нужно обязательно изучить, как он работает. Принцип работы прибора необходимо знать, чтобы правильно поместить его именно в том месте, где он действительно необходим.
В основе функционирования датчика лежит инфракрасное излучение, действие которого позволяет обнаруживать движущиеся объекты и реагировать на них. Инфракрасный спектр излучения дает возможность нормальной работы прибора даже в полной темноте. Принцип работы устройства очень простой. Все движения улавливаются инфракрасным датчиком. После этого происходит подача соответствующего сигнала на реле, с помощью которого электрический ток поступает к электрическим приборам. Светильники будут работать в течение всего времени, пока движение фиксируется инфракрасным излучателем.
При отсутствии движения с датчика сигнал вновь поступает на реле, но уже для того, чтобы отключить подачу электроэнергии. При желании, можно настроить определенный временной интервал на отключение. Таким образом, датчик и реле совместно исполняют роль автоматического выключателя, реагирующего на все движения, происходящие в области его действия.
В настоящее время применяются потолочные и стеновые датчики движения. Они различаются местом установки и диапазоном, в котором уверенно улавливаются все движения. Потолочные датчики обладают более широким диапазоном. Однако настенные приборы могут устанавливаться не только внутри помещения, но и снаружи. Как правило, именно они используются для устройства автоматического уличного освещения.
Распространенные неисправности датчиков движения и как их определить
Основными причинами, которые вызывают поломку датчиков движения считаются нарушение целостности электрической цепи, короткое замыкание, перенапряжение или залипание контактов
Поэтому, важно предотвратить все неблагоприятные факторы еще во время монтажа прибора. Несколько признаков, как определить, что датчик движения выходит из строя:
- неоднократно возникает ложное срабатывание устройства, при этом перенастройка регуляторов не помогает;
- датчик движения не работает или включается через раз;
- прибор не получает сигнал;
- нарушена целостность корпуса;
- наблюдается повреждение проводки.
Даже ряд других факторов приводит к поломке, которую иногда нельзя устранить, а приходится приобретать новое устройство.
Схемы сборки
Это можно использовать и в системах сигнализации. Один из вариантов — это использование специального термовыключателя, который будет отключать кофеварку. Это объясняется дешевыми комплектующими, простой схемой сборки, отсутствием дополнительных сложных настроек, широким температурным диапазоном работы. Схемы сборки Микроволновый Для контроля открытых пространств и контроля наличия объектов в нужной зоне, существует емкостное реле.
Схема 3. Все работы ведутся только после снятия общего напряжения В.
Видео 2. Провод МГТФ используется для подключения датчика фторопластовая изоляция.
Подключение проводов делаем следующим образом: провод фазы питающего кабеля подключаем вместе с фазным проводом от датчика коричневый и белый.
Если Вам нужно провести ремонт, то все индикаторы, разбираются очень быстро и в основном проблема заключается в контактах, просто зачистите их.
Датчик неплохо отрабатывает движения, однако если движения очень медленные — он может не срабатывать.
Транзистор VT1 является высокочастотным генератором и по совместительству радио приемником.
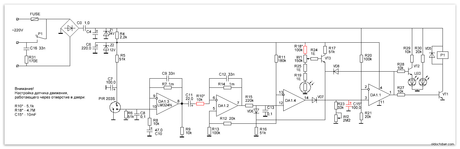
Датчики движения ДД 009 и ДД 008 Специализированная и нестандартная схема подключения
Статья по теме: как открыть электролабораторию до 1000v





































