Вообще что такое филамент?
Мы привыкли, что все современные светодиодные лампы, которые есть в продаже, устроены на SMD диодах. Первоначальные лампы на DIP диодах уже давно отжили своё, т.к. не эффективны — их уже трудно сыскать
Сейчас самые популярные в форме груши, свечи, шариков, таблетки gx53 — они все в основном идут на SMD диодах 2835, 5730, 5630 типа.
И даже есть уже лампы на COB диодах — это чипы с очень плотным монтажом для изготовления в основном миниатюрных ламп G4 и G9. А также MR16 и другие лампы направленного света. Груши на COB технологии изготавливать смысла большого нет, так как COB светодиоды имеют очень малый угол рассеивания — всего 120 градусов.
Поэтому на основе таких светодиодов делают источники света (лампы, светильники) именно направленного света, такие как прожекторы.
А если нужен рассеянный свет, то выходят из положения применением SMD диодов, размещая их на матрице в одной плоскости, которую прикрепляют к радиатору для теплоотвода. А свет рассеивается за счет матовой колбы.
Но так или иначе, в любом случае, угол рассеивания гораздо хуже чем у филаментных — где-то 180 градусов, а то и меньше.
Преимущество такой технологии в том что, она позволяет хорошо отводить тепло.
Особенно если в конструкции применён хороший радиатор.
Еще некоторые производители пытаются выйти из положения за счёт увеличения сферы матового рассеивателя (пластиковой колбы), дабы увеличить сам угол рассеивания.
Статья по теме: Обезьянка крестиком схема: к новому году 2021, бесплатно, рисунок
Вот как раз в таких LED лампах угол приближен к 270 градусам.
Но, в любом случае, за счёт матового рассеивателя КПД лампы снижается, т.к. часть света теряется вот в этом самом рассеивателе. Чтобы уйти от этой «потери света» изобрели вот такие вот филаменты.
В них применяются нитевидные светодиодные матрицы. Это не один светодиод, а типа COB технология, только здесь она называется COG (Chip on Glass).
В COG на стеклянное основание нарощены светодиоды и покрыты люминофором ( которое как раз таки и светится тем или иным цветом свечения).
Для того чтобы отводить тепло этих нитевидных светодиодов, внутрь закачан (по сути должен быть закачан по технологии) газ, на основе гелия. Вот он обладает хорошей теплопроводностью и текучестью. Он там внутри за счет конвекции он отводит тепло от светодиодов к стеклянной колбе, а та уже отдает в окружающую среду.
Так вот мощность филаментных ламп ограничена ёмкостью вот этой колбы, и сколько туда газа можно закачать.
Поэтому невозможно поставить там 20-30 таких светодиодных нитей. Да, теоретически они будут светить, но не долго, т.к. быстро перегреются и выйдут из строя.
Поэтому как и классические LED лампы, филаментные ограничены в мощности. В маленькой лампочке нельзя реализовать 20Вт, а обычно 5-7Вт.
Максимум, что мне встречалось это 18Вт в А60 колбе у LEDeX, и то с применением хорошего радиатора. Так что в принципе для долгосрочной службы лампы реализовать больше мощности уже не получится.
Так и в филаментных мощность лампы ограничена размерами, а точнее емкостью колбы.
На пример, Feron заявляют, что реализовали на этой лампе 7Вт.
Но насколько я уже сталкивался с этими лампами, в среднем мощность одной нити составляет порядка 1Вт.
Соответственно если нитей четыре, то получается 4 Вт. Но у каждого производителя разные комплектующие и возможно в одной нити может быть конечно и больше 1Вт. Но это очень просто замерять.
Здесь вот чудес нет, и она не 7 Вт. Как я и подозревал, 3-4 Вта — вот такая фактическая мощность. Как видите, достаточно легко с этими лампами прикинуть мощность: просто смотрите, сколько у неё нитей. И помните: одна нить потребляет порядка 1Вт.
К тому же коэффициент пульсации порядка 25%, а это, в любом случае, больше чем санитарные нормы. Поэтому для бытового использования в домашних условиях я бы такой лампу наверное не применял.
Из плюсов: лампа не греется, и буквально чуть тепленькая. Хотя на 4Вт… конечно, чего бы она нагревалась. И обычная LED лампа в 4Вт греться почти не будет. Но КПД у филаментной лампы выше.
Сейчас они пока конечно дороже чем обычные на традиционных SMD диодах.
Особенно разница ощущается в ряду с удешевленными лампами на так называемых, композитных радиаторах. Там радиатор где-то есть, а где-то нет. Так для чего имеет смысл покупать такие вот филамент-лампочки?
Лампы с таким нитевидным светодиодом отлично подходят именно для хрустальных светильников и люстр.
Потому что для хрустальных светильников важен, вот этот эффект, чтобы свет играл на грани хрусталя. А с матовым источником хрустальные люстры переливаться не будут.
Ну и потом так как КПД такой лампы лучше, она и свет рассеивает лучше. И там, где Вам нужен именно хороший угол рассеивания, вот такие филаменты подойдут лучше всего.
Устройство
LED filament-лампа состоит из четырех элементов – светодиодных стержней, стеклянной колбы, цоколя и платы драйвера (куда уж без него в LED-светильниках). Стержни являются стеклянными трубками с размещенными на них кристаллами, покрытыми люминофором. Такая технология исполнения светодиодов классифицируется как COG (Chip-on-Glass), что в дословном переводе звучит как «чип на стекле».
Кристаллы каждого из стержней соединены последовательно, таким образом, создается цепочка от начала к концу стеклянной палочки, где одна сторона – это анод, ну а вторая – катод. Каждый стержень образует один сплошной светодиод мощностью 1 ватт, а значит, даже мельком взглянув на подобную лампочку, можно понять, какова ее мощность.
Благодаря желтому люминофору, цветовая температура подобных световых приборов максимально близка к привычному свету ламп накаливания.
Вместо привычного уже ШИМ, который установлен в драйвер светодиодов, в филаментных световых приборах питание подается посредством примитивных электронных схем, т. к. нереально вместить полноценный драйвер в столь маленький цоколь.
Интересно, что при приобретении двух ламп одного производителя, но с разными цоколями, либо разной мощности качество драйвера будет значительно отличаться. Объясняется это очень просто. В цоколе Е27 места значительно больше, чем в Е14, соответственно и установить туда улучшенный, а значит увеличенный стабилизатор куда проще.

Филаментные лампы Томского
Конструкция филаментной лампы
Что же такое этот самый филамент, который запрятан в
стеклянной колбочке? Филамент – это стержень из искусственного сапфира или
керамики, но чаще всего стекла.

На этом стержне размещаются миниатюрные светодиоды, которые соединяются между собой тончайшей золотой проволокой, образуя таким образом последовательную цепочку.
Это что-то вроде светодиодной ленты в миниатюре.

Светодиоды находятся так близко между собой, что в
рабочем состоянии вся нить светится равномерно. Никаких отдельных точек не
видно.
На концах стержня припаяны контакты для подачи напряжения.

Сверху вся эта конструкция покрыта специальным составом – люминофором.
Он преобразует синий свет кристаллов светодиодов в белый
и отвечает за цветовую температуру источника света (теплый, холодный).

Секрет №1
Кстати, не все знают, но эту саму температуру свечения можно легко определить по оттенку люминофора, даже не вкручивая лампочку в патрон люстры.
лимонный оттенок нитей – 4500К (нейтральный белый свет)
насыщенный желтый цвет – 3000К (теплый белый)
насыщенный оранжевый – 2350К (еще более теплый)

Секрет №2
Потребляемая мощность одной филаментной нити, как правило, составляет 1 ватт.
Таким образом, просто взглянув на лампочку можно тут же
узнать ее примерную мощность.
4 нити – 4 Вт
8 нитей – 8 Вт

Секрет №3
Не доверяйте лампам, которые обещают бОльшее количество ватт, не соответствующих количеству нитей.
Всегда руководствуйтесь правилом – сколько нитей, столько и ватт.
Если их больше, то это означает что внутри либо неэффективный драйвер, либо светодиоды работают в жестком режиме и быстро сгорят.

Даже многие известные бренды на лампочках малой мощности прописывают срок службы в 15 000 часов и более, а для мощных, всего 10 000 часов.
Перегорают они следующим образом. Сначала начинают помаргивать и работать как стробоскоп отдельные нити. Светят то ярко, то тускло.

Затем тусклая фаза становится все дольше, пока лампа окончательно не погаснет и перестанет запускаться.
Все филаментные нити крепятся на стеклянной ножке, со штенгелем в виде трубки.

Помимо крепежных функций, через это устройство откачивают воздух из колбы. Через эту же ножку проходят проводники для подачи напряжения.
Красивые светодиодные лампы в ресторан
Кроме обычной прозрачной колбы иногда можно встретить модели со специальным напылением. Оно создает более мягкое и теплое освещение.

Кроме прямых нитей, выпускаются модели с дугообразной и спиральной формой. Они дороже и их чаще всего используют в качестве декоративной подсветки под Новый Год.

Филаментные лампы идеально подходят для хрустальных светильников и люстр. В них как раз-таки важен нитевидный источник света, который при отражении будет играть на гранях хрусталя. Матовые экономки в таких люстрах смотрятся нелепо. Свет получается “мертвый”, а висюльки не сияют.
На сегодняшний день можно точно сказать, что за филаментами не стоит будущее развитие светотехнической индустрии. Да, они напоминают привычные нам лампочки Ильича, приятно смотрятся в интерьере, но все таки подобная имитация ламп накаливания, это в первую очередь большой-большой компромисс.
Охлаждение
Существует ложное заблуждение, что светодиоды не греются. Наоборот, они нагреваются сильно, а некоторые микросхемы не работают и нескольких минут без охлаждения.
У небольших светодиодов, находящихся в корпусах SMD-типа, тепло передается к установленным через них контактных площадках.
Мы уже знаем, что один филамент потребляет в среднем 1 Вт. Для сравнения в SMD-диодах на 1 Вт мощности конструктивно предусматривается около 25-30 кв. см охладительного устройства. И здесь возникает вопрос по поводу охлаждения ламп.
Учтите следующее:
- Филамент представляет собой матрицу.
- Конструктивно за матричной часть впаяны диоды, которые выделяют незначительный объем тепла из-за малой мощности. К примеру, если поделить 1 Вт на 28 лампочек, получается в среднем 0,036 Ватт на один светодиод.

Для отвода тепла используется гелий или специальный газ, обеспечивающий минимальный нагрев до 55-60 градусов Цельсия. Это позволяет использовать их в светильниках с тканевыми, бумажными и пластиковыми лампами. При этом нитка филаментной лампы нагревается до 100 градусов Цельсия.
Рейтинг светодиодных ламп для дома по производителям и надежности, ТОП 45 популярных моделей
Мощность
Просто взглянув на филаментную лампочку можно тут же узнать ее примерную мощность.

Не доверяйте лампам, которые обещают бОльшее количество ватт, не соответствующих количеству нитей. Всегда руководствуйтесь правилом – сколько нитей, столько и ватт. Если их больше, то это означает что внутри либо неэффективный драйвер, либо светодиоды работают в жестком режиме и быстро сгорят.
Даже многие известные бренды на лампочках малой мощности прописывают срок службы в 15 000 часов и более, а для мощных, всего 10 000 часов.

К сожалению, мощность всех филаментных ламп ограничена объемом колбы. Конечно, теоретически вы туда можете запихать 20-30 стержней, но светиться они у вас будут всего несколько секунд.
Малое пространство и небольшой объем газа в нем, просто не успеют оперативно отвести образовавшееся тепло и светодиоды моментально перегреются. Понадобятся колбы совершенно других форм и размеров.
Поэтому филаментные лампочки привычных габаритов А60 стараются не делать большой мощности. Экономия здесь не причем. Все дело в технической составляющей и ограничениях по перегреву.

Реальные показатели будут раза в два меньше указанного на упаковке. 11 ваттные модели по люменам и уровню освещения не заменят вам полноценные 80-100 Вт, которые дают простые лампы накаливания.
Они будут соответствовать максимум 60 Вт. То же самое относится и к индексу цветопередачи CRI. В лучшем случае он будет превышать показатель 80, но никак не CRI>90.
Вот таблица наиболее распространенных тип ламп, их максимальная мощность и световой поток, которые они способны выдать.

Каждый раз, когда вы видите в магазине лампочку, на упаковке которой будут написаны показатели превышающие эти измерения, знайте – вас дурят. Это чистый маркетинг и гонка производителей.
Напишешь на своем изделии 7Вт, а рядом будет стоять конкурент с надписью 9Вт, причем за те же деньги, то 9 из 10 купят именно его продукцию, а не твою. 99% потребителей попросту не имеют соответствующих приборов для измерений и проверки. Им главное, чтобы изделие служило подольше.

Краткий обзор производителей
На российском рынке в настоящее время представлено ограниченное количество брендов, которые предлагают потребителю качественные светодиодные филаментные лампы. Запомнить лучшие не составит труда, зато этот список поможет вам не ошибиться при выборе и убережет от покупки ламп сомнительного качества.
- Osram. Немецкая компания, один из лидеров среди производителей светодиодного оборудования. Предлагает достаточно широкий ассортимент филаментных ламп, как классических форм, так и в виде свечи, шара. В том числе, компания производит диммируемые лампы – те, у которых можно менять уровень освещенности (эти лампы стоят дороже обычных).
- Philips. Бренд, не нуждающийся в особом представлении, поскольку качество и высокие технические характеристики продукции данной компании и так всем известны. Филипс реализует как обычные лампочки с цоколем е27 или е14 и традиционной колбой, так и декоративные варианты: шарообразные, в форме свечи. При этом лампы данной фирмы стоят примерно в два раза дешевле, чем продукция Осрам.
- Лисма. Мордовский производитель, чьи изделия также отличаются хорошим качеством, но при этом стоят немного дешевле, чем иностранные аналоги. Приятный бонус – гарантия 2 года на любую лампу.
- Руслед. Отечественная компания – крепкий «середнячок». Выпускает лампы с традиционным винтовым цоколем е27 и низкой степенью пульсации (около 1-2%), которые в то же время имеют менее продолжительный срок службы, чем у иностранных конкурентов – 15000 часов. Эти мелкие недостатки вполне компенсируются демократичными ценами на продукцию.
- Maxus. Еще один признанный лидер, на этот раз – украинский. Средний ценовой диапазон, высокое качество товара и гарантия 36 месяцев. Кроме того, Максус комплектует филаментные лампы компактными диммерами.
Если предпочитаете качество и долговечность, а цена не играет роли, то стоит отдать выбор первым 2 производителям. Если нужен баланс между ценой и качеством, отличным выбором станут филаментные светодиодные лампы фирмы Лисма или Руслед.
Цоколи ламп — типы, размеры, маркировка
- Седержание:
- Цоколь — это часть лампы освещения предназначенная для ее крепления в патроне и подведения к лампе электрического тока.
- Наука и техника не стоит на месте, если раньше, при необходимости заменить лампочку, для ее покупки в магазине достаточно было знать только мощность необходимой лампы, то теперь, в связи огромным количеством различных видов ламп освещения у вас обязательно спросят, с каким цоколем вам нужна лампа и этот вопрос многих может поставить в тупик.
- В данной статье мы рассмотрим все основные типы цоколей ламп освещения.
- Каждый тип цоколя имеет свою буквенно-цифровую маркировку которая расшифровывается следующим образом (для примера возьмем цоколь R7s):
- Как видно на схеме выше, первая заглавная буква обозначает тип цоколя, следующая за ней цифра — это его диаметр, либо расстояние между контактными штырьками указанные в миллиметрах, после цифровой маркировки в некоторых случаях может идти одна строчная буква указывающая на количество контактов цоколя.
- ПРИМЕЧАНИЕ: Иногда в маркировке после первой заглавной буквы может идти вторая заглавная буква обозначающая тип лампы:
- A – автомобильная лампа;
- U – энергосберегающая лампа;
- V – цоколь с коническим концом и т.д.
- Рассмотрим основные типы цоколей подробнее.
- Резьбовые цоколи являются самым распространенным видом цоколей, они встречаются почти во всех типах ламп, от ламп накаливания до светодиодных ламп.
Наиболее распространенным типом резьбового цоколя является цоколь Е27, который применяется в большинстве бытовых ламп, так же в быту часто встречается и цоколь Е14, он может применяться как в люстрах, так и в потолочных светильниках. В свою очередь цоколь Е40 применяется в мощных лампах применяемых, как правило, для уличного освещения.
В цоколях типа G, в отличие от резьбовых, соединение с патроном осуществляется посредством контактных штырьков. Благодаря своей простоте и универсальности такие цоколи широко распространены и применяются в галогенных, люминесцентных и светодиодных лампах.
Остановимся на наиболее распространенных цоколях типа G более подробно:
Лампочки с цоколем G4 могут быть галогенными либо светодиодными, они имеют небольшие размеры и мощность поэтому, как правило, применяются для декоративного освещения, мебели, витрин и т.п. Зачастую такие лампы рассчитаны на напряжение 12 Вольт.
Лампочки с цоколем G5.3 так же могут быть как галогенными так и светодиодными, применяются для декоративной подсветки и для установки в потолочные светильники (споты).
- Лампы с цоколем GU10 аналогичны предыдущим, однако на они имеют утолщения на концах штыревых контактов для поворотного соединения с патроном, что обеспечивает их более надежное соединение.
- Цоколи G13 применяются в люминесцентных и светодиодных лампах с трубчатой формой колбы диаметром 26 мм.
- Лампы с цоколем G23 могут быть светодиодными либо люминесцентными и применяются, как правило, в светильниках потолочной (настенной) установки, а так же в настольных лампах.
- Наибольшее распространение среди цоколей типа R получили лампы с цоколем R7s, такие лампы преимущественно применяются в прожекторах (светильниках высокой После марки цоколя «R7s» указываются цифры обозначающие длину самой ламы.
- Так же цоколи с утопленными контактами могут применяться в автомобильных лампах.
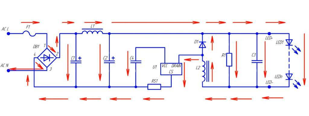
Схема работы филаментной лампы
Как работает вся эта схема? После подачи напряжения ток поступает на цоколь
светильника (его нижний контакт).
Проходя через предохранитель (F1), он выпрямляется диодным мостом (DB1). Из переменного тока мы получаем постоянный.

Далее вступают в дело конденсаторы (С1-С2) и дроссель (L1). Они сглаживают ток.
Дойдя до микросхемы (U1), он опять проходит преобразование и превращается в высокочастотные импульсы, которые сглаживаются конденсатором. Пробежав всю эту цепочку, ток наконец проходит через светодиоды филаментов и возвращается обратно в сеть.
Стабилизация тока, протекающего через филаменты, происходит через микросхему регулятора с помощью измерительного сопротивления (RS1).
Конструкция филаментной лампы Томича
Лампа с нитевыми светодиодами состоит из:
- Цоколя, обычно E27 или E14;
- стеклянная колба;
- внутри колбы расположена стеклянная ножка и проводники для питания филаментов;
- филаментные светодиоды;
- драйвер, который расположен в цоколе.
На фото подробно рассмотрена конструкция производителя Rusled. Они продают свою продукцию под название «лампочка Томича».
Это изделия отечественного производства, они нацелены на замещение импортной продукции. Даже в своем названии проводят аналогию с лампой «Ильича». Лампа Томича — это своего рода новый шаг в развитии бытового освещения.
Кроме «Томича» на территории нашей страны производство есть в Саранске – на заводе «Лисма». Как заявляют рекламные ролики: «Единственная в РФ производственная линия лампового стекла и цоколей».
При этом в России нет мощных предприятий способных наладить выпуск подобных светодиодов, поэтому LED-комплектующие импортируют из Китая.
В обычных светодиодных лампах драйвер размещен на плате, для которой в корпусе достаточно много места. Это позволяет использовать схемы высокого качества и уровня сложности, с целью снижения коэффициента пульсаций.
В случае с размерами драйвера лампы filament led есть ограничения – его плата очень маленькая и должна вмещаться в пределах полости цоколя. Взгляните как это выглядит в жизни.
В таком маленьком пространстве конструкторам удалось разместить все необходимые детали. Качественные лампы не пульсируют или их пульсации крайне малы и находятся в пределах допустимого.
Естественно, бюджетные лампы зачастую оборудованы обычной схемой питания на гасящем конденсаторе, как и в случае с пластиковыми классическими светодиодными лампами. Это дает слишком пульсирующий свет, что крайне вредно для вашего здоровья.
Схема драйвера
Драйвер выполняется обычно по подобной схеме. Вместо предохранителя F1 может использоваться низкоомный резистор (до 20Ом) средней мощности (до 1Вт).
DB1 – это выпрямительный диодный мост, рассчитанный на обратное напряжение до 400-1000В. E2 – конденсатор сглаживающий пульсации диодной моста, E1 – дополнительный конденсатор для питания микросхемы. SM7315P и подобные – это микросхема драйвер, сердце всей цепи.
Его устройство включает в себя ШИМ-контроллер, цепи обратной связи по току (различные мультиплексоры, компараторы и другие элементы. Они сравнивают значение номинального тока и реального, после чего дают сигнал ШИМ-контроллеру на изменение коэффициента заполнения управляющих импульсов). ШИМ управляет силовым ключом (n-MOS скорее всего). Силовой ключ расположен в корпусе микросхемы, поэтому на плате его вы не найдёте.
R1 – датчик тока, позволяет изменить силу тока в цепи светодиодов. Чем больше его номинал – тем меньше ток.
L1 – накопительная индуктивность, благодаря которой происходит преобразование напряжения.
D1 – диод, необходимый для работы преобразователя.
E3 – конденсатор, фильтрующий выходные пульсации.
R2 – резистор, обеспечивающий минимальную нагрузку для преобразователя.
В целом, контур образованный из L1, D1 и транзисторного ключа, встроенного в микросхему, представляет собой типовую схему импульсного понижающего преобразователя. Упрощенный вариант такой схемы изображен на следующем рисунке.
Характеристики
Филаментные лампы выпускаются в ограниченном диапазоне потребляемой мощности – от 4 до 8 Вт, что эквивалентно 85 Вт ЛН. Это связано с проблемой охлаждения светодиодной нити. Такая лампа способна создать поток света, равный 980 лм. Светоотдача составляет около 120 лм/Вт. Производители заявляют срок службы изделия около 30 тыс. часов. Световая температура филаментных светодиодных источников света находится в пределах 2 700 К.
Сравнение ламп от разных производителей
Признанный российский производитель Томский завод осветительных приборов Rusled реализует филаментные устройства под торговой маркой “Лампочка Томича”. Изделия этой фирмы нацелены на замещение импортной продукции. Выпускаются лампы трех модификаций: 4, 6, и 8 Вт со световым потоком 400, 600 и 800 лм соответственно. Производитель заявляет ресурс изделия равным 15 тыс. часов.

Изготовление филаментных источников света проводится на базе производства ЛН с использованием китайских комплектующих. При проведении независимого тестирования практически все заявленные характеристики были подтверждены. Однако ресурс изделий не выдерживает никакой критики. Из 30 тестируемых ламп за 2 месяца вышли из строя 26 шт. Связан ли брак с переходным периодом и модернизацией оборудования, не понятно.
Другой российский производитель из Саранска – Лисма – выпускает модели 4, 6, 8, и 9 Вт. Филаменты несколько отличаются от “томичей”. В этих изделиях стеклянная подложка покрывается кристаллами и люминофором только с одной стороны, вторая остается чистой. Это позволяет еще больше повысить срок службы кристаллов за счет увеличивающегося теплоотвода. Производитель гарантирует исправную работу источников света в течение 30 тыс. часов.

При проведении тестирования температура колбы 8- и 9-ваттных ламп составила 70 и 85°С соответственно. В этом случае сложно говорить о длительном сроке службы изделия. В этих же моделях и другие параметры, кроме пульсации, не соответствуют заявленным.
В большинстве случаев поломки филаментных ламп происходили из-за низкого качества изготовления драйвера. При разборке было выявленно повышенное (более 300 В вместо 160 В) напряжение, что говорит о выходе из строя источника питания. Эти поломки характерны для изделий обоих производителей. Хотя необходимо отметить, что процент брака у Лисмы ниже и составляет 20-25%.
Преимущества филаментных ламп
Положительными качествами филаментных ламп являются:
- совместимость с патронами Е27 и Е14;
- низкое энергопотребление;
- большой световой поток и высокое качество света;
- длительный срок службы;
- экологичность, утилизируются как бытовые отходы;
- низкая рабочая температура нити.
Благодаря этим характеристикам спрос на филаментные светодиодные лампы и их производство будут расти.
Недостатки
Как и любые недавно выпущенные изделия, эти лампы имеют свои отрицательные стороны:
- высокая цена;
- низкая прочность стекла;
- большой процент брака;
- отсутствие низковольтных аналогов.
Дальнейшее развитие производства должно привести к уменьшению цен и повышению качества продукции.
Предыдущая
ПодсветкаВыбор подсветки для аквариума и как сделать самостоятельно
Следующая
Светильники, браКак выбрать подходящий светильник для аквариума
Спасибо, помогло!Не помогло
Рассмотрим филаменты в четырех популярных колбах
Модель типоразмера A60 (на упаковке написано 60х107мм). Это стандартный размер для ламп в форме груши.
A60 чаще остальных продаётся c цоколем E27. У нас под прицелом лампа мощностью 7 Вт (аналог лампы накаливания в 60 Вт), и естественного белого свечения со световым потоком в 760 Люмен.
Компания Feron производит эти лампы в 3 цветовых исполнениях — это:
- тёплый белый
- нейтральный белый
- и дневной белый — холодный такой вот 6400к — приближенный к ксеноновому свету.
В данном случае это нейтрально белая лампочка с заявленной мощностью 7Вт и рабочим напряжением 230В.
Продавец в интернет магазине говорил, что нужно смотреть именно на то чтобы производитель указал 230В. Только они подходят по ГОСТам. Если указано 220В, то скачек напряжения в сети в плюс-минус 10% может привести к перегоранию.
Так что обязательно смотрите на напряжение питания. Для наглядности, если у Вас, как у меня, есть вот такой ваттметр с функцией замера напряжения, можете замерить свои лампочки. Замерив видим: наши 226,6В (даже плюс-минус 10%) — это в пределах нормы.
Угол рассеивания у них заявленный 270 градусов, но по факту я бы сказал что не
270 градусов, а как минимум 300 градусов.
Срок службы в 30.000 тоже можно считать не завышенным параметром, это реальный срок большинства LEDов.
Что такое филаментные лампы и как они устроены?
Филаментные светодиодные лампы (или сокращенно — ФСЛ) были представлены японской компанией Ushio в 2008 году. Первые образцы не получили широкого распространения на потребительском рынке, так как существенно проигрывали по мощности SMD-моделям. Ситуация изменилась лишь через 5 лет, когда в рамках отраслевой выставки InterLight Moscow сразу несколько китайских производителей (Qianshi Lighting, JNQ и ряд других) представили модели с цоколем типа «миньон», эквивалентные по силе светового потока 60-ваттным лампам накаливания.
Чем же они отличаются от привычных нам SMD-устройств? Технология Chip-on-Glass (COG), лежащая в основе ФСЛ, является логическим развитием более ранней COB (Chip-on-Board). Главное новшество заключается в том, что вместо металлической теплоотводящей подложки миниатюрные светодиоды размещаются в один ряд на стеклянной или сапфировой пластине длиной около 30 мм.
Гетерокристаллы синего свечения (в некоторых моделях часть из них заменяется красными в соотношении 1 к 3) соединяются друг с другом последовательно с помощью тончайщих золотых проводников. Их количество достигает 28 единиц на каждой нити. Сверху вся конструкция покрывается силиконовым компаундом, содержащим люминофор, который выполняет защитную функцию, а также позволяет добиться оптимальной цветовой температуры.
Мощность каждой нити фиксирована и лежит в пределах от 0.8 до 1.3 Вт — то есть, на отдельный кристалл приходится около 0.036 Вт, что в разы меньше по сравнению с SMD-чипами. Филаменты помещаются в герметичную колбу, заполненную газовой смесью на основе гелия, характеризующейся высокой теплопроводностью. Отвод тепла осуществляется благодаря явлениям конвекции и диссипации, благодаря чему необходимость в установке массивных радиаторов полностью отпадает.
Еще один важный нюанс: для питания филаментов используется постоянный ток напряжением от 60 до 100 вольт, а низковольтных модификаций не существует в принципе. Данный факт позволил существенно упростить схемотехнику драйвера, сделав электронный блок более компактным: все необходимые компоненты могут быть распаяны на единственной плате, без труда умещающейся в стандартный цоколь E27.
Перечисленные конструкционные особенности способствуют равномерному распределению светового потока без использования дополнительной оптики — диаграмма направленности филаментных светодиодных ламп оказывается практически идентична диаграмме ламп накаливания, а угол расходимости достигает 300°.
Помимо этого, филаментные светодиоды по сравнению с SMD-модулями и COB-матрицами оказываются значительно более энергоэффективными — их световая отдача может достигать 150 люменов на каждый ватт израсходованной электроэнергии.
Это интересно: Что делать если не горят лампы заднего хода ВАЗ 2110: объясняем тщательно
Вид цоколя
Перед покупкой лампочки в первую очередь важно определить необходимый тип цоколя. В большинстве бытовых осветительных приборах используется резьбовой цоколь двух видов:
- цоколь Е-14 или миньон
- цоколь Е-27
Отличаются он соответственно диаметром. Цифры в обозначении и указывают его размер в миллиметрах. То есть Е-14=14мм, Е-27=27мм. Есть и переходники для светильников с одних ламп на другие.

Если плафоны у люстры маленькие, либо у светильника есть какая-то специфика, то используется штырьковый цоколь.
Он обозначается буквой G и цифрой, которая указывает на расстояние в миллиметрах между штырьками.
Самые распространенные это:
- G5.3 – которые просто вставляются в разъем светильника
GU10 – сначала вставляются и затем проворачиваются на четверть оборота

В прожекторах используется цоколь R7S. Он может быть как для галогенных, так и для светодиодных ламп.

Мощность лампы подбирается исходя из ограничения осветительного прибора, в который он будет устанавливаться. Информация о виде цоколя и ограничении мощности применяемой лампы можно увидеть:
- на коробке купленного светильника
- на плафоне уже установленного
- или на самой лампочке





































