Конструктивные особенности
Осветительные устройства данного типа — это кованые светильники, для декорации которых используются витые орнаменты из латуни или расписанного стекла. На оригинальных марокканских приборах освещения, как правило, в качестве световых источников применяются свечи.
Очень часто к таким конструкциям дополнительно приваривают стальное кольцо, с помощью которого изделие подвешивается к потолочному основанию или стеновой поверхности. Есть варианты осветителей на подставке для установки их на горизонтальные поверхности. Такие осветительные устройства являются гордостью марокканского базара, потому что изготавливаются только собственноручно потомственными мастерами светового искусства Марракеша, Медина.
Осветительное оборудование данной группы может иметь чеканное основание, а также отделываться натуральной кожей верблюдов. Такие приборы освещения просто поражают разнообразием форм, дизайнерского оформления, собственной прихотливостью.

Тканевые люстры
Этот вид люстры, предполагает множество её видов. Ведь ткани бывают настолько разнообразными, что могут удовлетворить вкус каждого человека.
Для её изготовления, вам понадобится выполнить каркас, в виде двух кругов из железной проволоки. Потом, вырезать ткань по размеру каркаса, из выбранного полотна. В процессе работы учтите, что диаметр основания люстры, должен соответствовать ширине ткани, чтобы люстра выглядела симметрично. Далее, прошиваем ткань, фиксируя её сразу на каркасе и потом соединяем её края. По желанию, можно украсить получившийся абажур кружевом, что придаст изделию особый дизайнерский стиль.
Светильник эко-направления
Материалом для мачты светильника служит деревянный брус размером 20 х 25 мм, длиной 1 м. Распиливается на 4 различные по длине части: 500, 250, 150, 100 мм. В торцах делаются закругление, специальные запилы – углубления, и просверливаются отверстия.
В каждой планке посередине делаются отверстия по диаметру используемого электрического кабеля. Готовится основание. Для этого берут доску любого произвольного размера, чтобы конструкция была устойчивой.
Это обеспечит надежность конструкции. Интересным вариантом могут быть соединенные между собой старые книги, установленные на основу. В центре делается отверстие, через которое пропускается штанга. После этого крепится плафон с патроном.
Желательно, чтобы он был в изоляции, на которой нет заводской маркировки. Чтобы он не висел, пропускается через отверстия в планках. Выключатель может быть двух вариантов: установленный непосредственно на проводе или закрепленный на основании. На свободном конце устанавливается вилка.
Люстра с бабочками из бумаги
Наиболее распространенным вариантом изделия является люстра с бабочками. И это неспроста. Начнем с того, что такой вариант выглядит роскошно и дорого, а во-вторых ее изготовление не требует особых физических затрат. Таким образом, в создании люстры может участвовать даже ребенок.
Процесс создания:
- В основе лежит либо старая люстра, либо подобный каркас. Если такового не имеется, то можно взять самый простой деревянный или металлический обод. Если и такого материала не имеется, то, как вариант можно взять толстую проволоку и сделать около 2-3 мотков, таким образом, чтобы образовался круг.
- Вырезать бабочек из бумаги по шаблону. Нужно взять шаблон бабочки и подогнать его по желаемым размерам. Так же очень необычно смотрится вариант, когда на люстре располагаются бабочки сразу нескольких размеров (опять же, в зависимости от желания). Перенесите очертания на бумагу и аккуратно вырезайте, желательно острозаточенным канцелярским ножом, либо маленькими не закругленными ножничками. Материал же для самих шаблонов лучше использовать плотный, не сильно загрязняющийся и не притягивающий пыль. Например, очень плохо подходит для изделия бархатная бумага, потому что в будущем вам потребуется довольно часто пылесосить люстру.
- Взять нить из капрона или прозрачную леску и закрепить на нее бабочек. Крепить можно двумя видами: либо пронизывать тельца бабочек, либо приклеивать их на силиконовый клей.
- Далее прикрепляем нити с бабочками к основанию каркаса и декорируем его.
- Вы так же можете попробовать интересный вариант, если сделаете проволочный шар! За основу в нем следует взять подвес из люстры и расположить на нем при помощи клеевого пистолета несколько шаблонов бабочек.
Как сделать люстру из бумаги
Сегодня люстра — это не просто прибор освещения. Она — один из непременных атрибутов для украшения комнаты. А при самостоятельном изготовлении конструкция придаст помещению нотку индивидуальности и продемонстрирует широту фантазии и мастерство своего создателя. Естественно, всё это даётся непросто, ведь процесс требует аккуратности и усидчивости. Но с другой стороны, все эти сложности целиком окупаются чувством полного морального удовлетворения.

Что для этого нужно
Для собственноручного создания столь воздушного творения на бумажной основе требуется не так уж много материалов. Конечно, этот список может меняться — зависит это исключительного от того, какая фантазия придёт к вам в голову. В нашем примере рассмотрим светильник «Коралловая фантазия».
Для изготовления данного шедевра необходимо иметь:
- любого цвета бумагу (на ваше усмотрение);
- клей для бумаги (лучше ПВА);
- канцелярские скрепки;
- циркуль;
- ножницы;
- леску;
- цветные нити;
- светодиодную лампу (главное — не устанавливать лампу накаливания, которая выделяет очень много тепла);
- провода и выключатель.

Этап первый
Берём листок цветной бумаги и циркулем рисуем полуокружности, ширина которых равна одному сантиметру. Проводя каждую новую линию, диаметр полукруга следует делать больше. Следует заметить, что листов бумаги потребуется немалое количество. После всего этого нужно вырезать полосу в виде полукруга и нарезать её на отрезки по два-пять сантиметров.

Люстра в китайском стиле
Плафоны для люстр, как в китайских жилищах, лучше всего делать из бумажных листов. Яркими шарами можно украсить помещение к празднику, а на белых сделать акцент в интерьере.
Для работы нужно подготовить:
- цветную бумагу (100х60 см или 120х80 см);
- острый канцелярский ножик или ножницы;
- длинную линейку и простой карандаш;
- шило и крепкую нить в тон бумаги.
Порядок действий следующий:
- при необходимости сначала собирается патрон с проводом, выключателем, вилкой и лампой;
- на обратную сторону бумажного листа наносится разметка – под углом в 8 градусов чертятся диагонали из углов, и проводятся по всему листу параллельные им линии, с равными расстояниями между ними; параллельно короткой стороне проводится ряд линий пунктиром, также с одинаковым шагом. В итоге должна получится сетка ромбиков, разделенных через ряд пунктирными вертикалями;
- теперь бумагу последовательно и аккуратно сгибают – сначала «гармошкой» по пунктирам, а затем по диагоналям (только наружу, отдельно каждую линию). От того, насколько точно будет выполнен этот этап, зависит окончательный вид светильника. Так что торопиться не стоит;
- в верхнем и нижнем краях абажура прокалываются шилом отверстия, через равные промежутки. Сквозь них пропускается прочная нить, за которую стягиваются края. Верх предварительно одевается на патрон с лампой;
- боковые края склеивают, или просто кладут внахлест друг на друга.
Как сделать светильник своими руками в восточном, японском, китайском стиле?
Светильникам отводится немаловажная роль в дизайне помещений. Удачно подобранная по стилю, цветовому решению лампа может превратить обычный интерьер помещения в стильный и современный. Существует множество вариантов светильников: настенные, подвесные, напольные, настольные.
Поговорим о настольных светильниках. Они могут использоваться в различных помещениях: в кабинетах, в спальнях, гостиных. Сделать настольную лампу можно самостоятельно. Приложив некоторые усилия, вы сможете изобрести оригинальный дизайнерский светильник. Таким образом вы подчеркнете уникальность своего интерьера.
Для начала необходимо определиться со стилем вашего светильника. Пользуется популярностью восточный стиль. Рассмотрим, какими чертами должен обладать светильник в японском стиле:
- Простота
- Строгая геометричность
- Удобство
- Отсутствие кислотных цветов
Японские светильники, как правило, прямоугольной формы. Иногда можно встретить светильники округлой формы. В японском стиле редко используются настольные светильники, от них должен исходить мягкий свет. Цветовая гамма небогатая: черный, белый, коричневый.
Декор светильника может включать такие элементы:
- Японские или китайские иероглифы
- Аппликации
- Роспись в китайском или японском стиле.
Для изготовления светильника в восточном стиле понадобятся такие инструменты и приспособления:
- Основа с патроном от старой лампы
- Деревянные рейки
- Рисовая бумага, калька или фанера
- Клей для дерева
- Пила
- Угольник
- Ножницы
- Кисть
- Краски
Пошаговое изготовление:
- Первым делом необходимо сделать из деревянных реек заготовки. С помощью пилы и угольника подготовьте 4 длинных рейки и 8 коротких. Размер подбирайте самостоятельно, исходя из размеров помещения, размеров стола или тумбочки, на которой будет стоять светильник.
- Наждачной бумагой затрите все рейки, чтобы не было шероховатостей и зазубрин.
- Далее необходимо склеить все детали между собой и дать им высохнуть. Гвозди в сборе данной конструкции не стоит применять. Можно скрепить рейки веревкой.
- Покрасьте каркас лампы черным, белым или коричневым цветом. Дайте краске высохнуть. Можно вскрыть конструкцию лаком.
- После этого вырежьте из рисовой бумаги или кальки 4 пласта необходимого размера. Для этого также можно использовать фанеру, которая будет более долговечна и практична.
- Нанесите рисунок красками. Можно вырезать орнамент на бумаге, предварительно распечатав готовый рисунок на принтере.
- Если вы взяли фанеру, то рисунок сначала распечатайте на бумаге, а затем перенесите карандашом на фанеру. Вырежьте картинку на фанере.
- Бумагу или листы фанеры с помощью клея наклейте между рамками каркаса.
- Поставьте каркас на основу старой лампы с патроном.
Схема сборки каркаса лампы
Светильник в японском стиле
История японских фонарей
Информация о том, когда фонари появились в Японии разнится,
где-то упоминается, что это шестой век, а местами и восьмой.
Утверждается, что они пришли в страну то ли из Кореи, то ли из
Китая.
Естественно, возникает вопрос”Откуда такие противоречия?” Дело в том, что когда в Японии
появились первые корейские ремесленники, а это было в период Асука,
с собой они привезли, можно сказать, часть Китая, потому что в это
время Корея находилась под его властью. И именно корейцы построили в
Нара первый японский храм и там же археологии
в современное время обнаружили, помимо других культурных ценностей, каменные фонари,
внешний вид которых говорил о вездесущих уже тогда китайских технологиях.
Период Асука: Название этого периода в истории Японии вязано с названием Эпоха характеризуется распространением буддизма и |
Некоторые каменные фонари “дожили” до сегодняшних дней, например,
самый старый из них находится в Тайма-дзи (Нара), а это период с 710
по 794 годы.
Расцвет японских фонарей связывают с чайной церемонией и
относится он к временному периоду в районе 15 – 16 века.
Напрашивается вопрос”А причём здесь
фонари?”. Ответ очевиден “Чайная церемония
не проводилась где попало, всё было строго регламентировано, а для
этих целей нужен был чайный домик с небольшим садиком, а в нём хоть
какой-нибудь каменный фонарь”. В это же время фонарь утратил
религиозное значение.
Но сколько света может дать одна свеча, установленная в фонарь?
Да нисколько, фонарь всего лишь обозначал маленьким огоньком, как
маячком, определенные места в чайном садике, например, повороты дорожек, контуры берегов, вход в дом.
Плюсы бумажных самоделок
Основная причина для установки бумажной лампы та же, что и для других видов светильников – собственные предпочтения. В пользу этого не самого очевидного выбора говорят такие преимущества:
- Оригинальность. Во-первых, это стильное и необычное решение.
- Бумага «смягчает» свет. Получается рассеянное ненавязчивое освещение, которое не бьёт по глазам и не утомляет, создавая лёгкую расслабленную атмосферу.
- Огромное поле для вариантов дизайна – их десятки.
- Невысокая стоимость расходных материалов. Потратиться, по сути, надо лишь на бумагу, остальное зависит от рук.
- Бумажный светильник может быть как основным освещением комнаты, так и частью дополнительного освещения.
- На стенах их можно вешать в качестве бра.
Интересная идея люстры из пластмассовых ложек
Пластмассовые ложки для одноразового питания являются одним из самых простейших и легкодоступных материалов для того, чтобы создать люстру в комнату. Их преимущества состоят в низкой цене, разнообразии цветовой гаммы и прослужит подобный материал довольно долгое время. Чтобы создать такую неординарную люстру, понадобится минимум вложений, как физических, так и материальных.

Поделки из бросового материала: оригинальные идеи
Фигурки из солёного теста своими руками: инструкция, фото идеи
Материалы:
- пустая бутылка из-под питьевой воды, объемом 5 литров;
- пластмассовые ложки (их количество зависит от размера бутылки);
- клей для пластика;
- старая люстра (а точнее – патрон от нее);
- остро заточенный нож.
Процесс создания:
Для начала нужно подготовить пластиковую бутылку для последующих действий
Заранее снять этикетку, отрезать дно, хорошо просушить. Затем нужно достать пластмассовые ложки из упаковки и ножом осторожно отрезать ненужные ручки, оставляя примерно 2-3 сантиметра над уровнем «черпачка». Приклеивать заготовки «черпачки» нужно к основанию бутылки. На оставленный «хвостик» нанести большое количество клея и прижать его к поверхности (выпуклой стороной ложки наружу)
Необходимо покрыть всю бутылку по кругу, пока весь периметр не будет занят пластмассовыми «ложечками». Желательно расположить их в шахматном порядке и слегка сдвинуть вместе. Так останется меньше «свободных пятен». Со старой ненужной люстры нужно снять патрон, а затем поместить его в уже обклеенную и высушенную бутылку и зафиксировать на каркас. Декоративную чашу можно сделать так же из пластмассовых ложек: «черпачки» наклеить вокруг горловины баклажки. Установить и подключить люстру, проверить ее работу.



Букеты из бумаги
Букет из бумаги, сделанный своими руками послужит прекрасным украшением комнаты и простоит намного дольше, чем живые цветы.
Для работы понадобятся:
- Цветная бумага
- Клей-карандаш или ПВА
- Ножницы
- Простой карандаш
Перед началом работы выберите бумагу, из которой вы будите делать цветы:
- Из гофрированной бумаги можно сделать красивые, многослойные цветы. Она очень хорошо ложится и красиво смотрится. Широкий цветовой спектр позволит сделать букет как настоящий. Хорошо закручивается, легко подается растяжке и сжатию, что помогает сделать цветы как натуральные. Для создания цветка необходимо вырезать форму лепестков. Для роз, пионов, гибискусов верхнюю часть лепестка немного растянуть и закрутить с помощью стержня или спицы. Для хризантем и гвоздик вырезаются полоски и сверху вниз надрезаются по всей длине полоски. Для придания бутону пышности, верхнюю часть полоски можно закрутить с помощью карандаша или ручки. Соедините все лепестки с помощью клея на деревянной шпажке, обмотанной зеленой бумагой. Сделайте листочки на стебле. Можно в середину цветка завернуть конфеты, и сладкий подарок порадует ваших друзей.
- Из простой двусторонней цветной бумаги можно сделать простые и объемные цветы для букета.
Для простых цветов вырежьте шаблон цветка в виде ромашки и наклейте на него серединку. Прикрепите все на шпажку, обмотанную зеленой бумагой или покрашенную в зеленый цвет.
Для объемных цветов типа роз, лилий и пионов, вырежьте лепестки и соедините их на стебле с помощью клея.
Объемные бутоны можно также сделать в технике оригами.
Панно из пуговиц
Панно – хорошее решение придать индивидуальность комнате. Оно красиво и гармонично впишется в оформление любой стены. Перебрав все остатки пуговиц и определившись с цветовой гаммой можно создать интересную композицию.
Для работы понадобятся:
- Клей-пистолет или «Момент»
- Рамка
- Пуговицы
Этапы работы:
- Выберите или сделайте рамку для панно. Это может быть ткань на пяльцах, рамка для фотографий, холст или ткань, натянутые на специальную рамку, которая может быть любой формы и любого размера.
- Выберите рисунок композиции
- Нанесите рисунок на рамку
- Приклейте пуговицы на рисунок учитывая его цветовую гамму.
Если вы не можете придумать какое панно будет украшать стену, то как вариант можно сделать радугу, закат, восход, водную поверхность. Яркая и позитивная работа обеспечит хорошее настроение и положительные эмоции. Оригинальные поделки в виде панно всегда можно подарить знакомым.
Ключница из картона
Необходимым аксессуаром любой квартиры является ключница. Согласитесь, что очень удобно, придя домой повесить ключи на место и потом спокойно их взять, не бегая по квартире в поисках ключей, особенно когда вы опаздываете.
Необходимые материалы:
- Картон
- Крючки
- Плотные салфетки
- Ножницы
- Клей ПВА
Необходимый размер ключницы вырежьте из плотного картона (желательно от коробки) или фанеры:
- Из картона вырезаются прямоугольники, которые будут имитировать кирпичи.
- На верх и низ ключницы приклейте картонки-кирпичи, оставляя пробелы между ними.
- В верхней части расположите красивую картинку, а в центре надпись с именами, цитатами.
- Прикрепите крючки к основе и обклейте всю оставшуюся площадь картонками-кирпичиками.
- Для придания эффекта кладки между кирпичиками положите смятые салфетки, пропитанные клеем ПВА. Плотно прижмете салфетки к основе.
- Покрасьте все изделие акриловой краской под цвет кирпича. После полного высыхания для прочности и долговечности покройте ключницу лаком.
Бумажная люстра
Есть и другие варианты изготовления плафонов из бумаги. Работа над созданием такого изделия понравится даже детям. Стоит рассмотреть несколько вариантов, поскольку мир бумаги довольно разнообразен.
Вариант 1
Чтобы сделать люстру с бабочками, не понадобится особых усилий, а выглядит такой вариант крайне привлекательно и оригинально.
Подготовка материалов и инструментов:
- каркас от старого абажура. В случае отсутствия такового подойдет любой металлический, деревянный, пластиковый обод. Можно взять немного толстой проволоки для создания кольца;
- бумага для бабочек, белая или цветная, прозрачная или матовая (лучше не использовать бархатную, поскольку пыль ее очень «любит»);
- леска или капроновая бесцветная нить;
- силиконовый пистолет (можно заменить ниткой с иголкой);
- маленькие ножнички со скругленными концами (так изящнее можно прорезать детали);
- шаблон. Можно скачать из интернета или нарисовать самостоятельно.
Бабочки могут быть одного размера или разными – все зависит от желания мастера.
Имеющийся каркас (кольца, обод) нужно покрасить в цвет, сочетающийся с оттенком бабочек (не обязательно тон в тон, можно сыграть и на контрасте). По шаблону прорисовываются крылышки, затем аккуратно вырезаются. При необходимости следует дорисовать недостающие детали.
После этого бабочек крепят на леске при помощи силиконового пистолета или пришивают (но это более долгая и кропотливая работа). Нити с бабочками крепятся к каркасу.
Если предварительно сделать проволочный шар, или оклеить каркас прозрачной калькой, то можно будет крепить бабочек непосредственно на готовый материал.
Вариант 2
Очень нежный светильник можно сделать из цветной бумаги и пряжи.
Для этого следует запастись:
- листами двусторонней цветной бумаги (не картоном);
- клеем (ПВА или клеящим карандашом);
- скрепками;
- циркулем и ножницами;
- леской;
- цветной пряжей и двумя пуговичками;
- патроном с проводом.
Последовательность действий:
- рисуются циркулем полуокружности, ширина полос – 1 см. Начинать можно от середины нижнего края, постепенно увеличивая диаметр каждого полукруга;
- полученные полосы вырезаются, и делятся на кусочки по 4-5 см;
- каждый кусочек сворачивается в конус и склеивается. Для ускорения процесса склеенные части скрепляются скрепками до высыхания;
- готовые конусы склеиваются между собой в шарообразную форму, ряд за рядом, начиная от середины плафона;
- пока плафон сохнет, нужно заняться проводом. Его соединяют с патроном, затем плотно обматывают цветной пряжей, скрепляя конец каплей клея. Чуть выше патрона подшиваются (подклеиваются силиконом) на пряжу две пуговички, с двух сторон;
- в верхнем ряду плафона с двух сторон крепятся петельки из лески. Длина нитей должна быть такой, чтобы петельки цеплялись за пуговочки, и плафон прикрывал патрон с лампой.
Все. Такой светильник будет отлично смотреться в любом интерьере, и не только как самостоятельный объект, но и как часть какой-либо композиции.
Вариант 3
Можно удивить гостей необычным и очень простым светильником. Для его изготовления необходимо взять:
- гофрированную бумагу;
- два кольца (старый абажур или плафон, пяльцы, скрутить кольца из плотной проволоки). Диаметр колец может быть разным, в этом случае меньшее кольцо располагается сверху;
- патрон со светодиодной лампой;
- клей (ПВА или карандаш);
- ножницы;
- леску или прозрачную капроновую нить.
Кольца необходимо покрасить в цвет, подходящий к цвету бумаги. После высыхания их соединяют между собой леской – одинаковыми отрезками, в трех-четырех местах. Также заранее на верхнее кольцо крепится крестовина или планка с отверстием под провод. Его пропускают и соединяют с патроном.
Длинный свисающий шнур можно декорировать пряжей в тон изделия, или просто покрасить. Основание готово.
Гофрированную бумагу режут на полосы шириной в 3-5 см – их длина должна быть на 2 см больше расстояния между кольцами. Кроме того, нужно учесть, что кромка длинных сторон должна тянуться.
Ленты из бумаги аккуратно, не растягивая, закрепляют на кольцах, подгибая края внутрь. Ленты располагают рядом друг с другом.
И последний штрих – кромку каждой ленты аккуратно растягивают пальцами. Для начала можно поэкспериментировать на отдельном куске, растягивая полоски по самому краю или заходя глубже, в отдельных местах или по всей длине кромки, каждый сантиметр.
Получившаяся бахромка смотрится очень оригинально и не нуждается в дополнительном декорировании.
Виды японских фонарей
Светильники имеют три разновидности:
- Андон — вертикальный напольный или настольный фонарь с бумажным абажуром. Корпус выполнен из металла или дерева. Некоторые модели имеют сверху крючок или ручку для переноски.
- Тётин — подвесной фонарь продолговатой или круглой формы. Он сделан из рисовой бумаги, а конструкцию удерживает спираль внутри. Тётин обычно белого цвета, но может быть украшен иероглифами и узорами. Красные фонари тётин вешают рядом со входом в увеселительные заведения.
- Торо — массивный каменный или железный фонарь. Его используют для освещения входа в дом или подсветки внутреннего дворика.
Чаще всего в дизайне интерьеров встречаются модели андон или тётин. Размеры могут быть самыми разнообразными — от миниатюрных настольных светильничков до больших напольных ламп.
Особенности наружного освещения
Все предыдущие виды фонариков, особенно андон, применяются преимущественно для освещения помещений. Пожалуй, к уличным фонарям можно отнести Бомбори и Тётин, поскольку подвесные фонари можно разместить в любом месте.
Уличное освещение представлено самыми разнообразными светильниками и фонарями. Чтобы ваш выбор светильников смотрелся гармонично, следует правильно подойти к их размещению на придомовой территории.
Но следующий вид японских фонарей используется исключительно для размещения на улице.
Торо
Торо делают преимущественно из дерева или металла. Это фонари различной формы (чаще – шестигранной), полностью резные, украшенные узорами – историями или легендами, известными персонажами или изображениями семейных героев и символов.
Часто такой фонарь венчает покатая резная крыша. Этот фонарь может иметь длинную или короткую ножку, в зависимости от назначения.
Как сделать каркас для абажура
Правильный абажур позволяет добавить цвета светильнику. Некоторые варианты прекрасно отражают свет и подчеркивают разные предметы меблировки.
Самостоятельно можно сделать абажур любой конфигурации и с применением разных типов ткани и материалов. Можно соорудить оригинальный светильник с нуля. В этом поможет специальная инструкция.
Создание рамки абажура
Нужно взять обычные вешалки для пальто. Гибкие провода следует раскрутить. Из них получится каркас для изделия.
Определите диаметр дна изделия. Для этого можно воспользоваться старым абажуром. Можно нарисовать круги различного диаметра на бумаге. Круги следует вырезать и поделить элементы для дна и верхней части.
Важно определить размеры для верхней и нижней части конструкции. От диаметра зависит конфигурация изделия
Применяя шаблоны из бумаги, сделайте круги из проволоки с вешалок. Нужны элементы для нижней и верхней рамы абажура. Для каждой части применяется целая проволока. При скручивании круга, концы следует закрепить. Лишние куски провода отрезаются резаком.
Затем рассчитайте расстояние между верхней и нижней частью абажура. Верхний и нижний элементы должны быть на несколько сантиметров выше и ниже лампочки в светильнике. Это способствует созданию рассеянного цвета.
Необходимо нарезать 10 отрезков проволоки с запасом к общей высоте абажура. Это расстояние понадобится для крепления вертикальных элементов к кругам проволоки.
Затем нужно создать каркас. Каждый вертикальный кусок крепится к верхнему кругу рамки. Запас проволоки наматывается вокруг верхнего круга с помощью плоскогубцев. Провода нужно распределять равномерно по кругу.
Покрытие каркаса абажура
Расстояние между каждым вертикальным элементом следует замерить с помощью рулетки.
Выбранная ткань нарезается на полосы по измеренной ширине. Обрезать нужно с запасом в 1,5 см.
Длинные стороны полосок нужно сложить. Горячий клей распределяется по боковым частям, чтобы прикрыть края.
Затем прикрепите полоски из ткани к светильнику. Горячий клей наносится на провод рамки. Сторона полоски прижимается к проводку. Затем ткань фиксируется к верхней и нижней части рамы. Крепится и вторая сторона ткани.
После фиксации с помощью горячего клея, необходимо обрезать излишки ткани сверху и снизу абажура.
Нужно крепить полоски ткани до полного покрытия каркасной конструкции. Мастер- класс, как сделать каркас для абажура своими руками, можно применить в качестве базы для других вариантов дизайна.
Как сделать новогодний светильник из светодиодов, светильник из дисков в форме шара?
О новогодних светильниках, изготовленных своими руками, стоит поговорить отдельно. В преддверии новогодних праздников, которые вызывают ассоциации чуда, волшебства, хочется украсить квартиру чем-то светящимся, ярким. При этом хочется, чтобы декоративные элементы гармонично вписались в интерьер комнаты. Светильники отлично подходят для этих целей, изготовить их будет несложно. Ниже несколько простых вариантов.
Светодиодная гирлянда не нагревается, поэтому она наиболее безопасна для светильников такого плана.

Новогодние светильники
Желательно, чтобы гирлянда была на батарейках, чтобы в стеклянной емкости не пришлось делать отверстие для провода. Так выглядят светильники из бутылок и гирлянд в темноте.

Светильники из бутылок в темноте
Еще один вариант изготовления нарядного яркого светильника — из старых музыкальных дисков. Диски крепятся клеевым пистолетом, это быстро и надежно. У основания светильника размещается по центру один диск, затем остальные склеиваются в форме шара. Когда шар из дисков будет образован, поместите внутрь гирлянду. Из отверстий дисков достаньте гирлянду, чтобы она выглядывала наружу. Затем закройте верх светильника диском, разместив его параллельно основанию.
Такие светильники подходят не только для украшения комнаты к Новому году. Они могут стать повседневными элементами декора вашей комнаты, если вы любите яркие светящиеся элементы.

Светильник из подручных материалов
Дополнительные функции
Люстры могут использоваться не только как осветительные приборы. Их функционал может быть расширен: вентиляция, пылеуловитель (люстра Чижевского).
Люстра с вентилятором – варианты оформления
Необходимо отметить, что самостоятельное изготовление люстры с вентилятором экономические не выгодно и технически очень сложно. Уже на этапе выбора комплектующих, возникают следующие проблемы:
- мотор должен быть очень мощным и малооборотистым, до 250-300 об/мин;
- моторы от бытовой техники (соковыжималки, пылесосы) слишком шумные и требуют использования громоздкого редуктора или ременной передачи для понижения оборотов;
- лопасти крыльчатки необходимо тщательно сбалансировать, иначе во время работы вентилятор будет бросать из стороны в строну.
Варианты декорирования люстр с потолочными вентиляторами:
Люстра Чижевского своими руками
Люстра Чижевского – это не что иное, как ионизатор воздуха. Она изготавливается следующим образом:
- Спаять самостоятельно по указанной схеме, а лучше приобрести высоковольтный преобразователь постоянного напряжения отрицательной полярности.
- На металлический обруч (диаметр 1000 мм) натянуть в виде сетки медные оголённые провода диаметром 1 мм. Величина ячеек должна составлять 4 см.
- В углах ячеек сетки припаиваются иглы длиной 4-5 см.
- К ободу на одинаковом расстоянии (120º) крепятся 3 медные проволоки, которые затем подсоединяют к одному контакту.
- Контакт подключают к электросети через преобразователь.
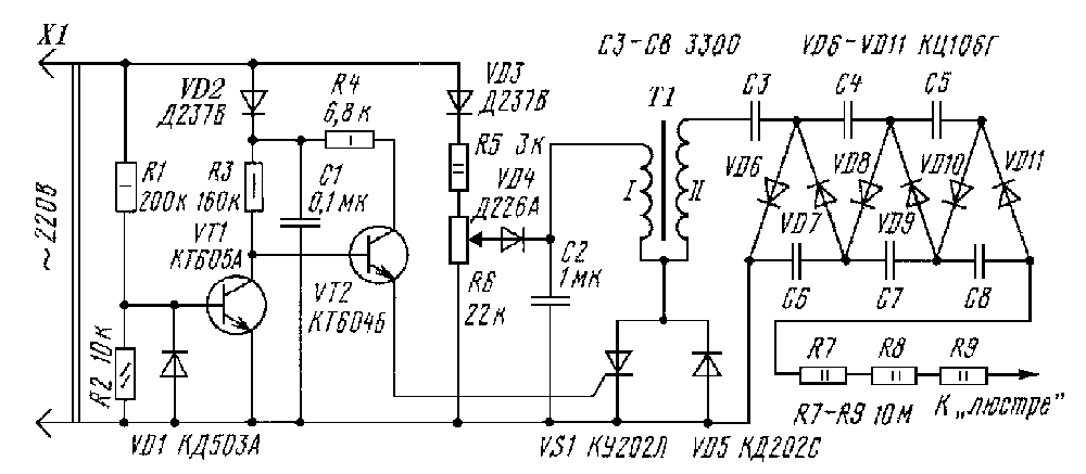
ФОТО: люстрачижевского.рфСхема электрического преобразователя для люстры Чижевского
ФОТО: люстрачижевского.рфПринципиальная конструкция люстры Чижевского
Подробнее об эффекте и истории создания Люстры Чижевского можно посмотреть на видео:
Watch this video on YouTube





































