Описание возможных методов подключения ABP

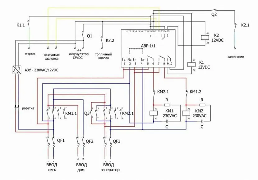
Взаимосвязь контактов КМ1 и КМ2Источник asutpp.ru
Когда осуществляется подключение генератора с автозапуском, самое главное в этом процессе позаботиться о том, чтобы исключить малейшую возможность попадания в схему встречных токов. Это может случиться при неправильном срабатывании контакторов, то есть, питание пойдет с двух источников. Вверху есть простенькая схема с клеммами K1 и K2, которые всегда должны находиться в разном положении. Когда включается один, другой обязательно размыкается и наоборот. На данный момент в интернете можно найти не одну схему, указывающую, как происходит автозапуск для бензогенератора, но общий принцип с учетом положения K1 и K2 никогда не изменится.

Принцип подключения ввода резерва никогда не изменяетсяИсточник asutpp.ru
Также никогда не меняется место расположения ABP на схеме, хотя физически его можно повесить где угодно – даже на потолке. Суть врезки заключается в том, что автомат всегда будет между электросчетчиком и подстанцией и никто не станет ставить его после счетчика, чтобы не пришлось платить за электроэнергию, которую вы сами и производите.

Принципиальная схема для частного домаИсточник asutpp.ru
Когда речь идет о частном доме, то автозапуск для генератора можно собрать по схеме, расположенной выше. Да, вы видите именно принципиальный варрант установки ABP, но для того, чтобы составить конкретную схему монтажа, нужно в точности знать расположение, вид и мощность оборудования, которое должно запускаться от резерва. Так что, если проявите немного смекалки, то подтянете эту схему к потребностям вашего здания и электроприборов, расположенных в нем.

Детальная схема подключения АВРИсточник asutpp.ru
Прежде чем самостоятельно собирать систему по принципиальной схеме, изучите этот вариант в деталях, как показано на изображении вверху. Здесь K1 и K2, это контакторы, о которых мы говорили выше, а обведенные окружностями цифры показывают номера клемм. То есть, если вы разберетесь с тремя схемами, приведенными в этом разделе (Описание возможных методов подключения ABP), то сами сможете установить автоматический запуск генератора для своего дома.
Частые ошибки, правила монтажа и подключения
температура помещения
Ту комнату, где находится источник питания и его батарея, желательно также прогревать до температур от 18 до 25 градусов. В противном случае это все скажется на емкости АКБ и сроках ее службы.
А еще, если в ней не поддерживать постоянный температурный режим, то перепады “тепло-холодно” могут способствовать появлению конденсата внутри оборудования.
Не забывайте про вентиляционные отверстия для охлаждения у инвертора.
все электроприборы должны быть по возможности максимально удалены от газовых и водопроводных труб
И уж тем более не нужно ставить их под вентилями или любыми соединительными стыками и муфтами.
обязательно используйте розетку с заземлением, либо заземляйте сам корпус прибора через отдельный винт
ИБП это фактически активный фильтр внешнего сигнала сети. Через него может происходить сброс излишков потенциала на землю.
не рекомендуется ставить бесперебойник и аккумуляторы непосредственно на пол
Делайте какую-нибудь подложку. Хоть на табуретку поставьте.
Во-первых, это обеспечит изоляцию от холодного основания. Во-вторых, защитит оборудование от возможных протечек в системе водоснабжения.
параллельное подключение источника и сети запрещено
Разрешается только последовательное соединение инвертора и потребителя.
нельзя заряжать АКБ от внешнего зарядного устройства, если он в этот момент подключен к ИБП
Питание газового котла при отключении электроэнергии.
Доброе время суток. Дано: Дом в котором в будние дни нет жильцов. Котел газовый Protherm Протерм Медведь 50 KLZ. ( ” > ) Дом в 120 км от места моего постоянного проживания.
Задача: обеспечить работу котла и неуход его в аварию во время отключения электроэнергии. Максимальное время отключения электроэнергии в прошлые годы составило 8 часов.
Мне очень порекомендовали следующий комплект: Источник бесперебойного питания SKAT-UPS 1000 ипс. Т (для котлов) ( ” > ) Три АКБ на 65 65 Ач, 12В и всё это добро запихать в металлический бокс для аккумуляторных батарей УМБ – 3/120
В итоге комплекс выходит стоимостью за 35 тыс рублей. И вот мучает меня вопрос – душить жабу или существует ли более дешевое решение ?
С уважением Дмитрий
приобрел для своего котла в деревню ИБП Rucelf UPI-400-12-EL за 4500р и подключил к нему два старых АКБ автомобильных по 55 А-ч. Держит больше 8 часов. Судя по описанию котла и ИБП, мощности 15 Ватт котла и 1000 ИБП – смысл переплаты?
Есть мнение, что в описании котла незаслуженно забыты два циркуляционных насоса, а 15 ватт кушает только автоматика котла.
Я думаю что вместе с насосами общая потребляемая мощность будет под 200 ватт. отсюда и мощность бесперебойника.
А я давно по всему дому освещение и несколько розеток у себя в комнате сделал бесперебойниками. Два АКБ на 60АЧ. только котел держит более суток. В случае чего можно заменить двумя АКБ с авто, или быстро зарядить.
Как выбрать резервный источник питания?
Самый популярный вариант — источник бесперебойного питания, сокращенно ИБП. Он обеспечивает вторичную подачу электропитания на прибор, при кратковременном отключении энергии на линии.
Чаще всего его применяют для обеспечения питания компьютера, чтобы человек успел доработать, сохранить информацию и выйти из системы в штатном режиме в случае прекращения подачи тока от основного источника.
Конечно, обычный бесперебойник от компьютера не подойдет для газового котла. Максимум, что он сможет сделать, продлить устройству функциональность на 2-3 минуты, так как на выходе выдает аппроксимацию синусоиды или меандр, а котел требует чистый синус. Учтите это при покупке прибора.

Грамотный выбор ИБП для котла позволит вам обеспечивать подачу топлива даже при отключении электричества на линии
В идеале подойдет бесперебойник мощностью 300-600 Вт, с возможностью подключения АКБ до 600 А*ч. Емкости такой батареи хватит на 3 суток.
Но если вы, по какой-то причине хотите сэкономить, учтите, что:
- 50-100 А*ч, продлит работу котла на период от 3 до 8 часов;
- 200 А*ч — хватит примерно на сутки бесперебойной функциональности.
Более суток отключения требуют более мощного источника питания. И тут лучше всего выбрать инверторный бензиновый генератор, также обладающий чистой синусоидой. При помощи этих устройств газовый котел будет работать после отключения нагрузки в стабильном режиме.
Достоинства и недостатки
К преимуществам оборудования относятся:
- отсутствие зависимости от подачи электроэнергии и затрат на ее проведение;
- высокий КПД – до 92%;
- надежность и безопасность (в случае критического падения давления газа агрегат отключится);
- широкий рабочий диапазон температуры, особенно в моделях российского производства;
- высокий уровень тепловой мощности;
- низкий уровень шума при работе за счет отсутствия насоса;
- возможность выбирать настенные, напольные модели, причем компактные и функциональные.
Отсутствие дополнительной электронной начинки делает такие котлы надежными. Оборудование считается более ремонтопригодным, поскольку отсутствуют сложные детали, которые могли бы выйти из строя.
У котлов обнаружены и недостатки:
- менее точное поддержание заданной температуры по сравнению с моделями, работающими на электричестве;
- отсутствие некоторых функций, в т. ч. нет возможности установить погодозависимую автоматику, которая регулировала бы работу котла в зависимости от наружной температуры;
- необходимость устройства дымохода с хорошей тягой (если его не будет, то система защиты станет постоянно срабатывать, блокируя аппарат), а также потребность в качественной вентиляции помещения.
Перед установкой подобного агрегата нужно тщательно взвесить все за и против. Учитывают, что снижаются только затраты на электроэнергию, расходы на горючее зависят от модели прибора.
Импортные котлы и перепады напряжения
Помимо полного отключения часто встречаются и скачки напряжения в сети. Отечественные котлы относительно хорошо справляются с такими явлениями, а вот импортные очень чувствительны к перепадам. Некорректно начинает работать горелка с электроподжигом, циркуляционные насосы, другие энергозависимые элементы. Эта проблема решается установкой стабилизатора напряжения. Он поможет избежать поломки.
Сами производители рекомендуют использовать стабилизаторы. Во многих случаях если котел эксплуатировался без стабилизатора и вышел из строя, владельцу могут отказать в гарантийном ремонте.
В идеале стабилизаторы напряжения нужно ставить не только на котел, но и на весь дом
Здесь важно правильно подобрать мощность. Рекомендуем перед покупкой и установкой получить консультацию эксперта

Конструктивные особенности

Агрегаты делятся на устройства с естественной и принудительной тягой. В первой разновидности предусмотрена атмосферная горелка и отсек сгорания открытого типа. Воздух поступает из помещения, где установлен котел, дым отводится за счет естественного передвижения воздуха. Оборудование устанавливается в помещениях с соблюдением норм безопасности.
В агрегатах принудительного действия воздух забирается с улицы или соседней комнаты (реже). Потоки перемещаются вентилятором по коаксиальным или раздельным воздуховодам небольшого диаметра. Есть возможность организации отвода продуктов горения в горизонтальной плоскости через стену. Оборудование принудительной подачи ставится в любом подходящем помещении.
Разновидности энергонезависимых котлов
Агрегаты производятся как одноконтурными, предназначенными только для отопления, так и двухконтурными, обеспечивающими и горячее водоснабжение. При необходимости обеспечить ГВС нужно покупать модели мощностью свыше 12 кВт даже для дома небольшой площади.
Энергонезависимые агрегаты монтируются на стену или пол.
Чаще встречаются устройства второго типа. Однако производят и условно-настенные котлы, их называют парапетными. Означает, что приборы можно разместить на стене, но на уровне не выше чем подоконник. Такие аппараты считаются подходящими для городской квартиры.

Область применения и классификация
Котлы подходят практически для любого частного дома, причем это может быть большое строение.
Однако есть ограничения. Лучше всего энергонезависимые агрегаты подходят для домов 150-160 м², поскольку на большей площади организовать хорошую естественную циркуляцию теплоносителя затруднительно. Для домов возможна установка котла соответствующей мощности в сочетании с ИБП и генератором (достаточно модели на 1 кВт). Это сохраняет независимость от центрального энергоснабжения, но в то же время повышает эффективность использования агрегата.
Правила установки оборудования
Большинство котлов производят напольными, но также бывают энергонезависимые газовые котлы отопления настенные двухконтурные. Для оборудования обязательно нужно устроить отдельное помещение
Это важно и для условно-настенных моделей, поскольку приборы выжигают кислород, забирая воздух непосредственно из комнаты
При установке важно обеспечить нормальное давление в газовой магистрали. В большинстве жилых домов оно составляет 50 мбар, а для энергонезависимого котла достаточно 13-15 мбар
Но в некоторых регионах для этого показателя характерны резкие перепады. В таких случаях лучше отказаться от установки энергонезависимого оборудования.

Самые популярные модели
Эффективный напольный агрегат – энергонезависимый котел Protherm Волк 16 KSO, который относится к категории бюджетного оборудования. Мощность составляет 16 кВт. Т. е. при наличии качественного утепления и энергоэффективных окон прибор обеспечивает обогрев дома площадью до 150 м². При этом у него высокий КПД на уровне 92,5% – редко встречаются котлы с большим показателем.
Расход газа составляет 1,9 м³/ч, что для оборудования такого типа считается приемлемым уровнем. Модель оснащена стабилизатором тяги. Практически бесшумно работает, отличается простотой монтажа и управления при том, что установлены самые простые стандартные механические элементы.
Прибор отличается высоким КПД на уровне 88%, при этом расходует мало топлива и работает с максимальным уровнем безопасности. Агрегат оснащен современной автоматикой, защищающей от перегрева и утечки газа. Характерен долговечный и прочный чугунный теплообменник.

Критерии выбора
При выборе энергонезависимого оборудования важным моментом считается мощность, 1 кВт на каждые 10 м² площади. Однако не стоит забывать о теплопотерях, которые также учитываются в расчете. Котлы покупают с запасом по мощности минимум на уровне 15-20% от первоначального показателя.
Чугунные теплообменники отличаются толстыми стенками. Они дольше нагреваются, зато и тепло держат так же. Кроме того, устойчивы к коррозии. Чугун намного прочнее стали. Срок его службы в среднем 20-25 лет, у стального теплообменника – 8-10 лет. Но и весят котлы с чугунным элементом больше.
Критерий выбора – это КПД. Отражает соотношение потребляемого газа к количеству выработанного тепла. У современных котлов расход топлива до 0,7 м³/ч. Но сравнивать это нужно с показателем тепловой мощности.
Для агрегата мощностью в 16 кВт потребление топлива на уровне 1,7-1,8 м³/ч дает КПД свыше 90%, что считается хорошим показателем. Сам расход горючего тоже важен, но только при подсчете расходов на эксплуатацию.
Как поступать с периодическими отключениями электроэнергии?
В отдаленных от крупных городов регионах это распространенная проблема. И чтобы не волноваться, что будет с котлом если отключат свет, есть два решения.
Решение №1. Генератор
Этот вариант подходит скорее для дачных домиков и в целом не особенно удобен. Да, генераторы дают хорошую автономность, но они неудобны. Обязательно нужно позаботиться о грамотном отводе выхлопных газов. Плюс во время работы генераторы сильно шумят. Поэтому такое решение мы не можем рекомендовать всем.
Решение №2. Источник бесперебойного питания
Современные модели ИБП позволяют котлу проработать автономно от 1 часа до нескольких дней. Плюс они выполняют функцию стабилизатора, что решает и проблему скачков напряжения. Встроенный стабилизатор выравнивает даже минимальные скачки, а благодаря возможности подключения нескольких аккумуляторов можно достичь очень высокой автономности. Плюс стабилизатор обеспечивает самим аккумуляторам безопасность во время подзарядки. Таким образом срок эксплуатации системы заметно увеличивается.

Выбор модели независимого котла
Котлы газовые работающие без электричества должны полностью соответствовать площади отапливаемого помещения. То есть мощность должна соответствовать нагрузке.
Двухконтурные модели зарубежных компаний-производителей часто дороже, чем отечественные, так как они более усовершенствованы и имеют привлекательный дизайн
Производителя газового котла нужно выбирать тщательно, важно убедиться, что сервисный центр этой фирмы есть в городе или поблизости. Так как при потребности там можно будет найти запчасти для ремонта устройства
Самыми популярными производителями подобного оборудования являются Alphatherm, Beretta – Италия, Attack – Словакия, Protherm – Чехия, Electrolux — Швеция.

Рис. 2 Котел без электричества компании Protherm
Отечественные модели независимых котлов дешевле иностранных, но считаются менее надежными. Но следует отдать должное, что такие приборы уже адаптированы к нашим погодным условиям и параметрам, при которых они должны работать.
Газовый котел без электричества можно выбрать со стальным или чугунным теплообменником. Наиболее популярными являются чугунные устройства. Что объясняется сроком эксплуатации: чугун прослужит 30 лет, а сталь 15-20 лет.
Чугун не только прочнее, но и по конструкции предусмотрено, что стенки такого теплообменника толще. Это не позволяет прогорать стенкам теплообменника. Такое устройство проверено на практике.
Также теплообменник может подвергаться коррозии. Чугунный прибор намного меньше подвержен таким повреждениям в отличие от стали. Коррозия на теплообменнике появляется, в том случае если температура опускается до того что появляется конденсат. И эта самая влага и приводит к коррозийным процессам.
Также чугунный теплообменник по своей конструкции складывается из секций. При надобности можно поменять секцию, а не все устройство. Сейчас в сплав чугуна добавляют примеси, которые делают его еще прочнее. А значит, он не потрескается при неправильной транспортировке.
Как подключить ИБП к газовому котлу. Ошибки в схеме.
Если вы уже определились с выбором ИБП для вашего котла, следующей задачей будет правильно его установить и подключить.
Кстати, можете проверить себя, не совершили ли вы катастрофической ошибки при покупке бесперебойника. Узнать об этом можно из статьи «5 ошибок при выборе ИБП для газового котла«.
В первую очередь ИБП необходимо подсоединить к аккумуляторам. При подключении батареи к инвертору он должен находиться в выключенном состоянии.
Для подсоединения чаще всего используются провода двух цветов:
Не во всех моделях есть защита от переполюсовки, поэтому проверяйте полярность внимательнее.
При подключении второй клеммы, вполне возможно появление искры, что считается допустимым.
Хорошо подтягивайте контакты, но чрезмерного усилия здесь не требуется.
Если у вас две батареи, то предварительно их нужно последовательно соединить друг с другом.
Если нет заводской перемычки, сделайте ее из медного провода сечением минимум 16мм и медных наконечников.
Соединять между собой нужно плюсовой и минусовой контакты разных АКБ. И только после этого подкидывайте провода от UPS на оставшиеся клеммы ”+” и ”-”.
А если у вас есть 3,4,5 шт батарей, можно их все подключить таким же способом? В этом моменте также будьте внимательны.
Не монтируйте аккумуляторов больше чем разрешено заводской инструкцией. Это также может быть обговорено заводом производителем.
Если все нормально, отключаете питание. Теперь нужно подсоединить к ИПБ сам котел. Для этого его нужно обесточить.
и подключить через выходную розетку бесперебойника.
После чего, запустить ИБП и далее сам котел.
Проверьте что показывает индикация на табло.
Там обычно высвечиваются следующие данные:
Подключение через ближайшую вилку с розеткой, самый простой способ и тут ни у кого неразрешимых сложностей возникнуть не должно.
А вот если мощность ИБП большая, то его придется подключать непосредственно от распределительного щитка. Придется устанавливать отдельные автоматические выключатели и тянуть выделенную линию на отдельные токоприемники.
Схема подключения будет выглядеть следующим образом:
Для проверки автономности, необходимо первый раз искусственно имитировать отключение электроэнергии. Для этого выключите фазный автомат питания в щитке на котельную.
Именно автомат, а не вилку из розетки
Для фазозависимых моделей важно не разрывать фазу и ноль одновременно
После того, как пропало питание от сети, на жк дисплее должно высветиться, что входящее напряжение равно нулю, а исходящее по прежнему в пределах 220В.
Далее следует проверить электророзжиг котла. Отключаете его от питания и заново включаете.
Если в вашем ИБП не правильная синусоида, то электророзжиг не зажгется.
Если же все прошло успешно, вы можете быть уверены, что ваша котельная защищена на 100%. Даже когда вас нет дома.
Ту комнату, где находится источник питания и его батарея, желательно также прогревать до температур от 18 до 25 градусов. В противном случае это все скажется на емкости АКБ и сроках ее службы.
А еще, если в ней не поддерживать постоянный температурный режим, то перепады «тепло-холодно» могут способствовать появлению конденсата внутри оборудования.
Не забывайте про вентиляционные отверстия для охлаждения у инвертора.
- все электроприборы должны быть по возможности максимально удалены от газовых и водопроводных труб
И уж тем более не нужно ставить их под вентилями или любыми соединительными стыками и муфтами.
- обязательно используйте розетку с заземлением, либо заземляйте сам корпус прибора через отдельный винт
ИБП это фактически активный фильтр внешнего сигнала сети. Через него может происходить сброс излишков потенциала на землю.
- не рекомендуется ставить бесперебойник и аккумуляторы непосредственно на пол
Делайте какую-нибудь подложку. Хоть на табуретку поставьте.
Во-первых, это обеспечит изоляцию от холодного основания. Во-вторых, защитит оборудование от возможных протечек в системе водоснабжения.
Разрешается только последовательное соединение инвертора и потребителя.
- нельзя заряжать АКБ от внешнего зарядного устройства, если он в этот момент подключен к ИБП
Есть так называемые фазозависимые котлы отопления. Для них критичен момент, куда подается фаза, а куда ноль.
Опасны ли перебои в подаче электроэнергии?
Продавцы энергонезависимых устройств и источников бесперебойного питания рассказывают покупателям жуткие истории, которые кажутся вполне правдоподобными. Человек, ничего не понимающий в устройстве котла, поверит, что в случае отключения электроэнергии подача газа к горелке продолжается.
Что на самом деле происходит? При выключении датчиков температуры, электронного блока управления и насоса в камере сгорания происходит неконтролируемое сгорание топлива, а это значит, что жидкость в теплообменнике перегревается.
В результате трубы не выдерживают, деформируются, и вода из них лопается, выключая горелку атмосферного газового котла. Газ попадает в комнату и создает взрывоопасную ситуацию или просто отравляет людей и животных. А если котел оборудован системой вентиляции под давлением, то на улице. Это тоже опасно и не экологически безопасно.
Вы согласны, что это выглядит правдоподобно и устрашающе? Вы уже решили подать заявку на энергонезависимый котел? Но тщетно!
Не избегайте проведения работ по техническому обслуживанию газовых приборов и их компонентов. Тесты покажут их работоспособность, особенно после перебоев в подаче электроэнергии
Действительно, электрически зависимые котлы занимают лидирующие позиции на рынке продаж. Устанавливаются на дачных участках, частных домах, у хозяев полдня на работе, нежилых помещениях, в которых проводится длительный ремонт.
Перебои в подаче электроэнергии, как уже упоминалось выше, случаются довольно часто. И почему-то отсутствуют данные о масштабных ежечасных трагедиях отравлений угарным газом или взрывов.
Кроме того, такое опасное устройство не будет сертифицировано и никоим образом не может соответствовать ГОСТу, а значит, газовикам не разрешат его использовать.
Теперь о технических деталях. По сути, в приборах есть надежная система, которая гарантирует отключение котла при возникновении форс-мажорных обстоятельств, в том числе при отключении электроэнергии.
На какой срок отключают электроэнергию?
Если вы, прожив год или два в населенном пункте не испытали на себе частых и продолжительных отключений электроснабжения, это вовсе не означает, что их не будет.
Не застрахован никто и практически нигде. Даже в местах, близко расположенных к большим городам были случаи недельного обесточивания из-за погодных условий.

В 2016 году, из-за сильнейшего ледяного дождя целые населенные пункты Подмосковья неделю сидели без стабильного отопления
Обычно, период, на который прекращается подача тока, зависит от ее причины:
- Кратковременное отключение на срок от получаса до 2 часов в связи с плановой проверкой сетей или превышением лимитного потребления.
- Ликвидация аварийных ситуаций несложного характера, подключение новых абонентов — от 3 до 6 часов.
- Короткие замыкания, неисправность КТП — 12-24 часа.
- Серьезные аварии, сопряженные негативными погодными условиями, невозможностью быстро отремонтировать линию — от 1 до 3 дней.
Если первые 3 ситуации вполне терпимы по срокам, то при условии слабой теплоизоляции конструкции дома или наличия жильцов, которым противопоказана прохлада, последний вариант крайне нежелателен. Кроме того, даже эти сроки не могут гарантировать, что даже по их истечению возобновиться подача электроэнергии, лучше перестраховаться.
Многие люди ставят альтернативный источник отопления, например, печь, камин и это, без сомнения, разумное совмещение, когда дома кто-то находится постоянно и сможет контролировать протопку, но куда проще и даже дешевле установить систему резервной подачи электроэнергии.
Какие элементы котла зависят от электричества?
Отключение электричества в домах не только внутри страны, но и в городах случается довольно часто. Они возникают из-за аварийных ситуаций, плановых ремонтов и технических работ, поломок на линии. И самое досадное, что при отключении электричества парализуется работа газового котла, если он энергозависимого типа.
Энергонезависимый газовый котел продолжает нормально работать даже в случае отключения электроэнергии. Единственное исключение – если в связке с ним работает насос и отсутствует система гравитационной циркуляции теплоносителя.
Энергонезависимые котлы имеют самый простой и базовый набор функций. Они менее удобны в использовании, чем их летучие аналоги. Но их работа абсолютно не зависит от подачи энергии в домашнюю электросеть, к тому же у них меньше шансов выйти из строя
В отопительном контуре с котлом простейшего типа набор основных элементов примерно такой:
- система отвода дымовых газов с естественной тягой;
- теплообменник;
- газовая горелка с форсунками для подачи газа, которая находится в камере сгорания;
- газовый блок питания и розжига;
- расширительный бак;
- механический термодатчик;
- модуль управления, в который входит система розжига котла (механическая или пьезо), регулировка температуры;
- группа безопасности (предохранительный клапан, манометр, воздухоотводчик).
Энергозависимые устройства сложнее в устройстве
Но действительно ли электричество необходимо и важно для работы газового котла?. В зависимости от модели и марки, помимо одного и того же набора базовых элементов, в некоторых случаях электронных и автоматических, они могут включать такие функции, как:
В зависимости от модели и марки, помимо одного и того же набора базовых элементов, в некоторых случаях электронных и автоматических, они могут включать такие функции, как:
- система принудительной вентиляции;
- встроенный циркуляционный насос;
- модуль управления электронной системой;
- запорно-регулирующая арматура на электроприводе;
- различные датчики: расхода воды, температуры, подачи пламени, давления воды в системах, реле давления, аварийные комплексы;
- блок пьезопжига с электроприводом;
- автоматические терморегуляторы;
- система оповещения и дистанционного управления;
- дисплей с выводом текущих показателей устройства
Агрегаты этого типа более надежны и намного удобнее в использовании, к тому же они экономичны. Автоматику можно включать и выключать в режиме, снижая расход топлива, создавая комфортный микроклимат в доме, не беспокоясь о безопасности и производительности.
Современные котлы полны электроники. При выборе устройства также установите стабилизатор напряжения, чтобы защитить его от скачков напряжения
Единственный минус, после отключения электроэнергии летучий газовый котел не сможет полноценно функционировать. Сложно сказать, какие функции будут полностью отсутствовать, это зависит от модели котла. Некоторые агрегаты имеют комбинированную систему управления: механическую и электронную.
однозначно, что принудительная вентиляция, автоматическое регулирование подачи пламени к горелке, насосу, дисплею, электронному модулю управления, в целом все устройства, работающие с электроприводом и постоянной подачей тока, работать не будут.
Но так ли все это страшно?
Защитные устройства отключения подачи газа
В составе автоматики газового котла в качестве быстро действующей запорной системы нередко применяется отсечный клапан, в народе называемое просто отсекателем. В отличие от другой запорной арматуры клапан обладает автоматическим срабатыванием.
Его основное назначение – подача газа на горелку с нужным давлением при заданной мощности и полное прекращение подачи топлива в случае возникновения неисправностей. Осуществляется этот процесс за счет приборов контроля со встроенными датчиками.
Газовые пьезо-блоки являются энергонезависимыми, но могут быть использованы к котлах обоих типов
Автоматика различается по типу розжига – выделяют пьезорозжиг и электро-поджиг.
Пьезорозжиг – это когда запуск производится вручную, за счет нажатия кнопки. Осуществляет контроль работы пламени – термопара, которая подогревается запальником и вырабатывая постоянный ток, обеспечивает открытое состояние клапана.
Как только в силу каких-то причин запальная горелка перестает подавать открытое пламя, электроклапан закрывается и ток газа прекращается. Пьезорозжиг является энергозависимым элементом автоматики.
Электрический блок розжига подключается к источнику электропитания. Запуск производится от электроискры в автоматическом режиме. Эта система является энергозависимой и при отключении тока, клапан устройства перекрывает подачу газа.
Выглядит это примерно так. Дифференциальное реле обладает двумя контактами. Во время работы отопительного прибора в штатном режиме, замкнут один блок. Когда происходит какое-либо изменение в работе котла, например, отключают электроэнергию, срабатывает второй блок, а первый размыкается. Реле перемещается, прогибается мембрана и происходит отсечение подачи газа.
Какие элементы котла зависят от электричества?
Остановки электроснабжения домов не только в глубинках, но и в городах происходят достаточно часто. Случаются они по причине аварийных ситуаций, плановых ремонтных и технических работ, поломок на линии. И самое неприятное, что при отключении электричества работа газового котла парализуется, если он энергозависимого типа.
Энергонезависимый газовый котел продолжает функционировать в обычном режиме, даже если на линии электропередач произошло отключение. Единственное исключение, если в связке с ним работает насос, и не предусмотрена система гравитационной циркуляции теплоносителя.
Энергонезависимые котлы обладают простейшим, базовым набором функций. Они менее комфортны в эксплуатации, чем их энергозависимые собратья. Зато их работа абсолютно не зависит от поставок энергии в домашнюю электросеть, к тому же они реже выходят из строя
В отопительном контуре с котлом простейшего типа набор основных элементов примерно такой:
- система дымоудаления с естественной тягой;
- теплообменник;
- газовая горелка с форсунками для подачи газа, которая находится в камере сгорания;
- блок подачи газа и розжига;
- расширительный бак;
- механический термодатчик;
- управляющий модуль, в который входит система розжига котла (механическая или пьезо), регулировка температурного режима;
- группа безопасности (предохранительный клапан, манометр, воздухоотводчик).
Более сложны в устройстве энергозависимые приборы
Но так ли нужно и важно электричество для функционирования газового котла?. В зависимости от модели и марки, помимо того же базового набора элементов, в отдельных случаях, электронного и автоматического типа, в них могут быть предусмотрены такие функции как:. В зависимости от модели и марки, помимо того же базового набора элементов, в отдельных случаях, электронного и автоматического типа, в них могут быть предусмотрены такие функции как:
В зависимости от модели и марки, помимо того же базового набора элементов, в отдельных случаях, электронного и автоматического типа, в них могут быть предусмотрены такие функции как:
- система принудительной вентиляции;
- встроенный циркуляционный насос;
- электронный модуль управления системой;
- запорно-регулирующая арматура на электроприводе;
- различные датчики – протока воды, температуры, подачи пламени, давления воды в системы, маностат, аварийные комплексы;
- блок пьезорозжига с электроприводом;
- автоматические регуляторы температурного режима;
- система оповещений и дистанционного управления;
- дисплей с выводом текущих показателей работы прибора
Агрегаты такого типа надежнее и намного удобнее в эксплуатации, а кроме того, они экономичны. Автоматике можно задавать режимы включения и выключения, снижая расход топлива, создавать комфортный микроклимат дома, не беспокоиться за безопасность и работоспособность.
Современные котлы напичканы электроникой. При выборе приборе, установите также стабилизатор напряжения для защиты от скачков в сети
Единственный минус, после отключения электричества энергозависимый газовый котел полноценно работать не сможет. Сложно сказать, какие именно функции будут отсутствовать вовсе, это зависит от модели котла. Некоторые агрегаты обладают комбинированной системой управления — механической и электронной.
Точно, что не будет функционировать принудительная вентиляция, автоматическая регулировка подачи пламени на горелку, насос, дисплей, электронный модуль управления, в общем все устройства, работающие на электроприводе и постоянной подаче тока.
Но все ли так страшно?
Определение подходящей модели такой установки как газовый котел без электричества
Главным ориентиром для определения подходящей модели такой установки как автономный газовый котел без электричества — соответствие его мощности для отопления требуемой площади, при этом данная характеристика должна соответствовать и нагрузке на установку.Двухконтурный вид котла, изготовителем которых, в основном, являются зарубежные компании, часто определяются более серьезной ценовой категорией. Это объясняют повышенным качеством, дизайнерским оформлением и более усовершенствованным функционалом прибора по сравнению с отечественными аналогами. При этом, определять производителя газовой установки следует с особым усердием, особенно стоит учесть наличие сервисных центров представленной фирмы в городе или поблизости, ведь прибор требует обслуживания, а иногда и ремонта.
К наиболее популярным и качественным производителям газовых автономных котлов причисляют следующие компании: итальянские изготовители Alphatherm и Beretta – Италия, словенскую компанию Attack, Protherm чешского производства и Electrolux швейцарского изготовления.
Хотя модели от отечественных производителей более привлекательны по отношению цены, их надежность не всегда соответствует уровню зарубежных аналогов. Хотя у них есть свое особенное преимущество — модели производят по всем параметрам соответствующим использованию котлов при местных температурных условиях.
Лучше отдать предпочтение газовому котлу с теплообменниками для изготовления которых использовали чугун или сталь, при этом особое внимание следует обратить именно на первый вариант материала
К тому же, после долгих лет использования газового котла, теплообменнику свойственно подвергаться коррозии. При этом чугун более преимущественный, нежели сталь. Коррозия да данном элементе прибора может возникнуть в следствии падения температуры, что влечет за собой образование конденсата. Коррозийные процессы в таком случаи провоцируются выделяемой влагой.
К тому же, конструкция теплообменника предусматривает наличие секций. При непригодности одной из них нецелесообразно менять весь теплообменник, достаточно замены. На данных производственных этапах к чугуну добавляют всевозможные примеси, которые значительно повышают прочностные характеристики котла в целом, что обеспечивает ему дополнительную безопасность при транспортировке.





































