Подвесной унитаз: размеры с инсталляцией
Вид унитазов сбоку: практически одинаковый, не имеет особенностей, считается стандартным. Однако монтаж изделия проводится различными вариантами
Особенно стоит уделить внимание конструкциям, в которых есть инсталляция. В чем преимущество таких моделей? Они обладают узким бачком, устанавливающимся в нишу в стене
Осуществить монтаж не сложно и не потребуется обращаться к специалисту за большие средства.
Перед установкой подвесного унитаза стоит изучить советы специалистов и посмотреть обучающее видео
Стоит заметить, что инсталляции могут быть разных типов:
- Рамная, монтаж которой проводится на легкую перегородку или капитальную стену.
- Блочная, которая является упрощенной конструкцией, а монтаж ее делается только на поверхность стены.
Размер инсталляционной системы в каждом виде особенный. У монтажных блоков -1140х500х180 мм. У угловых конструкций 1120х460х200. У пристенных изделий 1385х525х150-205 мм. Не редко встречаются модели укороченного вида, параметры которых отличаются не сильно, однако они более узкие. Как правило, такие конструкции изготавливают иностранные производители.
Правила выбора габаритов подвесного унитаза
Перед тем как идти в магазин, придётся немножко поползать по полу с рулеткой. Измерить нужно будет ширину и длину туалета (если санузел совмещённый — того пространства, в которое планируется поставить унитаз). Чтобы уборка была комфортной, а спереди коленки не упирались в стену или дверь, мысленно просчитайте:
- какой должна быть ширина чаши, чтобы с боков до стен (или других предметов) оставалось ещё как минимум по 25–30 см;
- какой должна быть сумма глубины инсталляции и длины чаши, чтобы до передней стенки или двери осталось не меньше 55–60 см.

Определите для себя, на какой высоте вам будет наиболее удобно сидеть на «белом троне», чтобы не напрягались колени и не свешивались ноги.

Как видите, ничего сложного. Стоит лишь дополнительно потратить совсем чуть-чуть своего времени. Ведь если вы этого не сделаете, времени и сил на переделку может уйти гораздо больше.
Исключения из правил
Из норм, определяющих оптимальную точку расположения унитаза, есть исключения. Их наличие определяется техническими характеристиками помещения.
Причиной этому могут стать: недостаточность свободной площади, расположение коммуникаций или личное желание владельца.
Нарушение технических регламентов расположения унитаза не является нарушением положений какого-либо закона, если данная санитарная точка располагается в негосударственном учреждении или за пределами объекта особого назначения: больницы, детского сада, школы, воинской части и подобных. Владелец помещения волен сам определять месторасположения санузла.
Высота установки унитаза от пола
Согласно статистики, человек проводит на унитазе почти 2 года своей жизни. Для того чтобы на протяжении этого периода он чувствовал себя комфортно изобретены сотни моделей этих устройств. Это могут быть конструкции, состоящие из сливного бачка и чащи, системы слива, подвесные модели.
Унитазы – виды и размеры
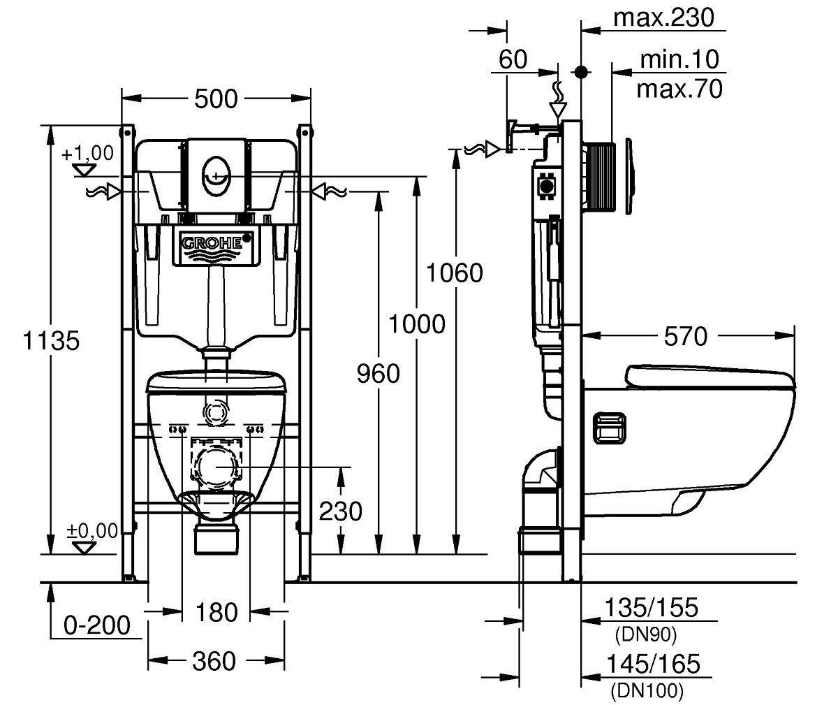
– консольный тип. Подвесные модели с каждым годом становятся все более популярными. Связано это, прежде всего, с их миниатюрными размерами. Внешне такое устройство кажется гораздо меньше, потому как сливной бочок устанавливается в стене, а взгляду открывается только чаща. Если речь идет в блочной инсталляции, то при монтаже она замуровывается в капитальную стену, что касается каркасной инсталляции – она встраивается под гипсокартонную панель. Подвесной унитаз с инсталляцией по своим габаритам практически не отличается от напольного.
Стандартные размеры подвесного устройства:
– ширина – 30-40 см
– высота подвесного унитаза – 50-60 см (подразумевается высота самой чаши).
Существуют модели с увеличенной длиной – до 700 мм. Если конструкция выполнена из фарфора, ее вес может достигать 25 кг, из фаянса – до 27 кг.
– унитазы-компакты. На сегодняшний день это самая популярная разновидность, состоящая из чаши и смывного бочка, а также необходимой арматуры. Чаша располагается на специальной ножке, которая упирается в пол. Бочок может крепиться отдельно (на стену либо к системе инсталляции) или ставится на цельноотлитую полочку с чашей. Такие модели предельно просты в установке, но в уходе более требовательны, так как приходится мыть не только чашу, но и ножку, бочок и систему коммуникаций.

– ширина – до 38 см,
– длина – до 67,5 см,
– высота унитаза компакта от пола вместе с бачком – до 80 см,
– высота сидения – до 40 см.
Вес устройства зависит от материла, из которого оно произведено. Фарфоровая модель будет весить до 28 кг, фаянсовая – до 31 кг.
– угловые унитазы. Предназначены для комнат нестандартной формы, где нельзя поставить обычную модель. Размеры таких устройств следующие:
– ширина – до 36 см,
– длина – до 76 см,
– высота вместе с бочков – до 81,5 см,
– высота сидения – 40 см.
– детская модель. Используется в домах с несколькими санузлами. Габариты устройства подвесного типа – 33 х 54 х 30 см, напольных вариантов – 31,5 х 51 х 69 см. Размеры указаны с учетом бачка.
Установка подвесного унитаза
Ставить напольную модель есть смыл лишь там, где отсутствует возможность скрытого пристенного монтажа трубопроводов. Во всех остальных случаях можно проводить монтаж подвесной модели.
Для установки подвесного устройства вам потребуется отвод для стояка и комплектующие для подключения, шпильки, тефлоновая лента, гибкий шланг, имеющий угловой вентиль (нужен для соединения смывного бачка и водоподводящей трубы).
Этапы монтажа
Наличие системы инсталляции существенно упрощает процесс установки, так как все что требуется – подвесить ее на шпильки и закрутить на них гайки. Но перед тем как приступить к монтажу, нужно определить высоту установки унитаза от пола. Подвесные модели должны монтироваться так, чтобы их верх размещался на удалении 40 см от напольного покрытия, в низ – на 5 см от поверхности пола. Выверить высоту установки подвесного оборудования можно с помощью регулировки системы инсталляции. Для детей можно установить оборудование ниже, для людей высокого роста – чуть выше.
Итак, оборудование навешивают на 2 шпильки, которые заворачивают в инсталляционную раму. Далее с помощью гаек поворачивают шпильки до упора. После того как расстояние от среза трубы в стене до поверхности плитки определено, производится раскрой сточной и водоподводящей трубы.
Подключаем унитаз к трубам, затем осуществляется окончательное затягивание гаек на шпильках. Крюки вводят снизу и сбоку отогнутой частью в отверстия нижней и верхней части крышки. Крышка переворачивается, и в отверстия вставляется крюк, снизу прикручиваются гайки.
Производим установку кнопки слива. Учитывая тот факт, что на сегодняшний день существует огромное количество моделей смывных кнопок, при монтаже следует руководствоваться инструкциями и чартерами. Перед тем, как приступить к монтажу кнопки открываем кран водоподачи и вставляем тросики, располагающиеся внутри сливного бачка, в отверстие на кнопке. Проверяем работоспособность конструкции и защелкиваем кнопку.
Материал для изготовления унитаза
Основной материал, из которого изготавливается унитаз, – керамика. Керамические изделия могут быть разного качества. Качество зависит от технологии и степени обжига. Унитазы могут быть изготовлены из фаянса и фарфора, визуально они мало чем отличаются друг от друга. Фарфор обладает высокой механической прочностью и стойкостью к агрессивной бытовой химии. Фаянс содержит до 85% глины и по сравнению с фарфором имеет высокую пористость, это увеличивает нежелательное впитывание воды. Изделие из фаянса быстрее становится желтым, срок его службы меньше, чем у фарфорового унитаза. Для повышения срока службы изделия из фаянса обильно покрывают глазурью. После определенного срока службы унитазы из фаянса покрываются мелкими трещинами. Это естественный процесс, и не является дефектом. Но фарфоровому изделию этот процесс несвойственен. Стоимость фарфоровых унитазов выше фаянсовых. Вид керамики не влияет на размер унитаза. Стандарт для готовых изделий имеет одинаковые габариты. Современные унитазы из фаянса по качеству ненамного уступают фарфоровому изделию. Производители фаянсовых сантехнических изделий дают гарантию на срок службы не менее 5 лет.
Виды унитазов с размерами
Как мы уже выяснили, существуют стандартные размеры унитаза с бачком, но в магазине вы можете обнаружить, что они не совсем соответствуют вашим представлениям. Рынок максимально подстраивается под спрос, потому в торговых точках можно отыскать модели настолько разнообразные, что бывает трудно сориентироваться. Кроме всего, модели устройств могут значительно влиять на их размеры. Давайте разберемся, какие же виды и типы унитазов обладают приемлемой в вашем случае высотой, шириной и длиной, чтобы сделать свой ремонт санузла идеальным.
Напольные угловые
Унитазы углового напольного типа зачастую встречаются в жилых квартирах, где совмещенные санузлы желательно сделать более просторными. Но и в нежилых домах бывают подобные типы установки, это далеко не редкость. Такая оригинальная установка не только придаст комнате необычный вид, но также позволит умело спрятать все сантехнические приспособления, вроде труб канализации и водопровода, надежно и красиво.
- Длина (глубина) – 72.5-79 сантиметров.
- Ширина – 34.5-37.5 сантиметров.
- Высота – 37-43 сантиметра.
Нужно понимать, что размеры углового унитаза будут напрямую зависеть от ширины того самого угла, куда он должен быть встроен. Подбирайте только подходящие модели, так как вариант «как-нибудь» тут точно не пройдет.
Подвесные инсталляции
Если пространство в санузле нужно максимально сэкономить, а бачок вообще желательно спрятать под поверхностью обшивки стен, то вам нужно выбирать подвесные инсталляции унитазов. Это действительно оптимальный вариант для данных целей, так как тут предполагаются плоские бачки, а также весьма компактные размеры, вкупе с оригинальным дизайном, выглядящим, словно картинки из будущего
Да и уборку такая инсталляция значительно облегчит, ведь на виду не будет никаких коммуникаций и труб, что очень важно
- Длина (глубина) – 48-70 сантиметров.
- Ширина – 35.5-37 сантиметров.
- Высота – 35-40 сантиметра.
Вопреки расхожему мнению и первому впечатлению, подвесные инсталляции вовсе не такие хрупкие и ненадежные, как могло бы показаться. Они способны выдержать нагрузку в 400-490 килограммов, а это вовсе не мало. Едва ли среди ваших знакомых найдется много людей с весом до половины тонны. Но и для более крупных нагрузок можно подыскать эксклюзивные варианты, на рынке есть множество предложений.
Эксклюзивно большие
Если инсталляция по каким-то причинам вас не устраивает, а люди, что будут использовать санузел имеют нестандартно крупную комплекцию, тогда предпочтение лучше отдать большим моделям, специально и предназначенным для подобных целей. По размерам бачка унитаза и остальным параметрам они гораздо больше, и потому чаще всего изготавливаются на заказ.
- Длина (глубина) – до 70-80 сантиметров.
- Ширина – от 40-45 сантиметров.
- Высота – 60-67 сантиметра.
При покупке такого унитаза, лучше сразу указать продавцу параметры, которые вам наиболее приемлемы. Так вам не придется гадать, подойдет изделие или лучше заказывать нечто совершенно эксклюзивное.
Встроенные
Данные модели унитазов с каждым годом приобретают все большую популярность среди потребителей и на это имеются особые причины. В большинстве случаев, эти конструкции схожи с инсталляциями, так как бачок, трубы подвода воды и канализации, обычно встроены в стену. Причем не обязательно такие унитазы являются подвесными, словно инсталляции, они могут угловыми и напольными и даже детскими.
- Длина (глубина) – 47-58 сантиметров.
- Ширина – 35.5-37 сантиметров.
- Высота – 39-42 сантиметра.
Все детали таких унитазов обязательно спрятаны за фальш-панелью или просто под отделкой стены, что придет помещению особую эстетику, да и значительно упрощает уборку. Современный человек максимально стремится к комфорту и встроенные модели для создания его подходят как нельзя лучше.
Детские
Самыми забавными в ряду унитазов, являются детские, они зачастую имеют необычную форму, повторяющую очертания животных или предметов. Чаще всего размеры устройства с бачком-компакт в детских моделях невелики, гораздо меньше, чем взрослые варианты.
- Длина (глубина) – 43.5-59 сантиметров.
- Ширина – 28.5-34.5 сантиметров.
- Высота – 26-33.5 сантиметра.
Такие мини-унитазы применяются для детских санузлов, но в некоторых случаях их ставят и во взрослые, ввиду чрезвычайной компактности. Именно так можно максимально сэкономить место, но следует понимать, что комфортом в таком случае придется пожертвовать.
Размеры вариативных конструкций
Крепление угловой инсталляции для унитаза проводится посредством рамочных консолей. На последние монтируются накладки, которые способны перемещаться в разные стороны. Они позволяют устанавливать раму даже в тех местах, где отсутствует прямой угол. Ширина такой конструкции – 38 см. Конфигурация бака изменена на трехгранную (уменьшает толщину каркаса до 14-20 см). При этом места для расположения коммуникаций предостаточно. Высота монтажа сантехники регулируется в пределах 33-37 см.
Компактные рамные модули монтируются под подоконники, в небольшие перегородки. От своих стандартных аналогов они отличаются высотой (до 85 см). Крепление таких устройств проводится к полу, перегородочной поверхности либо комбинированным способом.
Размер приобретаемой инсталляции напрямую зависит от места ее установкиИсточник verwijst.nl
Типы установки
Следует понимать, что выбираемые унитазы с полочками могут быть как отечественного, так и зарубежного производства
Следовательно, импортный голубой унитаз, либо наши цветные унитазы не будут соответствовать одному и тому же ГОСТу, брать во внимание только действующие в нашей стране стандарты не стоит
Вообще типы унитазов отличаются по габаритам не так серьезно. На деле разница незначительная, что позволяет без особого труда отыскать оптимальный настенный унитаз, либо же подобрать современный электронный унитаз в соответствии с собственными требованиями и пожеланиями.
Специалисты подсчитали, что оптимальный показатель габаритов — это 380 х 480 х 370 (до 400) миллиметров. Однако способы установки бывают разными:
- Подвесные;
- Напольные.
Напольные получили наибольшее распространение. Модели без монолитного бачка слива предусматривают вариации установки бака на стенах, инсталляции. У таких моделей размеры обычно 520 на 340 миллиметров при высоте сиденья в 400 миллиметров. Однако некоторые версии имеют увеличенную длину примерно на 5-10 сантиметров. Как правило, это цветные унитазы из США, которые пользуются там большим спросом.
Так называемые унитазы-компакты обязаны своим именем габаритам — 380 на 800 на 675 миллиметров.
Не стоит забывать про напольный унитаз углового типа. У них бачки имеют форму треугольника, за счет чего их без труда можно монтировать в углу помещения. Габариты у них обычно составляют 360 на 815 на 760 миллиметров, при этом высота сиденья — около 400 миллиметров.
Подвесные, либо настенные модели унитаза активно используется в малогабаритных жилищах. Их делят, основываясь на размерных показателях на:
- Маленькие, предназначенные для компактных туалетов. Их длина не превышает 54 сантиметра;
- Средние для стандартных туалетов. Их длина — от 54 до 60 сантиметров;
- Увеличенные, использующиеся для крупных людей, пожилых или же пользователей с ограниченными физическими возможностями. В данном случае длина составляет минимум 70 сантиметров.
Нестандартные размеры унитазов: модели для инвалидов и устройства с наличием дополнительных функций
Для людей крупного телосложения подбирают и соответствующие размеры унитазов, которые характеризуются увеличенными габаритами. Такие варианты предназначены для людей с большим весом либо ростом от 190 см. При выборе модели следует отдавать предпочтение варианту, способному выдержать повышенную нагрузку. Зачастую увеличенные модели унитазов рассчитаны на вес 600-650 кг. Стандарты высоты унитаза от пола в таком случае будут отличаться от общепринятых и обычно достигают 65-70 см, длина моделей – от 70 см, а ширина – 40 см и более.
Чаще всего на заказ выполняют нестандартные унитазы для людей с инвалидностью. В этом случае нужно, чтобы прибор не только отличался увеличенными размерами, но и был оборудован специальными поручнями и сиденьем. Высота таких моделей на 15-20 см больше стандартных вариантов. Если унитазом пользуется человек-колясочник, то высота сиденья не должна превышать размеры инвалидного кресла. Обычно этот параметр равняется 50-60 см. Такие же габариты унитаза рекомендуются и для использования пожилыми людьми.

Для людей с инвалидностью заказывают унитазы нестандартных размеров и характеристик
Нестандартные размеры могут иметь и унитазы со встроенным биде. В большинстве случаев эти модели отличаются большой длиной из-за особой вытянутой формы, потому как омывающий душ удобно монтируется на ободок. Бачок унитаза с биде также имеет большие, по сравнению со стандартными, размеры. Длина моделей – обычно около 70 см, а ширина – 40-41 см. Подвесная система имеет меньшие размеры: ширина – 29-36 см, а длина – 52-60 см.
Размеры совмещенных санузлов

Совмещенный санузел
Для ванной комнаты с туалетом также действует требование возможности размещения душевой или ванны, туалета и раковины для умывания. Также в СНиП регламентируется необходимое санитарное расстояние между элементами. В противном случае функциональность и «санитарная безопасность» помещения будут нарушены.
Совмещенный санузел не строится непосредственно в здании и не может быть возведен в панельной многоэтажке. Санузлы такого типа изготавливаются поточным производство и изначально представляют собой пустую «коробку» из бетона или панелей, которая встраивается в помещение квартиры при строительстве всего дома.
Габариты таких туалетных комнаты установлены и стандартизованы для массового производства. Для них существуют собственные ГОСТы и нормы. Так, максимальная высота кабины для туалета составляет 2740 мм, а длина и ширина равны соответственно 940 мм и 1600 мм соответственно.
Варианты для частных домов
Уборная в частном доме
По размерам такие комнаты не имеют ограничений для коттеджей и прочих разновидностей частных домов. Габариты ограничиваются только предпочтением хозяина и стандартом проекта на дом.
Это касается только гигиенических комнат внутри дома, но для клозетов на приусадебном участке и для помещений, которые примыкают к основному строению существуют собственные нормы СНиП.
Уличный клозет
В частности, они касаются расположения септической ямы и дренажа:
- 10-12 м от любой приусадебной постройки – это расстояние обеспечения обязательной «санитарной» зоны;
- 25 м. – обязательное расстояние между туалетным помещением и любым колодцем, скважиной, участком забора воды;
- 1 м. – расстояние от разграничения территории и заборов;
- 12-13 м. – расстояние от сараев, складов, гаражей и прочих хозяйственных сооружений;
Габариты туалета на улице определяются из архитектурных предпочтений владельца. Самым распространенным является клозет по типу «деревенского» туалета, когда сливная яма находится непосредственно под стульчаком. Современные варианты таких туалетов подразумевают септик за пределами туалетной комнаты, в который по трубопроводу передаются нечистоты.
Для того чтобы снизить периодичность ассимилирования септика, можно использовать специальные бактерии, которые продаются в сельскохозяйственных и строительных магазинах.
Современный унитаз: правильный выбор – это не просто
Приобретение такого сантехнического приспособления, как унитаз, можно назвать чрезвычайно важным и ответственным делом, потому отнестись к нему нужно соответствующим образом
Стоимость подобного оборудования никак нельзя назвать низкой или даже доступной, его приобретают один раз в несколько лет, а то и в несколько десятков лет, потому важно учесть все детали и тонкости, в том числе и размеры устройства с бачком. Именно с такими «особыми знаниями» мы и будем разбираться сегодня. Важно
Важно
Прежде, чем выбирать правильные размеры унитаза с бачком для своего санузла, следует составить подробный его план. При составлении такой схемы необходимо учитывать, что расстояние от кромки установленного вами унитаза до двери должно быть не меньше, чем 60-65 сантиметров, иначе вы будете ощущать себя неуютно, вам будет тесно, а люди крупной комплекции вообще могут не поместится в такое узенькое пространство.
Главные пространственные критерии
Итак, при выборе унитаза обязательно будет учесть общую площадь помещения, где он будет установлен, а также остальные предметы, которые тоже там будут размещаться. К примеру, при совмещенном санузле нужно будет не позабыть, что там должна быть установлена ванна или душевая кабинка, умывальник и прочие приспособления по желанию. Составляя схему-план нужно обязательно помнить все советы и рекомендации от профессионалов, чтобы не наделать досадных ошибок.
- От унитаза, до стен помещения в любом месте, будь то тыльная его часть или боковинка, не должно быть менее тридцати пяти сантиметров. Если этого не учесть, то уборка таких «закоулков» может представлять собой очень трудный, почти нереальный процесс, а поддерживать чистоту в санузле – первоочередная задача.
- Огромную роль в комфорте и удобстве пользования унитазом может играть его высота, ширина и длина, потому выбирать нужно индивидуально для каждого. Высота сиденья должна быть такой, чтобы ноги сидящего свободного размещались на полу, без ощущения напряжения. Диаметр ободка тоже лучше выбрать так, чтобы сидеть на нем было удобно, по всей поверхности.
- От самого унитаза, до любого предмета, размещенного в санузле, не должно быть менее тридцати или тридцати пяти сантиметров, но если говорить о ванной, то тут расстояние не помешает увеличить до пятидесяти-шестидесяти сантиметров.
- При установке душевой кабинки в санузле, в непосредственной близости от унитаза, есть смысл учесть, каким образом и в какой амплитуде открывается ее дверца. Она ни в коем случае не должна слишком близко проходить, а тем более, задевать его.
- В тесных квартирах, где санузел имеет чрезвычайно крохотные размеры, есть смысл приобрести угловой унитаз с бачком, размеры которого более компактны. Еще лучше, установить инсталляцию, бачок которой надежно прячется в стене.
Придя в магазин, не стесняйтесь усесться на белоснежный «трон» и испробовать, подходит он вам или нет. В этом нет совершенно ничего стыдного и зазорного, ведь вам придется использовать его изо дня в день несколько лет подряд. Так зачем же жертвовать своим комфортом, если можно позаботиться обо всем заранее.
Золотой стандарт: размер унитаза с бачком
Современный рынок сантехнического оборудования предлагает просто колоссально огромный выбор разнообразных моделей унитазов, которые могут отличаться не только цветом, дизайном и формой, типом и видом, но также и размерами. Наиболее покупаемыми, актуальными и востребованными считаются те, что более всего подходят под средние размеры человеческого тела, рост и вес, но есть и стандартные размеры унитаза с бачком, заданные ГОСТом 30493-96.
| Вид унитаза | Длина (см) | Высота (см) | Ширина (см) |
| С цельноотлитой полочкой | 60.5 | 34 | 32-37 |
| Без цельноотлитой полочки | 33-46 | 36 | 30-35 |
| Детский унитаз | 28-40.5 | 21-29 | 13-33.5 |
Ориентироваться на размеры унитаза, это очень правильно, то есть сперва стоит выбрать именно ту модель, которую вы желаете, и только после этого начинать составлять план-схему его размещения. Следует понимать, что далеко не все изделия изготавливают по ГОСТу, что дан в нашей таблице, есть и иные варианты. К примеру, европейские модели могут отличаться довольно существенно. Не помешает изучить все стандартные размеры унитазов, которые вам больше всего понравились, подбирая оптимальные для площади помещения и иных факторов-показателей.
Классификация унитазов по типу установки
Это изделие так же можно разделить на две категории, в зависимости от способа установки: напольные и подвесные. Напольные, в свою очередь, делятся на подкатегории: пристенные и простые.
Напольные
Это самый распространенный вид унитаза. Для него характерны простота монтажа и низкая стоимость. Обычно напольные конструкции устанавливают в более-менее просторном помещении, для помещения с маленькой площадью больше подойдет пристенный вариант (компактная система смыва).
Установка сантехники с помощью анкерных болтов не требует много времени. Преимущество данного вида в том, что при установке не страдает напольное покрытие.
Подвесные
Эта разновидность унитазов устанавливается в маленьких комнатах, и позволяет сэкономить много места. Крепление для унитаза способно выдержать нагрузку до 400 кг, но есть модели, которые выдерживают и больше.
При установке чашу устройства крепят непосредственно к стене, на определенной дистанции от пола. Закрепляют его либо рамочным, либо блочным методом. Для экономии пространства иногда такой унитаз устанавливается в специальную нишу в стене.
Расчет габаритов унитаза
Перед установкой сантехники, нужно выбрать модель, подходящую по габаритам. Рекомендовано ориентироваться на самого крупного члена семьи и выбирать подходящий вариант. Если ему будет удобно, все остальные тоже будут пользоваться им с комфортом.
Подвесной тип и его размеры
Сегодня особой популярностью используются подвесные унитазы. Отличаются изящным и эстетичным внешним обликом, который сформирован так, что его устройства абсолютно незаметны, потому что он висит на стене и ни как не контактирует с полом. Таким образом, подвесной унитаз идеально гармонирует с дизайном ванной комнаты и визуально экономит пространство. Преимуществами данного вида унитаза является то, что он не мешает уборке в ванной из-за отсутствия сливной ножки.

Несмотря на хрупкость модели подвесной унитаз может устоять 400 кг., мощности, что можно смело характеризовать его как один из самых прочных видов сантехнических изделий. Самый первый подвесной унитаз появился в Западной Европе, благодаря практичности и качеству уборки она задала наиболее высокий стандарт гигиеничности.
Размеры унитазов подвесных типов характеризуются показателями:
- с длиной от 480 до 700 мм;
- с шириной от 355 до 370 мм;
- с высотой от 350 до 400 мм.
Размеры унитаза. Габариты стандартных, подвесных, приставных, детских, угловых унитазов
Времена меняются, и сегодня современный человек стремится к максимальному комфорту. При ремонтных работах в туалете, или планировании санузла о приобретении такого деликатного сантехнического предмете как унитаз следует побеспокоиться не меньше, чем о ванной или умывальнике. Огромное значение имеет выбор подходящего размера унитаза, его внешнего вида, который должен вписываться в общий дизайн помещения, и даже стать оригинальной частью интерьера.
Какие размеры унитаза выбрать?
Покупка унитаза – очень ответственное и серьезное дело. В каждом отдельном случае покупатель стоит перед сложным вопросом, какой размер является самым оптимальным, и имеет ли вообще значение форма и размеры унитаза. То ли было раньше: выпилил дыру в доске побольше, и туалет готов! Будущее поколение, скорее всего, уже не поймет простого устройства туалетов своих дедушек и бабушек.
Чтобы покупка была удачной, следует учитывать некоторые вспомогательные моменты при выборе размеров, формы и установки этого предмета сантехники.
При установке унитаза нужно обеспечить свободное пространство от двери и стенок до места монтажа унитаза, чтобы к нему был свободный доступ для пользования. Оптимальное расстояние от унитаза до двери должно быть не меньше 60-65 см, а расстояние от унитаза до стенок – 35 см. Большое значение имеет ширина и высота самой модели. Высота должна быть такой, чтобы ноги сидящего на унитазе человека свободно стояли на полу, то есть, он должен ощущать полный комфорт, безо всякого неприятного напряжения в ногах. Также ширина обводки унитаза должна быть такой, чтобы не возникало неприятных чувств в мышцах в области соприкосновения с сидением. Если ободок унитаза будет очень узким, то он может врезаться в ноги и вызывать неприятные ощущения, а если он очень широкий, то может передавить кровоток в ногах и вызвать онемение ног. Вот почему к выбору ширины и высоты унитаза нужно подойти со всей серьезностью и ответственностью. Поэтому, перед покупкой необходимо протестировать унитаз на комфортность и, не стесняясь, присесть на него. Ведь в дальнейшем пользоваться им придется не один год, и даже не один раз в день, что есть отличной мотивацией к серьезному подходу в выборе подходящей модели этого предмета сантехники.
Стандартные размеры унитазов
На современном рынке сантехники имеется широкий выбор всевозможных моделей унитазов. Чаще всего покупаются модели, которые больше всего подходят под габариты человека среднестатистического телосложения, роста и веса. Эти предметы сантехники рассчитаны для удобства подавляющего числа пользователей таким образом, что их размеры практически могут подойти любой семье.



































