Скетч и схема ленивого (вежливого) указателя поворота на Arduino
Итак, о применении Arduino в качестве головного устройства в качестве ленивых поворотников можно поспорить, так как это тоже не совсем идеальное решение, имеющее свои минусы. Скажем необходимо будет постоянное питание после включения зажигания, дабы обеспечить быстродействие, необходимо будет подключение силовых цепей. При этом сама обвязка из лишних радиодеталей здесь в принципе ни к чему, ведь в этом случае можно запрограммировать просто микроконтроллер и применять только его. Но этот минус является и плюсом, ведь позволить программировать Ардуино может себе каждый, у кого он есть, а для микроконтроллеров потребуется еще и программатор. Как раз написание программы и будет одной из самых сложных задач. Здесь новичку придется потратить не один час своего свободного времени и изучения работы алгоритмов, но благо есть интернет и есть мы. Поэтому вот скетч.
Int switchPinR=8; int switchPinL=7; int ledPinR=11; int ledPinL=12; boolean ledOn = false; int i=0; int z=0; void setup() { // put your setup code here, to run once: pinMode(switchPinR, INPUT); pinMode(switchPinL, INPUT); pinMode(ledPinR, OUTPUT); pinMode(ledPinL, OUTPUT); Serial.begin(9600); } void loop() { // put your main code here, to run repeatedly: //2 label: if (digitalRead(switchPinR) == HIGH && digitalRead(switchPinL) == HIGH) { digitalWrite(ledPinR, HIGH); digitalWrite(ledPinL, HIGH); i=0; while (i=7) { break; } } } else { digitalWrite(ledPinR, LOW); digitalWrite(ledPinL, LOW); z=0; } //зацикливание аварийки if (digitalRead(switchPinR) == HIGH && digitalRead(switchPinL) == HIGH) {goto label;} //Правый поворотник. if (digitalRead(switchPinR) == HIGH) { digitalWrite(ledPinR, HIGH); i=0; while (i=7) { break; } } } else { digitalWrite(ledPinR, LOW); z=0; } //Левый поворотник. if (digitalRead(switchPinL) == HIGH) { digitalWrite(ledPinL, HIGH); i=0; while (i=7) { break; } } } else { digitalWrite(ledPinL, LOW); z=0; } } }
Вкратце можно резюмировать, что в скетче имеется 2 входа и 2 выхода. При этом при входе положительного, то есть высокого уровня сигнала на входе (8,7), мы получаем определенное количество морганий (z или i) на соответствующем выходе (11,12). Если кратко, то как-то так
То есть если вы захотите что-то поменять в скетче относительно количества морганий и выходов входов, то обратите внимание именно на эти переменные. Если необходимо будет изменить длину морганий, то ваше внимание должно быть приковано к функции delay
Еще одной особенностью программы является несколько необычный выход на аварийную сигнализацию. Вначале отрабатывают левый и правый указатель, затем включается и аварийная световая сигнализация. Связано это с тем, что она может включиться только при условии высокого входа одновременно на входе 8 и 7. А это условие исполнится только на второй цикл, ведь нажать одновременно две кнопки разом не получится просто физически. Быстродействие микроконтроллера позволит считать высокий выход с какой-то кнопки быстрее и решит, что это все-таки условие срабатывания указателя поворота, а не аварийная сигнализация. Хотя не стоит об этом заморачиваться, разве что сказать спасибо на дороге будет проблематично.
Подключаем «мозги»
Для получения более сложных эффектов, схема должна строиться на микроконтроллере (далее МК). Хотя в интернете и присутствует множество схем бегущих огней на микроконтроллере, построенных на обыкновенной логике, реализующих различную последовательность зажигания светодиодов, их использование неоправданно и нецелесообразно в наши дни.
Схемы получаются более громоздкими и дорогими. МК же позволяет гибко управлять отдельными светодиодами или их группами, хранить в памяти множество программ световых эффектов и при необходимости чередовать их по заранее заданной последовательности или по внешней команде (например, от кнопки). При этом схема получается весьма компактной и достаточно дешевой.
Рассмотрим основной принцип построения схемы бегущих огней на светодиодах с использованием микроконтроллера.
Для примера возьмем микросхему ATtiny2313 – 8-разрядный МК стоимостью около 1$. Простейшая схема может быть реализована непосредственным подключением светодиодов к выводам I/O (рисунок 2). Эти выводы МК способны обеспечить ток до 20 мА, что более чем достаточно для индикаторных светодиодов.
Необходимое значение тока задается резисторами, включенными последовательно диодам. Значение силы тока рассчитывается по формуле I=(Uпит-ULED)/R. Схемы питания и сброса МК на рисунке не приведены, чтобы не загромождать схему. Эти цепи стандартные и выполняются в соответствии с рекомендациями производителя, приведенными в Data Sheet. При необходимости точного задания временных интервалов (длительности зажигания отдельных светодиодов или полного цикла) можно использовать кварцевый резонатор, подключаемый к выводам 4 и 5 МК.
Если такой необходимости нет, можно обойтись встроенным RC-генератором, а освободившиеся выводы назначить как стандартные выходы и подключить еще пару светодиодов. Максимальное количество светодиодов, которое можно подключить к этому МК – 17 (на рисунке 2 показан вариант подключения 10 светодиодов). Но лучше оставить один-два вывода для кнопок управления, чтобы была возможность переключать режимы бегущего огня.

Рисунок 2
Вот и всё, что касается «железа». Дальше всё зависит от программного обеспечения. Алгоритм может быть любым. К примеру, можно записать в память несколько режимов и настроить интервал повторения каждой либо подключить две кнопки: одну для переключения режимов, другую для регулировки скорости. Написание подобной программы – достаточно простая задача даже для человека никогда не работавшего ранее с МК, однако если изучать программирование лень или некогда, а «оживить» бегущий огонь на светодиодах очень хочется – всегда можно скачать готовое ПО.
https://youtube.com/watch?v=rCA8XBqbGQc
Как сделать своими руками светодинамическую установку
Частота переключения «бегущих огней» может зависеть от уровня громкости музыкального произведения, и тогда мы получаем светодинамическую установку или СДУ.

Подключиться к линейному выходу гаджета не всегда удается, потому удобнее всего получать сигнал с микрофона. Далее усиленный транзистором VT1 сигнал подается на вход счетчика К176ИЕ12, который запускается перепадами напряжения на входе. В итоге на выходах К176ИЕ12 формируются положительные импульсы, которые последовательно открывают транзисторы VT2-VT5. В свою очередь, транзисторы включают поочередно по два светодиода.
Замечу, что при напряжении питания 9 В вполне реально включить последовательно по два светодиода, то есть по четыре на каждый транзистор. При этом сопротивление резисторов R10-R17 нужно уменьшить примерно до 390 Ом, в зависимости от типа светодиодов.
Динамический диапазон изменения частоты переключения каналов, в зависимости от уровня звукового сигнала, заметно увеличится с применением генератора, управляемого напряжением. Теперь изменение скорости переключения светодинамической подсветки можно наблюдать как при очень тихой музыке, так и при очень громкой.

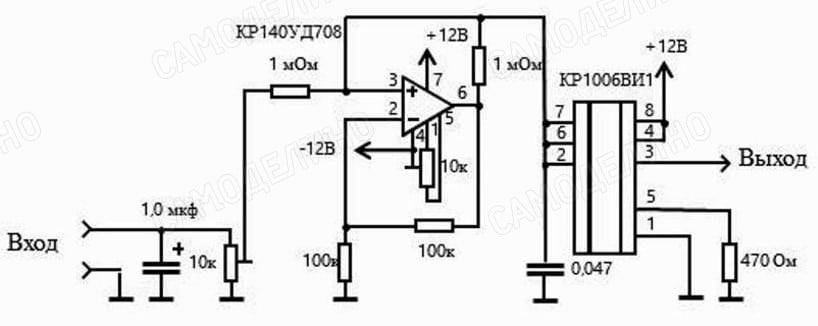
За основу взята схема на таймере КР1006ВИ1 и операционном усилителе КР140УД708, опубликованная в журнале «Радио» 1985г, №2, стр. 61. Для работы на низкой частоте номиналы ее элементов изменены. Схема использована для реализации режима светомузыки в УЦЭ «Электроника ЦМ-03». Встроить генератор, управляемый напряжением, в рассмотренную выше схему СДУ можно в разрыв цепи после конденсатора С1. Настоятельно советую собрать и опробовать данное устройство, так как связь частоты переключения «бегущих огней» с уровнем музыки получается очень интересная!
Мы уже говорили о том, что почти все схемы с выходом на светодиодах или тиристорах одинаковые в отношении формирования управляющих сигналов. Таким образом, вместо светодиодов с выходных транзисторов можно подавать управляющие сигналы на тиристоры, принимая за пример другую схему на тиристорах. Точно так же, вместо тиристоров к выходным транзисторам можно подключить светодиоды.
Еще раз напоминаю о безопасности: не забывайте, что при управлении тиристорами без оптронов или импульсных трансформаторов вся схема находится под напряжением 220 В, то есть гальваническая развязка отсутствует. Удачных экспериментов!
Бегущие огни с выбором программ
Для более четкого представления о работе прибора рассмотрим некоторые его основные узлы. Начнём рассматривать работу бегущих огней с микросхемы К155ЛА3 которая является набором из четырёх логических элементов 2И-НЕ изображённого на первом рисунке:

1,2,4,5,9,10,12,13 – входы X1-X8;
14 – напряжение питания;
Мы используем только два элемента 2И-НЕ. Ниже приведённая схема генератора выдаёт чередование прямоугольных импульсов логического нуля и логической единицы показанных на графике.

На генераторе предусмотрена регулировка скорости и продолжительности чередования логических импульсов с помощью R1 и C1.
Если к выводу 6 подключить светодиод через резистор 1 кОм – то мы увидим, что у нас получилась простая мигалка на микросхеме с регулируемой скоростью мерцания.
Далее рассмотрим микросхему К155ТМ2 – которая включает в себя два независимых D-триггера, срабатывающих по положительному фронту тактового сигнала, к ней и осуществим подключение тактового генератора.
Условное графическое обозначение К155ТМ2 приведено на рис.2. На рис.3 приведена структурная схема и таблица истинности одного из элементов микросхемы, где каждый элемент состоит из четырёх элементов 2И-НЕ.

А ниже приводится «расшифровка” выводов микросхемы:
1 – инверсный вход установки «0″ R1;
3 – вход синхронизации C1;
4 – инверсный вход установки «1″ S1;
6 – выход инверсный Q1;
8 – выход инверсный Q2;
10 – инверсный вход установки «1″ S2;
11 – вход синхронизации C2;
13 – инверсный вход установки «0″ R2;
14 – напряжение питания;
Далее мы кратко рассмотрим работу одного каскада триггера изображённого на рис.4.

Подключим вывод 2 к инверсному выводу 6 и подключим к выводу 3 тактовый генератор. При поступлении логической единицы на вывод 3 на выводе 5 будет переключение на логическую единицу, при прохождении очередной логической единицы на вывод 3 – произойдёт переключение на логический ноль (вывод 5) и так будет происходить переключение до бесконечности. На выводе 6 (который является инверсным) будет зеркальное значение 5-го вывода.
А бегущие огни составим из тактового генератора и четырёх элементов триггера (2 микросхемы К155ТМ2) рис.5

На схеме мы видим не фиксируемую кнопку S2 которая служит для переключения подпрограмм и селектор S1 которым осуществляется переключение основных программ. Если сделать небольшие изменения в схеме – отсоединить вывод идущий к 13 ноге D1.2 и подключить его к выводу 10 D1.2 и сделать то же самое на второй микросхеме, то изменятся и программы индикации (изменение отмечено на схеме пунктиром). Если использовать многосекционный селектор S1, то можно подключить отмеченное пунктиром изменение к селектору и тем самым увеличить число программ.
В схеме используются лампочки напряжением 2.5-3.6 вольта, но если использовать светодиоды, то надобность в транзисторах отпадает (на схеме отмечено красным квадратом) и подключение светодиодов осуществляется к Т,Т1,М,М1,Р,Р1,F,F1 рис.5а.

Если использовать лампы на 220 вольт, то вместо транзисторов нужно подключить симисторы или как их ещё называют симметричные тиристоры, триодный тиристор или триак. Условное графическое обозначение симистора на рис.6

Симистор можно представить двумя тиристорами, включенными встречно-параллельно. Он пропускает ток в обоих направлениях. Симистор имеет три электрода: один управляющий и два основных для пропускания рабочего тока. Структура этого полупроводникового прибора показана на рис.6а. На рис.6 б внешний вид симистора КУ208.
Здесь показана схема бегущих огней с симисторным управлением:

Внешний вид устройства:
Используемые детали в бегущих огнях можно заменить на импортные и отечественные аналоги: К155ЛА3 на SN7400, К155ТМ2 на SN7474N, транзисторы КТ315 на КТ342; КТ503; КТ3102; 2N9014; ВС546В, а КУ208 на BT134; BT136. Светодиоды можно применять любые. Стоимость деталей приблизительно составляет 60 – 100 рублей.
Данную схему легко переработать и изменить алгоритм работы.
Сама схема имеет минимум легкодоступных деталей, легка в сборке и при правильном монтаже в наладке не нуждается.
Как сделать своими руками динамические поворотники (с накоплением) из KIT DIY набора с AliExpress
В этой статье описано как своими руками сделать на базе конструктора более интересную схему динамических поворотников в авто или на гирлянды и т.д.
Привлекла смешная цена в 63 рубля и возможность потренироваться в пайке SMD радиоэлементов.
Этот конструктор состоит из печатной платы размером 20х55мм и соответственно набора необходимых радиодеталей. На плате обозначены места установки всех компонентов и их номиналы, так что трудностей с монтажом особых нет.
Весь процесс изготовления и работу схемы можно посмотреть в видео:
-набор бегущие огни на микросхеме CD4017 или К561ИЕ8 (ссылка на набор);
-отвертка;- ножницы;-паяльник;-кембрик;-аккумуляторная батарея от сотового телефона;-блок питания на 12В;-соединительные провода;-фольгированный текстолит для печатной платы;-микросхемы К561ТМ2;-резисторы;-транзисторы КТ815(или аналоги);-светодиоды.
Все что необходимо это распаять компоненты набора на плату. В виду миниатюрных размеров SMD радиоэлементов использовал «третью руку» с увеличительным стеклом. Сначала распаял резисторы, конденсаторы и другие компоненты схемы кроме микросхем. В конце распаиваем микросхемы и светодиоды.Данная схема работает от 3 до 15В.
Позже в процессе экспериментов вышла из строя микросхема CD4017. По быстрому на проводах пришлось заменить ее на отечественный аналог К561ИЕ8. Хотелось получить более интересные световые эффекты бегущих огней. В результате собрал еще одну печатную плату с триггерами К561ТМ2 и силовыми ключами на КТ815.
Если нужно подключать более мощную нагрузку то надо заменить КТ815 соответственно на более мощные транзисторы. Так как я применил четыре микросхемы К561ТМ2 то получилась схема на восемь каналов.

Мнение эксперта
It-Technology, Cпециалист по электроэнергетике и электронике
Задавайте вопросы “Специалисту по модернизации систем энергогенерации”
Мигающий светодиод (на одном транзисторе): как сделать мигалку своими руками, схема При прошивки мкроконтроллера ATtiny2313, фьюзы следует выставить как на рисунке для программы PonyProg, а для утилиты CodeVisionAVR указание битов следует прописать инверсными. Спрашивайте, я на связи!
Варианты сборки
Существует два доступных и относительно простых варианта сборки бегущих огней: на печатной или макетной плате. И в том, и в другом случае желательно за основу брать схему в PDIP корпусе на панельке DIP-20. При этом нужно, чтобы остальные компоненты также были в DIP-корпусах.
Миниатюрная печатная плата более практичный вариант для тех случаев, когда бегущие огни на светодиодах своими руками делают для активной дальнейшей эксплуатации.

К примеру, когда они устанавливаются на велосипед или автомобиль. В этом случае понадобятся такие компоненты:
- односторонний текстолит 55×55 мм;
- конденсатор 100 мкФ-6,3В;
- DD1 – Attine 2313;
- резистор 10 кОм-0,25 Вт±5% (R1);
- 17 резисторов 1 кОм-0,25 Вт±5% (R2-R18);
- 13 светодиодов LED диаметром 3 мм (цвет не важен);
- 3 кнопки KLS7-TS6601 или аналог (SB1-SB3);
- переключатель движковый ESP1010 (SA1).
Радиолюбителям с практическим опытом сборки печатных плат лучше взять для этой схемы Attine2313 SOIC c SMD резисторами. За счет этого общие габариты схемы уменьшатся почти в два раза. Можно также отдельным блоком установить сверхъяркие SMD светодиоды.
Варианты сборки
На начальном этапе работы необходимо спроектировать схему расположения диодов и резисторов. Элементы требуется собрать в последовательную цепь. А нужное сопротивление можно легко рассчитать, следуя общеизвестному закону Ома. Далее нужно определиться с тем, какой будет светодиодная лента. Наиболее простым вариантом по праву считается однополосная.
Однополосная
Изготовление даже самого простого варианта светодиодной ленты осуществляется в несколько этапов:
- из текстолиста необходимо нарезать полоски – это будут заготовки;
- далее в них нужно просверлить или проделать при помощи шила отверстия (поскольку изготавливается RGB лента, то светодиоды нужно чередовать по цвету);
- в отверстия необходимо вставить подготовленные детали по схеме;
- затем припаиваются провода для обеспечения электрического питания;
- для привлекательности внешнего вида ленту нужно поместить в термоусадочную трубку.
Термоусадку нужно прогреть строительным феном или зажигалкой, под действием температуры она сузится и плотно приляжет к изделию.
Двухполосная
Если в планах сделать двухполосное изделие, то принцип его изготовления не будет практически ничем отличаться от предыдущего. Особенность будет заключаться в параллельном подсоединении полос к блоку питания.

Бегущие огни. Схема бегущих огней на светодиодах своими руками. Простые радиосамоделки бегущих огней
Проведем расчет для наиболее простой схемы, которая состоит из стабилизированного источника напряжения, светодиода и защитного резистора. В остальных случаях методика остается практически такой же, но только за счет большего количества использованных элементов усложняется расчет.
Мнение эксперта
It-Technology, Cпециалист по электроэнергетике и электронике
Задавайте вопросы “Специалисту по модернизации систем энергогенерации”
Принципиальная электрическая схема бегущих огней — Электропортал Особенность такой подсветки заключается в том, что имеется уникальная возможность каждым светодиодом на плате управлять отдельно. Спрашивайте, я на связи!
Схемы переключения ламп на 220 вольт
Схемы бегущих огней на 220 В интересны тем, что в качестве излучателей света здесь используются мощные лампы накаливания. В этом случае переключение ламп осуществляется с помощью тиристоров или симисторов. При этом для упрощения схемы гальваническая развязка между силовыми каскадами и схемой управления не предусматривается. Это означает, что при подаче питания 220 В касаться элементов устройства нельзя, так как они находятся под опасным напряжением. Это относится и к переменным резистором, на которые необходимо надевать пластиковые изолирующие ручки.

В простейшем случае устройство на 220 вольт можно собрать на 3-х тиристорах. При этом частота переключения определяется номиналами цепочек R2 и С1, R4 и С2, R6 и С3 в цепи управления соответствующего тиристора. Возможно, для ритмичного переключения ламп придется немного изменить сопротивление упомянутых резисторов. Диод VD3 «срезает» половину напряжения, и в данной схеме лампы не будут светиться на всю яркость. При этом возможно применение тиристоров КУ201Л с рабочим напряжением до 300 В.
В следующей схеме выпрямленное напряжение на тиристоры подается с диодного моста. Таким образом, лампы будут светиться «на полную». В качестве задающего генератора импульсов выступает трехфазный мультивибратор на К155ЛН1. При этом частота переключения определяется номиналами цепочек R1 и С1, R2 и С2, R3 и С3. Возможно, для ритмичного переключения ламп придется немного изменить сопротивление упомянутых резисторов. С выхода микросхемы импульсы подаются на управляющие электроды тиристоров через транзисторы.
Транзисторы подойдут КТ940В. Тиристоры можно использовать КУ202 с индексом Н или М
Обратите внимание, резистор R7 потребуется на 2 Вт, так как падение напряжения на нем составляет больше 200 вольт, и выделяется большая мощность

Данная схема практически аналогична предыдущей, однако генератор в ней построен на К155ЛА3 и транзисторе КТ315. Для нее уже имеется топология печатной платы.

Силовые диоды Д226 имеют сравнительно небольшой рабочий ток и могут выходить из строя при перегорании лампочки. Лучше использовать более мощные КД202Б или КД242Б.

Данная схема интересна тем, что к ее выходу подключены и светодиоды, и лампы. Светодиоды могут размещаться на блоке управления устройства, тогда как источниками света выступают цветные лампы накаливания. В соответствии с этим примером Вы можете почти любую из рассматриваемых схем переделать с ламп на светодиоды или наоборот.
В данном случае генератор импульсов собран на К561ЛЕ5, и частота генерации устанавливается переменным резистором R1. Далее импульсный сигнал подается на вход счетчика-делителя на 8 — К561ИЕ9. Соответственно, к его выходам можно подключить до 8 каналов, вместо шести, используя выводы 5 и 10. Точно так же количество каналов можно сократить, подавая импульс сброса на вход счетчика со следующего свободного выхода. Напряжение на тиристоры подается с диодного моста, который собирается на 4-х диодах КД202Б или КД242Б.
Если последовательное переключение светильников надоело, можно собрать схему, которая позволяет реализовать несколько программ их переключения. Она собрана на надежных микросхемах серии К155. В данном случае генератор импульсов собран на DD2 К155ЛЕ1, и частота генерации устанавливается переменным резистором R2. Дешифратор выполнен на DD1, DD3, DD4 (одна К155ЛА3 и две К155ТМ2). Переключателем SA1 выбирается программа переключения, а кнопка SB1 позволяет установить начальные условия работы устройства. Схема управления тиристорами и лампами – стандартная, и уже нами рассматривалась.
Инструкция по сборке
Светодиодные лампы – это полупроводниковые элементы, светящиеся под воздействием электрического тока. Основной элемент в них – кремний. В зависимости от того, какие примеси используются, меняется цвет лампочек.
Последовательность выполнения работы
Перед тем, как сделать поворотники, нужно выбрать подходящую схему.
Затем на основании схемы изготовить печатную плату и нанести на нее разметку для размещения будущих элементов.
На следующем этапе в сеть включается дополнительный стабилизированный источник питания. На его вход поступает питание с промежуточного реле, а выход соединяется с диодом. Разместить его лучше в панели приборов.

Описание электрической схемы
Для практической реализации приведенной схемы необходим мультивибратор, основу которого составляет микросхема DD1 К561ЛА7 и микросхема-счетчик DD2 К561ИЕ8. С помощью первой микросхемы создаются импульсы, включающие светодиоды. Благодаря микросхеме-счетчику осуществляется переключение питания для определенных групп светодиодных огней.
Транзисторы VT1-VT2 используются в качестве усилителей, которые открываются благодаря напряжению, поступающему с ноги счетчика. Конденсаторы С2 и С3 играют роль фильтров питания. Подбирая емкость конденсатора С1, можно уменьшать или увеличивать, когда будут переключаться светодиоды. Для монтирования конструкции светодиодного стопа лучше всего подойдет печатная текстолитовая плата с размерами 37 х 50 мм.
Габариты печатной платы
Габариты печатной платы
Данная конструкция требует минимальную силу тока и почти не нагревается. Это дает возможность сборку, которая управляет светодиодами, сделать в этом же корпусе стоп-сигнала. При этом питание можно подключить к снятой штатной лампе.
Ниже приведена схема, которую легко реализовать.
Реализация мигания светодиодов
По данной схеме группы к выводам Out1 — Out3. Сколько светодиодов будет в целом, зависит от питания. Если лампочек слишком много, то учитывать нужно, какое питание поступает на схему от бортовой сети, составляющее 12 В. Транзисторы КТ972А необходимо защитить с помощью теплоотводящих радиаторов. По желанию можно транзистор КТ972А заменить парой менее мощных транзисторов КТ315 и мощным элементом КТ815 или аналогичными элементами.
Детали DD1.1 и DD1.2, включенные в схему, играют роль генератора, который служит для подачи импульсов на вход счетчика К561ИЕ8. Аналогично предыдущему случаю, с помощью счетчика генерируются управляющие импульсы для транзисторов. Подбирая сопротивление R6, значение его номинала должно составлять не менее 1 кОм. Для создания бегущих огней можно использовать печатную плату. Благодаря навесному монтажу конструкция получается миниатюрных размеров.
Миниатюрные размеры платы
Естественно, светодиодные лампочки размещают прямо на панели стоп-сигнала, так как печатная плата слишком мала, чтобы поместить на нее светодиоды. Следует помнить о надежности, поэтому необходимо обеспечить максимальную защиту электрических соединений и контактов от попадания влаги. Для обеспечения питанием дополнительного стопа его подключают к проводке основного стопа в багажнике. Возможен вариант подключения к плате световых приборов.




















![Эксперимент 7. бегущий огонёк [амперка / вики]](https://kupifonarik.ru/wp-content/uploads/2/c/f/2cfe15293a5a8e58939202fbc0fc5e80.jpeg)
















