Кто вёл разработки генератора свободной энергии
Генератор Адамса
В 1967 году на производство этого генератора был получен патент. БТГ оказался рабочим, но выдаваемая им мощность была настолько мала, что вряд ли с его помощью получилось бы обеспечить энергией даже маленькую комнату.
Но мошенников это не беспокоит. Поэтому в интернете можно найти сайты, продающие генератор Адамса. Только зачем тратить деньги на прибор, который не поможет сэкономить?
Генератор Тесла
Жизнь и работа известного учёного давно обросли разными выдумками. Что из них правда, а что вымысел никто точно не знает. И это стало нескончаемым источником вдохновения для аферистов.
Никола Тесла действительно пытался изобрести особый прибор. Только не бестопливный генератор, а вечный двигатель. Но давайте будем реалистами. Подумайте, если бы учёному удалось придумать такой аппарат, стали бы его продавать массовому покупателю?
Генератор Хендершота
Впервые информация об этом устройстве появилась в Америке начала ХХ века. Но широкую известность генератор приобрёл во время конгресса, посвящённого изучению энергии гравитационного поля, который проходил в Торонто в 1981 году.
Генератор Хендершота работает благодаря магнитному полю земли, поэтому его использование вызывает некоторые затруднения, ведь генератор всегда должен быть правильно расположен относительно южного и северного полюсов планеты.
Вскоре после конгресса Лестера Хендершота стали считать мошенником, а его устройство объявили подделкой.
Генератор Тариэля Капанадзе
Тариэл Капанадзе – грузинский изобретатель, которому, как многие считают, удалось невозможное. Он изобрёл БТГ, и назвал его в свою честь – капаген. Работоспособность прибора была продемонстрирована перед зрителями. Но было это шоу или демонстрация реального бестопливного генератора сказать сложно, потому что Капанадзе хранит свою технологию в тайне, ожидая богатого спонсора для дальнейшего развития проекта.
Вопреки секретности проекта, некоторые продавцы утверждают, что им удалось получить схемы генератора Капанадзе, по которым его можно собрать самостоятельно. Но верится в это с трудом.
Генератор Дональда Смита
Дональд Смит является самым известным изобретателем бестопливного генератора. Конструкция прибора довольно проста: берётся волновой резонатор и раскачивается с помощью искрового генератора. Помимо этого, в схеме есть диоды, функция которых совершенно не ясна. Но самое главное, откуда в генераторе берётся дополнительная энергия, да ещё и в количестве около 10 КВт?
Дональд Смит долго пытался объяснить принцип работы своего изобретения, но его так и не смогли понять. Повторить это устройство пытались многие, но мощность всегда оказывалась гораздо меньше, чем у оригинала.
Генератор TPU Стивена Марка
Конструкция устройства Стивена Марка сильно отличается от остальных БТГ, так как основой генератора TPU является металлическое кольцо, диаметром 20 см и одетые на него катушки из толстого многожильного провода.
Собрать самостоятельно генератор TPU Марка очень трудно. Сложность конструкции в использовании многофазного задающего генератора. К тому же, ни сам изобретатель, ни его последователи никогда не рассказывали о принципе работы устройства.
Генератор Кулабухова
Изобретатель Руслан Кулабухов придумал БТГ для использования в быту. Но увы, он так и не смог объяснить принцип работы своего изобретения, что ставит под сомнение эффективность прибора.
В конструкции БТГ отсутствуют разрядники. Механизм состоит из высокочастотной качерной части и низкочастотной пуш-пульной части. В интернете можно найти много разных схем для сбора генератора. Но создал их не сам Руслан, а его помощники. Но мало кому удавалось собрать рабочий механизм по этим чертежам, потому что, как говорилось выше, даже сам автор не может объяснить принцип работы своего БТГ.
Watch this video on YouTube
Генератор Хмелевского
В конце ХХ века Хмелевский по чистой случайности изобрёл аппарат похожий на бестопливный генератор. Он пытался получить на него патент и продавать как полезный инструмент для геологов. Но у последних прибор не получил популярности, поэтому производство генераторов было остановлено.
Watch this video on YouTube
Несмотря на все неудачи Хмелевского, схема его БТГ пользуется популярностью в интернете. Её можно приобрести за небольшую сумму.
Конечно, вы можете попытаться убедиться в обратном, и самостоятельно собрать БТГ. Но стоит ли тратить на это время и деньги?
Экран генератора Тесла
Принимает от источников световое излучение с положительно заряженными частицами (от источника света, солнца).
Сделать его несложно, достаточно обтянуть диэлектрическую панель фольгой. Слои накладывают внахлёст. Чем больше экран для улавливания положительно заряженных частиц, тем выше напряжение в цепи. Соединяют между собой и несколько экранированных поверхностей. Они образуют цепь экранов безтопливного генератора Тесла. Соответственно расширению площади улавливающих панелей, нужно увеличивать ёмкость конденсатора, мощность рассеивания резистора.
Нужно соединить и подключить элементы схемы безтопливного генератора Тесла. Один провод (контакт) соединяют с фольгированным экраном, второй ведут от заземления. Контакты замыкают на полюсах конденсатора. В момент замыкания цепи, начинается зарядка батареи.

Безтопливный генератор Тесла готов. Проверить его можно, если контакты лампочки подсоединить к батарейке, она загорится.
Николо Тесла и его знаменитый прибор
Бестопливный генератор, представленный миру в конце 19-го века, работал на энергии эфира, который Н.Тесла называл упругой структурированной материей, космическими лучами. Традиционной физикой отрицается наличие данного вещества. Несмотря на это, эксплуатируя свои установки, Тесла получал и передавал беспроводным способом электричество, выделенное при взаимодействии разноименных зарядов Земли и окружающего пространства. Посредством собственного резонансного трансформатора и турбины Ниагарской ГЭС, изобретатель обеспечил электроэнергией весь штат, применив беспроводной способ передачи тока.

Исследователь создал устройство, работа которого основана на взаимодействии двух потоков энергии. Он объединил положительно заряженное пространство и отрицательный потенциал земной поверхности, получив заряды мощностью в тысячи киловатт. Принцип действия и конструкция запатентованы изобретателем в 1901 году.
На основе схемы трансформатора Тесла уже в наше время грузинским изобретателем Тариэлем Капанадзе изготовлен и продемонстрирован беспроводной бестопливный генератор. Электростанции подобного типа с успехом работают в Турции, так как на родине изобретатель не получил поддержки действующей власти.
В приборе задействованы автомобильные аккумуляторы (для первого импульса), понижающие и повышающие трансформаторы, конденсаторы, заземляющий прут. Конечно, не стоит искать в интернете полного и подробного описания конструкции. Желающим повторить данные опыты приходится начинать все с начала и добиваться результатов опытным путем.
Почему же такой выгодный, с точки зрения получения дешевого электрического тока, прибор не получил распространения после обнародования? Согласно рассекреченной прессой информации, правящая верхушка и финансирующая ее банковская элита США во главе с Морганом, увидели в исследованиях Теслы опасность для монополии на получение и продажу электроэнергии в стране. Полигон и лаборатория исследователя были уничтожены, понятие «эфир» изъято из физики, патенты засекречены и скрыты. Сохранилась лишь информация, напечатанная в газетах и научных журналах.
Дальнейшие разработки механизма
В результате ученый стал разрабатывать турбину. В основу этого агрегата вошел водяной насос, который ускорялся благодаря плоским железным дискам. Подобная основа может входить в состав других не менее полезных изобретений. В итоге рабочего процесса схема бестопливного генератора свободной энергии была усовершенствована, электричество передавалось в требуемом количестве. Чтобы собрать аппарат, необходимо выполнить три этапа:
- собрать вторичную обмотку, которая наполнена высоким содержанием вольтов;
- установить первичные мотки с низким напряжением;
- соорудить механизм управления.
Чтобы создать рабочую схему генератора свободной энергии, необходимо сделать основу, где будет собираться вторичная обмотка. Для этого потребуется предмет в форме цилиндра, медный провод, который будет на него намотан. Основной материал не должен пропускать электроэнергию, поэтому лучше использовать ПВХ трубу. Обмотка составляет 800 витков. Первичный провод толщиной должен превышать вторичный. В результате бестопливное устройство имеет такой вид.

Генератор свободной энергии на магнитах
Эффект взаимодействия магнитного поля и катушки широко применяется в магнитных двигателях. А в генераторе свободной энергии этот принцип применяется не для вращения намагниченного вала за счет подачи электрических импульсов на обмотки, а для подачи магнитного поля в электрическую катушку.
Толчком к развитию данного направления стал эффект, полученный при подаче напряжения на электромагнит (катушку намотанную на магнитопровод). При этом находящийся поблизости постоянный магнит притягивается к концам магнитопровода и остается притянутым даже после отключения питания от катушки. Постоянный магнит создает в сердечнике постоянный поток магнитного поля, которое будет удерживать конструкцию до тех пор, пока ее не оторвут физическим воздействием. Этот эффект был применен в создании схемы генератора свободной энергии на постоянных магнитах.

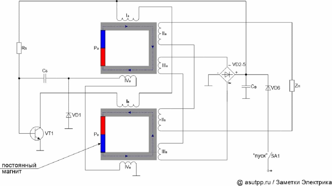
Рис. 2. Генератор свободной энергии на магнитах
Посмотрите на рисунок 2, для создания такого генератора свободной энергии и питания от него нагрузки необходимо сформировать систему электромагнитного взаимодействия, которая состоит из:
- пусковой катушки (I);
- запирающей катушки (IV);
- питающей катушки (II);
- поддерживающей катушки (III).
Также в схему входит управляющий транзистор VT1, конденсаторы Cб и Cф, диоды VD1-VD6, ограничительный резистор Rб и нагрузка ZH.
Данный генератор свободной энергии включается посредством нажатия кнопки «Пуск», после чего управляющий импульс подается через VD6 и R6 на базу транзистора VT1. При поступлении управляющего импульса транзистор открывается и замыкает цепь протекания тока через пусковые катушки I. После чего электрический ток протечет по катушкам I и возбудит магнитопровод, который притянет постоянный магнит. По замкнутому контуру магнитосердечника и постоянного магнита будут протекать силовые линии магнитного поля.
От протекающего магнитного потока в катушках II, III, IV наводится ЭДС. Электрический потенциал от IV катушки подается на базу транзистора VT1, создавая управляющий сигнал. ЭДС в катушке III предназначена для поддержания магнитного потока в магнитопроводах. ЭДС в катушке II обеспечивает электроснабжение нагрузки.
Камнем преткновения в практической реализации такого генератора свободной энергии является создание переменного магнитного потока. Для этого в схеме рекомендуется установить два контура с постоянными магнитами, в которых силовые линии имеют встречное направление.
Кроме вышеприведенного генератора свободной энергии на магнитах сегодня существует ряд схожих устройств конструкции Серла, Адамса и других разработчиков, в основе генерации которых лежит использование постоянного магнитного поля.
Общая информация по созданию и сопутствующим процессам
Первые упоминания об этом устройстве относятся к диапазону 1927-1930 годов. Согласно имеющимся записям, Хендершот получил пригодный для использования прибор, мощность которого составляла 200-300 Вт. Тогда же на краткое время Лестер чествуется американской прессой как национальный герой. Но скоро похвала в его сторону сменяется обвинениями в шарлатанстве и мошенничестве.
Сам же изобретатель в это время получает травму от электрического тока и больше не выступает со своими разработками. По словам его сына, Марка Хендершота, его отцом было получено 25 тысяч долларов за то, что он не будет разглашать сведения о генераторе.
На этом всё. И давайте перейдём непосредственно к устройству. Вас ведь интересует генератор Хендершота? Схема расключения компонентов? Но прежде, чем заниматься такими вопросами, давайте выясним, что необходимо непосредственно для самого прибора.
Принцип работы бестопливного генератора Адамса
Одна из наиболее популярных моделей преобразует энергию в индукционный ток. Впервые ее построил ученый Адамс, в честь которого она и получила свое название.
Схема простого бестопливного генератора (у Бедини тот же принцип действия):

Базовые комплектующие агрегата Адамса следующие:
- генератор, внутри которого возникает электромагнитное поле;
- инвертор, который преобразовывает магнитные импульсы в переменный ток;
- аккумуляторы, которые накапливают энергию для ее дальнейшего использования.
Принцип работы прибора основан на явлении электромагнитной индукции. Вращение мотора зависит от силы, с которой он отталкивается от полюсов магнитов. Основным конструктивным элементом является многополюсный безредукторный генератор прямого вращения. Магниты устанавливаются на внешний край генератора. Их число зависит от желаемой мощности. У подобных агрегатов очень высокое КПД — около 90%. При необходимости они хорошо соединяются друг с другом, образуя единую автономную сеть.
Как сделать бестопливный генератор своими руками
Самый примитивный агрегат типа Адамса несложно собрать дома. Он будет не слишком мощным, но позволит испробовать модель, а также сможет зарядить мобильный телефон.
Составные компоненты
Для изготовления вам понадобятся:
- Неодимовые магниты. Их понадобится около 15 штук. Желательно, чтобы все магниты были одного размера. От их величины зависит мощность вашего агрегата.
- Медный провод.
- Пара катушек. Можно намотать их самостоятельно, а можно взять готовые из любых имеющихся моторов.
- Лист стали потребуется для изготовления рамочного корпуса.
- Болты, шайбы, гвозди. Фурнитура понадобится для фиксации мелких деталей.
Сборка
Процесс сборки бестопливного генератора на неодимовых магнитах состоит всего из нескольких шагов:
- В основании катушки необходимо укрепить линейный магнит. Для этого потребуется просверлить отверстие и зафиксировать все при помощи болта.
- Остальные магниты необходимо расположить по внешнему краю. (Соблюдайте полярность!)
- Если вы изготавливаете катушки самостоятельно, то намотайте на каждую изолированный медный провод диаметром 1.25 мм. Наматывать нужно в направлении снизу вверх.
- Из листа стали изготовьте рамку для корпуса. Ее размеры зависят от размеров катушек. Катушки необходимо установить так, чтобы с торца оставалось пространство для свободного вращения.
- Прибор готов, осталось его протестировать. Подсоедините мультиметр и покрутите магниты. Если возникло напряжение на концах обмотки, то все получилось.
Способ остановки
Точного научного обоснования о принципе работы двигателя Серла в настоящий момент, к сожалению, не существует. Однако то, что такие генераторы были когда-то изобретены и собраны, действительно подтверждают многие люди. Крутились двигатели Серла, как отмечают очевидцы, просто с огромной скоростью и остановить их зачастую было сложно. Из-за этого исследователь, в общем-то, и потерял несколько таких своих летающих дисков. Один из них, по словам ученого, улетел с места сборки вверх просто с огромной скоростью, по всей видимости, прямо в космос.
Конечно же, в последующем Серл открыл способ остановки своих двигателей. Произошло это совершенно случайно. Исследователь просто начал снимать один из своих генераторов на телекамеру и заметил, что последний замедлил свое движение, а затем и вовсе остановился. Как удалось выяснить ученому, причиной тому стала именно работа телекамеры, испускавшей электромагнитные волны определенной частоты. Позднее Серл начал использовать этот принцип для сознательной автоматической остановки создаваемых им дисков.
Наиболее популярные модели
На текущий момент наиболее популярными генераторами являются модели от производителей «Энерджистем», «U-Polemag», «Вега», а также «Верано-Ко». Они занимают обширную часть рынка устройств.
«Вега» производит аппараты, которые работают исходя из принципа магнитной индукции. Эту идею смог воплотить знаменитый физик Адамс. Цена зачастую зависит от мощности и размеров аппарата. Минимальная стоимость составляет 45 тыс. руб. У этого производителя есть ряд преимуществ:
- Продукция от компании «Вега» очень экологична.
- Генераторы полностью бесшумны, что позволяет их устанавливать в любом месте.
- Аппараты сравнительно компактные.
- У производителя довольно много моделей, мощность которых начинается от 1,5 кВт и достигает до 10 кВт.
«Верано-Ко» — это украинский производитель, использующий для своей продукции только качественные комплектующие. Производит генераторы как для бытовых нужд, так и для промышленных целей. Принцип работы альтернативного источника энергии такой же, как и у других магнитных агрегатов. Самая дешёвая модель стоит 50 тыс. руб. Цены на устройства достигают 200 тыс. руб.
«U-Polemag» является китайским производителем. Представляет наибольшее разнообразие моделей генераторов. Стандартное КПД устройств составляет 93%. Максимальные потери энергии — 1%. Зачастую приобретается для бытового использования. Имеет компактные габариты, низкий уровень шума и небольшой вес. В комплектацию входят системы охлаждение. Максимальная длительность использования достигает 15 лет. Цены на модельный ряд начинаются от 30 тыс. руб. и достигают 90 тыс. руб.
«Энерджисистем» производит устройства вертикального типа. Однозначного мнения о качестве и мощности аппаратов у потребителей нет. Цены на генераторы немного завышены и начинаются от 50 тыс. руб.
Генераторы «Вега»
На основе изобретения Адамса налажено промышленное производство генераторов. Бренд «Вега» — один из самых популярных производителей. Несмотря на сравнительно высокую стоимость, модели пользуются повышенным спросом. Их отличают компактные размеры, бесшумная работа, гарантированная экологичность и безопасность для человека. В продаже представлены генераторы от 1,5 до 10 кВт, что позволяет выбрать мотор в зависимости от количества и мощности устройств-потребителей. Длительность работы моделей – приблизительно 20 лет. А вот аккумуляторы потребуется менять чаще: их хватает обычно на 3-4 года.
Разработка бестопливного аппарата
Схема с самозапиткой генератора свободной энергии благодаря конструкции соответствует статусу бестопливного механизма, потому что использует космические излучения как источник энергии. Этот аппарат способен активироваться самостоятельно, при этом извлекая электричество из атмосферы земли. По мнению Тесла, связка проводов, направленных вверх, за пределы атмосферы, даст ток, который будет идти от земли, потому как в ней тепла больше, чем за ее пределами.
В процессе прохождения напряжения можно запитать электродвигатель, причем функционирующий до температурного снижения в земле. В результате Никола Тесла смог вывести схему бестопливного генератора свободной энергии. Причем эта установка производит электричество без дополнительных источников питания – задействуется только атмосфера. В процессе энергия эфира была использована в целях добычи заряда частиц. Спустя какое-то время ученый утверждал, что обычная машина не способна заниматься преобразованием.

Резонаторный трансформатор Тесла
Резонансный трансформатор Тесла — отсциллятор (колебательная система), в которой трансформирует, изменяет напряжение переменного электрического тока в высокочастотный.
Основу трансформатора Тесла составляют два контура, из первичной и вторичной катушки. Именно в этой колебательной системе происходит трансформация первоначального импульса электротока.
Составляющие элементы катушки Тесла:
- катушки (первичная, вторичная);
- накопитель-конденсатор;
- разрядник-вентилятор (предохраняет от перенапряжения);
- защитный контур или кольцо с заземлением;
- тороид.
Сборка всех этих элементов в единое устройство позволит низкочастотный импульс электрического тока преобразовать в высокочастотное напряжение.

Назначение элементов высокочастотного трансформатора Тесла
Тороид. Вращающийся по прямой линии круг образует форму тора. Это геометрическая форма тороида. Для трансформатора Тесла используют гофрированную металлической трубу.
Назначение тороида:
- снижает частоту колебаний второго контура;
- увеличивает выходное напряжение;
- создаёт электростатическое поле вторичной обмотки;
- защищает от пробоя вторичную обмотку.
Первичная обмотка или резонансный контур
Проводник с небольшим сопротивлением. Для его изготовления используют медную трубку с диаметром 6 мм. С помощью дополнительных устройств меняют частоту резонанса контура.
Вторичная катушка
Основной элемент резонансного трансформатора — вторичная катушка с обмоткой. Длина обмотки в экспериментальных установках к диаметру составляет 5/1. Оптимальное количество витков медной обмотки 1000 — 1200 оборотов. Наматывают их на диэлектрические ПВХ трубы.
Материалы для изготовления высокочастотного трансформатора Тесла:
- в качестве источника питания используют трансформатор для неоновой подсветки (до 35 мА/напряжения на выходе меньше 4 кВ);
- конденсатор;
- провод из меди толщиной (от 0,3 до 0,6 мм) ;
- пластиковая труба (75 мм);
- заземление (металлический прут);
- металлическая вентиляционная труба:
- шар из металла, полый внутри (тороид);
- медная трубка для кондиционера (6 мм).
- шарик из металла, крепёж.
Монтаж системы генератора по схеме.
Система состоит из следующих блоков:
- Разрядник. 2 металлических болта, прикручивают к основе из пластика, между ними фиксируют металлический шарик. В момент подключения к трансформатору в разряднике возникает искра.
- Конденсатор. Состоит из 1 блока или составных элементов. Конденсатор накапливает заряд, чтобы пробить разрядник.
- Резонансный трансформатор, подает первичный электрический импульс.
- Вторичная катушка индуктивного контура. Медный провод наматывают на пластиковую трубу, витки должны плотно прилегать друг к другу (количество витков от 900 до 1200). Обмотку, если это не эмалированный медный провод, покрывают несколькими слоями лака, эпоксидной смолы. К вторичной катушке подсоединяют провод и выводят заземление.
- Первичный контур. Изготавливают из медной трубы, которую сгибают в несколько витков. Чтобы она не треснула, в момент изгибания, внутрь предварительно нужно насыпать песок. Между витками оставляют расстояния до 5 мм. Соединяют все элементы по схеме.
Принцип действия трансформатора Тесла
От трансформатора подаётся импульс, который заряжает конденсаторы. При достижении нужного напряжения, происходит пробой газа на разряднике, искра. Первичный контур в момент замыкания генерирует высокочастотное колебание. Электромагнитные волны переходят на вторичную катушку. Возникает резонансное колебание, которое продуцирует токи высокой частоты и напряжения.
Газовые разряды
Работа высокочастотного трансформатора Теслы сопровождается интересными эффектами. Образуются различные газовые разряды и свечения:
- Стимеры. Ионизированное свечение газов в воздухе.
- Спарки. Вспыхивающие и гаснущие искровые каналы.
- Коронное свечение. Возникает вокруг искривленных частей трансформатора (голубого цвета).
- Дуга. Появляется, если в высоковольтное поле ввести заземлённый предмет, возникает светящаяся дуга.
Подобные эффекты широко используют для создания различных эстрадных, цирковых шоу.
Один из незаслуженно забытых
Таким устройствам, как бестопливные двигатели, совершенно не требуется обслуживание. Они абсолютно бесшумны и не загрязняют атмосферу. Одна из самых известных разработок в области экотехнологий – принцип получения тока из эфира по теории Н. Теслы. Устройство, состоящее из двух резонансно настроенных трансформаторных катушек, является заземленным колебательным контуром. Изначально генератор свободной энергии своими руками Тесла сделал в целях передачи радиосигнала на дальние расстояния.
Если рассматривать поверхностные слои Земли как огромный конденсатор, то можно представить их в виде одной токопроводящей пластины. В качестве второго элемента в этой системе используется ионосфера (атмосфера) планеты, насыщенная космическими лучами (так называемый эфир). Через обе эти «пластины» постоянно текут разнополюсные электрические заряды. Чтобы «собрать» токи из ближнего космоса, необходимо изготовить генератор свободной энергии своими руками. 2013 год стал одним из продуктивных в этом направлении. Всем хочется пользоваться бесплатным электричеством.
Модели генераторов на магнитах и их стоимость
На рынке производителей магнитных генераторов существенно выделяются три лидера:
- «Вега»;
- «Верано-Ко»;
- «U-Polemag»;
- «Энерджистем».
«Вега»
Производитель выпускает генераторы, работающие по принципу магнитной индукции, идею которой воплотил в реальность ученый физик Адамс. Стоимость определенных моделей полностью зависит от выходной мощности и габаритов агрегата. Цена начинается от 45 000 рублей. Среди явных преимуществ можно выделить следующие показатели:
- высокий уровень экологичности;
- бесшумная работа, позволяющая устанавливать генератор в жилой зоне;
- компактность;
- широкая линейка моделей от 1,5 до 10 кВт.
Работа генератора показана на видео





































