Как устроена светодиодная лампа?
Близкое знакомство с конструкцией LED-светильника может потребоваться только в одном случае – если необходимо отремонтировать или усовершенствовать источник света.
Домашние умельцы, имея на руках комплект элементов, могут самостоятельно собрать лампу на светодиодах, но новичку это не по силам.

Зато, изучив схему и имея элементарные навыки работы с электроникой, даже новичок сможет разобрать лампу, заменить сломанные детали, восстановив функциональность прибора. Чтобы ознакомиться с подробными инструкциями по выявлению поломки и самостоятельному ремонту светодиодной лампы, переходите, пожалуйста, по этой ссылке.
Имеет ли смысл ремонт LED-лампы? Безусловно. В отличие от аналогов с нитью накаливания по 10 рублей за штуку, светодиодные устройства стоят дорого.
Предположим, «груша» GAUSS – около 80 рублей, а более качественная альтернатива OSRAM – 120 рублей. Замена конденсатора, резистора или диода обойдется дешевле, да и срок службы лампы своевременной заменой можно продлить.
Существует множество модификаций LED-ламп: свечи, груши, шары, софиты, капсулы, ленты и др. Они отличаются формой, размером и конструкцией. Чтобы наглядно увидеть отличие от лампы накаливания, рассмотрим распространенную модель в форме груши.

Если отвлечься от привычной формы, можно заметить только один знакомый элемент – цоколь. Размерный ряд цоколей остался прежним, поэтому они подходят к традиционным патронам и не требуют смены электросистемы. Но на этом сходство заканчивается: внутреннее устройство светодиодных приборов намного сложнее, чем у ламп накаливания.
LED-лампы не предназначены для работы напрямую от сети 220 В, поэтому внутри устройства заключен драйвер, являющийся одновременно блоком питания и управления. Он состоит из множества мелких элементов, основная задача которых – выпрямить ток и снизить напряжение.
Текущие правила выбора конвертера
Чтобы приобрести преобразователь светодиодной лампы, следует изучить ключевые особенности устройства. Стоит полагаться на выходное напряжение, номинальный ток и мощность.
Мощность светодиода
Давайте проанализируем начальное выходное напряжение, которое зависит от нескольких факторов:
- величина потерь напряжения на PN переходах кристаллов;
- количество светодиодов в цепи;
- схема подключения.
Параметры номинального тока могут определяться характеристиками потребителя, а именно мощностью светодиодных элементов и степенью их яркости.
Этот индикатор будет влиять на ток, потребляемый кристаллами, диапазон которого варьируется в зависимости от требуемой яркости. Задача преобразователя – подавать на эти элементы необходимое количество энергии.

Мощность устройства зависит от мощности каждого светодиодного элемента, их цвета и количества.
Для расчета потребления энергии используйте следующую формулу:
PH = PLED * N,
Где
- PLED – электрическая нагрузка, создаваемая диодом,
- N – количество кристаллов в цепочке.
Полученные показатели не должны быть меньше мощности водителя. Теперь необходимо определить требуемый номинал.
Максимальная мощность устройства
При этом следует учитывать, что для обеспечения стабильной работы преобразователя его номиналы должны превышать полученное значение PH на 20-30.
Тогда формула принимает вид:
Pmax ≥ (1,2..1,3) * PH,
где Pmax – номинальная мощность источника питания.
Помимо мощности и количества потребителей на плате, сопротивление нагрузки также зависит от цветовых факторов потребителя. При одинаковом токе в зависимости от оттенка у них разная скорость падения напряжения.

Взять, к примеру, светодиоды американской компании Cree линейки XP-E красного цвета.
Их характеристики следующие:
- падение напряжения 1,9-2,4В;
- ток 350 мА;
- средняя потребляемая мощность 750 мВт.
Аналог зеленого цвета при таком же токе будет иметь совершенно другие показатели: потери на PN переходах 3,3-3,9 В и мощность 1,25 Вт.
В итоге можно сделать выводы: драйвер на 10 Вт используется для питания двенадцати красных или восьми зеленых кристаллов.
Схема подключения светодиодов
Выбор драйвера следует производить после определения схемы подключения потребителей светодиодов. Если сначала купить светодиоды, а потом подобрать к ним преобразователь, то этот процесс будет сопровождаться множеством сложностей.
Чтобы найти устройство, гарантирующее работу такого количества потребителей при определенной схеме подключения, придется потратить много времени.
Возьмем пример с шестью потребителями. У них потеря напряжения 3В, потребление тока 300мА. Для их подключения можно использовать один из способов, и в каждом случае требуемые параметры блока питания будут разными.

В нашем случае при последовательном подключении требуется блок 18В с током 300мА. Основное преимущество этого метода в том, что по всей линии проходит одинаковая сила, соответственно, все диоды горят с одинаковой яркостью.

Если используется параллельное позиционирование, достаточно использовать преобразователь 9 В, однако значение потребляемого тока будет удвоено по сравнению с предыдущим методом.

Если используется последовательный метод с формированием пар из двух светодиодов, то используется драйвер с теми же характеристиками, что и в предыдущем случае. В этом случае яркость освещения уже будет равномерной.
Однако и здесь были некоторые отрицательные нюансы: при подаче питания на группу из-за разброса характеристик один из светодиодов может открываться быстрее второго, соответственно через него будет протекать ток, вдвое превышающий номинал.
Многие типы светодиодов домашнего освещения рассчитаны на такие кратковременные пики, но этот метод требуется меньше.
Как сделать драйвер для светодиодов своими руками
Собрать схему драйвера светодиодной лампы сможет любой начинающий мастер. Но для этого потребуется аккуратность и терпение. С первого раза стабилизирующее устройство может не получиться. Чтобы читателю было понятнее, как выполняется работа, предлагаем несколько простейших схем.
Как можно убедиться, ничего сложного в схемах драйверов для светодиодов от сети 220 В нет. Попробуем рассмотреть пошагово все этапы работ.
Пошаговая инструкция изготовления драйвера для светодиодов своими руками
| Фото пример | Выполняемое действие |
|---|---|
| Для работы нам понадобится обычный блок питания для телефона. С его помощью все выполняется быстро и просто. | |
| После разборки зарядного устройства в руках у нас уже практически полноценный драйвер для трех одноваттных светодиодов, однако его нужно немного доработать. | |
| Выпаиваем ограничительный резистор на 5 кОм, который находится возле выходного канала. Именно он не дает зарядному устройству подать слишком большое напряжение на сотовый телефон. | |
| Вместо ограничительного впаиваем подстроечный резистор, выставив на нем те же 5кОм. Впоследствии добавим напряжение до необходимого. | |
| На выходной канал припаивается 3 светодиода по 1 Вт каждый, соединенные последовательно, что в сумме даст нам 3 Вт. | |
| Находим входные контакты и отпаиваем от печатной платы. Они нам уже не нужны… | |
| …а на их место припаиваем сетевой шнур, по которому будет подаваться питание 220 В. | |
| При желании в разрыв можно поставить резистор на 1 Ом, выставить амперметром все показатели. В этом случае диапазон затухания светодиодов будет шире. | |
| После полной сборки проверяем работоспособность. Выходное напряжение 5 В, светодиоды пока не светятся. | |
| Поворачивая регулятор на резисторе видим, как LED-элементы начинают «разгораться». |
Будьте внимательны. От такого преобразователя можно получить разряд не только в 220 В (от сетевого шнура), но и удар порядка 450 В, что довольно неприятно (проверено на себе).
Очень важно! Перед тем, как проверить драйвер для светодиодов на работоспособность и подключить к источнику питания, стоит еще раз визуально проверить правильность собранной схемы. Поражение электрическим током опасно для жизни, а вспышка от короткого замыкания может причинить вред глазам.
Срок службы

Как у любого электронного устройства у светодиодного драйвера есть срок службы, который зависит от условий эксплуатации. Фирменные современные светодиоды уже работают до 50-100 тысяч часов, поэтому питание выходит из строя раньше.
Классификация:
- ширпотреб до 20.000ч.;
- среднее качество до 50.000ч.;
- до 70.000ч. источник питания на качественных японских комплектующих.
Этот показатель важен при расчёте окупаемости на долгосрочную перспективу. Для бытового пользования хватает ширпотреба. Хотя скупой платит дважды, и в светодиодных прожекторах и светильниках это отлично работает.
Как выбрать драйвер для светодиодов
От выбора драйвера зависит срок службы светодиодов. При этом светодиод достигает своих номинальных характеристик, так как получает необходимую ему мощность.
В зависимости от степени защиты драйвер можно применять либо дома, либо на улице. Внешне драйвер может быть открытым, в корпусе из перфорированного металла, либо – закрытый, размешенный в герметичной металлической коробке. Для дома достаточно негерметизированного пластикового корпуса, в котором расположен электронный блок.
Сразу стоит учесть, что ограничивающий резистор – это не самый лучший вариант. Он не избавит ни от скачков питающей сети, ни от импульсных помех. Любое изменение напряжения приведет в скачку тока. Линейные стабилизаторы также не являются достойным средством запитки светоизлучающих диодов. Его способности ограничиваются низкой эффективностью.
Выбор драйвера производится только после того, как известна суммарная мощность, схема подключения и количество светодиодов.
Сейчас много подделок и одни и те же по типоразмерам диоды могут обеспечивать разные мощности. Лучше использовать только известные марки электротехнической продукции.
На корпусе драйвера для подключения светодиодов, всегда размещена спецификация. Она включает:
- класс защищенности от пыли и жидкости,
- мощность,
- номинальный стабилизированный ток,
- рабочее входное напряжение,
- диапазон выходного напряжения.
Достаточно популярны бескорпусные led-драйверы. Плату потребуется разместить в корпусе. Это необходимо для безопасного использования. Платы больше подходят для радиолюбителей-энтузиастов. У них входное напряжение может быть либо 12 В, либо 220 В.
Также стоит продумать о размещении драйвера. Температура и влажность влияют на надежность системы освещения.
Какими бывают драйверы для светодиодов по типу устройства
Драйверы для светодиодов классифицируют по типу устройства на линейные и импульсные. Структура и типовая схема драйвера для светодиодов линейного типа представляет собой генератор тока на транзисторе с р-каналом. Такие устройства обеспечивают плавную стабилизацию тока при условии неустойчивого напряжения на входном канале. Они являются простыми и дешевыми устройствами, однако отличаются низкой эффективностью, выделяют при работе много тепла и не могут быть использованы как драйвера для мощных светодиодов.
Импульсные устройства создают в выходном канале ряд высокочастотных импульсов. Их работа основана на принципе ШИМ (широтно-импульсной модуляции), когда средняя величина тока на выходе обуславливается коэффициентом заполнения, т.е. отношением длительности импульса к числу его повторений. Изменение величины среднего выходного тока происходит вследствие того, что частота импульсов остается неизменной, а коэффициент заполнения изменяется от 10-80%.
Благодаря высокому КПД преобразований (до 95%) и компактности устройств, они нашли широкое применение для портативных светодиодных конструкций. Кроме того, эффективность устройств положительно сказывается на длительности функционирования автономных приборов питания. Преобразователи импульсного типа имеют компактные размеры и отличаются обширным диапазоном входных напряжений. Недостатком этих устройств является высокий уровень электромагнитных помех.

КПД светодиодных драйверов достигает 95%
Перед тем как подобрать драйвер для светодиодов, необходимо знать условия его функционирования и место размещения светодиодных приборов. Широтно-импульсные драйверы, в основе которых лежит одна микросхема, имеют миниатюрные размеры и рассчитаны на питание от автономных низковольтных источников. Основное применение этих устройств – тюнинг автомобилей и светодиодная подсветка. Однако ввиду использования упрощенной электронной схемы качество таких преобразователей несколько ниже.
Изготовление драйвера светодиодов на 220В своими руками
Схема лед драйвера на 220 вольт представляет собой не что иное, как импульсный блок питания.
В качестве самодельного светодиодного драйвера от сети 220В рассмотрим простейший импульсный блок питания без гальванической развязки. Основное преимущество таких схем – простота и надёжность. Но будьте осторожны при сборке, поскольку у такой схемы нет ограничения по отдаваемому току. Светодиоды будут отбирать свои положенные полтора ампера, но если вы коснётесь оголённых проводов рукой, ток достигнет десятка ампер, а такой удар тока очень ощутимый.
Схема простейшего драйвера для светодиодов на 220В состоит их трёх основных каскадов:
- Делитель напряжения на ёмкостном сопротивлении;
- диодный мост;
- каскад стабилизации напряжения.
Первый каскад – ёмкостное сопротивление на конденсаторе С1 с резистором. Резистор необходим для саморазрядки конденсатора и на работу самой схемы не влияет. Его номинал не особо критичен и может быть от 100кОм до 1Мом с мощностью 0,5-1 Вт. Конденсатор обязательно не электролитический на 400-500В (эффективное амплитудное напряжение сети).
При прохождении полуволны напряжения через конденсатор, он пропускает ток, пока не произойдет заряд обкладок. Чем меньше его ёмкость, тем быстрее происходит полная зарядка. При ёмкости 0,3-0,4мкФ время зарядки составляет 1/10 периода полуволны сетевого напряжения. Говоря простым языком, через конденсатор пройдет лишь десятая часть поступающего напряжения.
Второй каскад – диодный мост. Он преобразует переменное напряжение в постоянное. После отсечения большей части полуволны напряжения конденсатором, на выходе диодного моста получаем около 20-24В постоянного тока.
Третий каскад – сглаживающий стабилизирующий фильтр.
Конденсатор с диодным мостом выполняют функцию делителя напряжения. При изменении вольтажа в сети, на выходе диодного моста амплитуда так же будет меняться.
Что бы сгладить пульсацию напряжения параллельно цепи подключаем электролитический конденсатор. Его ёмкость зависит от мощности нашей нагрузки.
В схеме драйвера питающее напряжение для светодиодов не должно превышать 12В. В качестве стабилизатора можно использовать распространённый элемент L7812.
Собранная схема светодиодной лампы на 220 вольт начинает работать сразу, но перед включением в сеть тщательно изолируйте все оголённые провода и места пайки элементов схемы.
Виды драйверов
Все драйвера различают по трем критериям – по способу стабилизации, конструкционным особенностям и наличию/отсутствию защиты. Рассмотрим все варианты подробнее.
Линейные и импульсные
В зависимости от схемы стабилизации тока драйверы делятся на два типа – линейные и импульсные. Они отличаются принципом работы и эффективностью.
Перед электронной схемой драйвера поставлена задача – обеспечение стабильных значений тока и напряжения, подводимых к кристаллу (светодиоду). Самый простой и дешевый вариант – включение в цепь ограничительного резистора.
Линейная схема питания:
Эта элементарная схема не способна обеспечивать автоматическое поддержание тока. При повышении напряжения он пропорционально растет и, когда превысит допустимое значение, кристалл разрушится от перегрева.
Более сложное управление осуществляется путем включения в цепь транзистора. Минус линейной схемы – снижение мощности при росте напряжения. Такой вариант допустим при работе led-источников малой мощности, но при работе мощных светодиодов такие схемы не применяют.
Плюсы линейной схемы:
- простота;
- дешевизна;
- относительная надежность.
Наряду с линейными схемами, стабилизировать ток и напряжение можно путем импульсной стабилизации:
- после нажатия кнопки заряжается конденсатор;
- после отпускания конденсатор разряжается, отдавая запасённую энергию полупроводниковому элементу (светодиоду), который начинает испускать свет;
- если напряжение растет, то время зарядки конденсатора сокращается, если падает – увеличивается.
Нажимать кнопку пользователю не приходится – за него всё делает электроника. Роль кнопочного механизма в современных источниках питания выполняют полупроводники – тиристоры или транзисторы.
Рассмотренный принцип работы называется в электронике широтно-импульсной модуляцией. За секунду может происходить десятки и даже тысячи срабатываний. КПД такой схемы достигает 95 %.
Упрощенная схема импульсной стабилизации:
Электронные, диммируемые и на базе конденсаторов
От принципа устройства драйвера зависит область его применения и эксплуатационные характеристики.
Виды драйверов по принципу устройства:
- Электронные. В их схемах обязательно используется транзистор. На выходе устанавливается конденсатор, исключающий или хотя бы сглаживающий пульсации тока. Электронные преобразователи способны стабилизировать токи до 750 мА. Драйверы электронного типа борются не только с пульсациями, но и с электромагнитными высокочастотными помехами, наводимыми электроприборами (радио, телевизор, роутер и т. п.). Минимизировать помехи позволяет наличие специального керамического конденсатора. Минус электронного драйвера – высокая стоимость, плюс – КПД близкий к 95 %. Их используют в мощных led-светильниках: автофарах, прожекторах, уличных фонарях.
- Диммируемые. Особенность диммируемых драйверов – возможность управления яркостью светильника. Регулировка основана на изменении тока на выходе, который и определяет яркость светопотока. Драйвер можно включать в схему двумя способами: между светильником и стабилизатором или между источником питания и преобразователем.
- На основе конденсаторов. Это недорогие модели, используемые для бюджетных светодиодных светильников. Если в схеме производитель не предусмотрел сглаживающий конденсатор, то на выходе наблюдается пульсация. Другой минус – недостаточная безопасность. Плюс подобных моделей – высокий КПД, стремящийся к 100 %, и простота схемы. Подобные драйверы легко собрать своими руками.
В корпусе и без него
Драйвер может быть размещен внутри защитного корпуса, но может и не иметь его. Электронные схемы уязвимы перед многими внешними факторами, поэтому более надежным вариантом считается размещение драйвера в корпусе.
Корпус защищает электронный преобразователь от влаги, пыли, попадания прямых солнечных лучей и т. д. Бескорпусные модели обходятся дешевле, но у них меньше срок службы и хуже стабильность эксплуатации. Они больше подходят для скрытого монтажа.
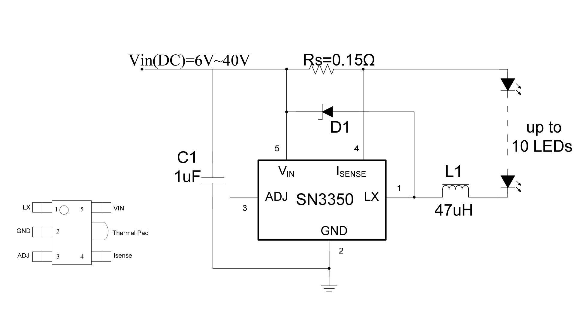
SN3350
SN3350 – очередная недорогая микросхема для светодиодных драйверов (13 руб/штучка). Является практически полным аналогом PT4115 с той лишь разницей, что напряжение питания может лежать в диапазоне от 6 до 40 вольт, а максимальный выходной ток ограничен 750 миллиамперами (длительный ток не должен превышать 700 мА).
Как и все вышеописанные микросхемы, SN3350 представляет собой импульсный step-down преобразователь с функцией стабилизации выходного тока. Как обычно, ток в нагрузке (а в нашем случае в роли нагрузки выступают один или несколько светодиодов) задается сопротивлением резистора R:
R = 0.1 / ILED
Чтобы не превысить значение максимального выходного тока, сопротивление R не должно быть ниже 0.15 Ом.
Микросхема выпускается в двух корпусах: SOT23-5 (максимум 350 мА) и SOT89-5 (700 мА).
Как обычно, подавая постоянное напряжение на вывод ADJ, мы превращаем схему в простейший регулируемый драйвер для светодиодов.
Особенностью данной микросхемы является несколько иной диапазон регулировки: от 25% (0.3В) до 100% (1.2В). При снижении потенциала на выводе ADJ до 0.2В, микросхема переходит в спящий режим с потреблением в районе 60 мкА.
Типовая схема включения:
Остальные подробности смотрите в спецификации на микросхему (pdf-файл).
Виды драйверов
Все драйвера различают по трем критериям – по способу стабилизации, конструкционным особенностям и наличию/отсутствию защиты. Рассмотрим все варианты подробнее.
Линейные и импульсные
В зависимости от схемы стабилизации тока драйверы делятся на два типа – линейные и импульсные. Они отличаются принципом работы и эффективностью.
Перед электронной схемой драйвера поставлена задача – обеспечение стабильных значений тока и напряжения, подводимых к кристаллу (светодиоду). Самый простой и дешевый вариант – включение в цепь ограничительного резистора.
Линейная схема питания:
Эта элементарная схема не способна обеспечивать автоматическое поддержание тока. При повышении напряжения он пропорционально растет и, когда превысит допустимое значение, кристалл разрушится от перегрева.
Более сложное управление осуществляется путем включения в цепь транзистора. Минус линейной схемы – снижение мощности при росте напряжения. Такой вариант допустим при работе led-источников малой мощности, но при работе мощных светодиодов такие схемы не применяют.
Плюсы линейной схемы:
- простота;
- дешевизна;
- относительная надежность.
Наряду с линейными схемами, стабилизировать ток и напряжение можно путем импульсной стабилизации:
- после нажатия кнопки заряжается конденсатор;
- после отпускания конденсатор разряжается, отдавая запасённую энергию полупроводниковому элементу (светодиоду), который начинает испускать свет;
- если напряжение растет, то время зарядки конденсатора сокращается, если падает – увеличивается.
Нажимать кнопку пользователю не приходится – за него всё делает электроника. Роль кнопочного механизма в современных источниках питания выполняют полупроводники – тиристоры или транзисторы.
Рассмотренный принцип работы называется в электронике широтно-импульсной модуляцией. За секунду может происходить десятки и даже тысячи срабатываний. КПД такой схемы достигает 95 %.
Упрощенная схема импульсной стабилизации:
Электронные, диммируемые и на базе конденсаторов
От принципа устройства драйвера зависит область его применения и эксплуатационные характеристики.
Виды драйверов по принципу устройства:
- Электронные. В их схемах обязательно используется транзистор. На выходе устанавливается конденсатор, исключающий или хотя бы сглаживающий пульсации тока. Электронные преобразователи способны стабилизировать токи до 750 мА. Драйверы электронного типа борются не только с пульсациями, но и с электромагнитными высокочастотными помехами, наводимыми электроприборами (радио, телевизор, роутер и т. п.). Минимизировать помехи позволяет наличие специального керамического конденсатора. Минус электронного драйвера – высокая стоимость, плюс – КПД близкий к 95 %. Их используют в мощных led-светильниках: автофарах, прожекторах, уличных фонарях.
- Диммируемые. Особенность диммируемых драйверов – возможность управления яркостью светильника. Регулировка основана на изменении тока на выходе, который и определяет яркость светопотока. Драйвер можно включать в схему двумя способами: между светильником и стабилизатором или между источником питания и преобразователем.
- На основе конденсаторов. Это недорогие модели, используемые для бюджетных светодиодных светильников. Если в схеме производитель не предусмотрел сглаживающий конденсатор, то на выходе наблюдается пульсация. Другой минус – недостаточная безопасность. Плюс подобных моделей – высокий КПД, стремящийся к 100 %, и простота схемы. Подобные драйверы легко собрать своими руками.
В корпусе и без него
Драйвер может быть размещен внутри защитного корпуса, но может и не иметь его. Электронные схемы уязвимы перед многими внешними факторами, поэтому более надежным вариантом считается размещение драйвера в корпусе.
Корпус защищает электронный преобразователь от влаги, пыли, попадания прямых солнечных лучей и т. д. Бескорпусные модели обходятся дешевле, но у них меньше срок службы и хуже стабильность эксплуатации. Они больше подходят для скрытого монтажа.




































