Принцип действия и основные разновидности диммеров
Перед установкой димера вы должны разобраться с тем, как он вообще работает. Что касается принципа действия, то он в данном случае достаточно прост. Диммер заранее регулирует подачу напряжения на осветительный прибор в помещении. Если должным образом с этим разобраться, то прибор сможет изменять подачу напряжения к светильнику от 0 до 100 процентов.
Чем меньшее напряжение будет подаваться, тем, соответственно, меньшей будет яркость освещения в комнате. Помимо того, данное устройство имеет различные вариации конструкции. Есть сразу несколько параметров, по которым классифицируются современные диммеры. Ознакомимся с каждым из них более детально.
Классификация диммера по типу исполнения
С этой точки зрения все диммеры делятся на три большие группы, рассмотрим их.
- Модельные. Такие приборы предназначаются для установки в распределительный щиток. С их помощью можно регулировать, а также включать освещения в местах, которые можно отнести к разряду общественных (это может быть коридор или, к примеру, лестница, подъезд).
- Моноблочные. Представители этой категории монтируются вместо обычного выключателя. Именно поэтому проблем с установкой таких диммеров своими руками зачастую не возникает вовсе. Приборы достаточно популярны, поэтому в последнее время обзавелись некоторыми подвидами, различающимися способом управления.
- С выключателем. А такие устройства устанавливаются в специальную коробочку, куда зачастую монтируются розетки. Что же касается органа управления, то в качестве такового в данном случае выступает кнопка (не всегда, но в большинстве случаев).
Классификация диммеров по способу управления
Итак, моноблочные бытовые модели могут иметь, как мы только что отметили, несколько вариантов управления.
- Поворотные модели. У них имеется специальная вращающаяся ручка. Если перевести ее в крайнее левое положение, это выключит освещение, а если поворачивать ее вправо, то будет повышаться яркость светильников.
- Клавишные модели. Внешне являются точной копией двухклавишного размыкателя. Предназначение первой клавиши – регулировка яркости света, а второй – его отключение/включение.
- Поворотно-нажимные модели. Действуют практически по тому же принципу, что и поворотные, однако отличаются тем, что для того, чтобы включить освещение, нужно немного утопить ручку.
Самыми удобными по праву считают диммеры с функцией дистанционного управления. Благодаря пульту д/у, вы получите возможность регулировки яркости света с любой точки помещения. Кроме того, отдельные модели выполняют еще и функцию выключателя. У каждой имеется своя схема подключения диммера, но об этом несколько позже.
Классификация по виду ламп
Не можем не согласиться с тем, что использование разных регуляторов для каждой конкретной разновидности ламп – это как минимум странно. Но дело в том, что современные лампы очень разнообразны и имеют самые разные конструктивные особенности.
Что касается ламп накаливания, то для них применяются простейшие светорегуляторы, которые функционируют по предельно простому принципу: яркость освещения нитей регулируется посредством изменения напряжения. Помимо того, такие диммеры могут использоваться и для галогенных ламп, питающихся от стандартного 220-вольтного напряжения. Наконец, сама конструкция данных устройство принципиальной сложностью не отличается.
Видео – Правила подключения ламп к диммеру
А вот для галогенных лампочек, функционирующих от 12-24 вольт, применяются более сложные светорегуляторы. В идеале в схеме подключения должен присутствовать понижающий трансформатор, но, если этой по той или иной причине невозможно, можете подобрать диммер по типу уже наличествующего трансформатора. Если последний электронный, то потребуется модель с маркировкой С, а если обмоточный – с отметкой RL.
Наконец, со светодиодными дампами должен использоваться особый диммер, импульсно модулирующий частоту тока.
Видео – Несколько слов о диммере для светодиодов
Самыми сложными с точки зрения регулировки интенсивности освещения считаются люминесцентные лампы (либо, как их еще называют, энергосберегающие). Многие даже уверены, что такие осветительные сети вообще не следует диммировать. Но если вы не согласны с этими людьми, то в обязательном порядке в ключайте в схему электронный пускатель (или сокращенно ЭПРА).
ТОП-3 паяльников для плат
Чтобы собрать качественную схему, что будет служить долгие годы, приобрести желательно хороший аппарат для пайки. На рынке известны производители, сумевшие доказать качество своей продукции:
- Немецкая компания Ersa. Пальники очень хорошие, но у производителя есть существенный недостаток – продукция продается по большой цене, а потому приобретают в основном для профессионального использования.
- Quick – китайская компания, не уступающая по качеству, но выпускающая модели по приемлемым ценам.
- Бюджетный вариант Luckey. Такая модель – идеальна для новичков. Но нельзя оставлять прибор без присмотра – бывали случаи возгорания.
Посмотрите на картинке укомплектованный паяльник для микросхем:
Паяльник
Чтобы выбрать хороший паяльник для плат, нужно внимательно посмотреть на его основные характеристики. Мощность в 10 Вт подойдет для сборки простых микроплат – достаточный уровень нагрева и не придется беспокоиться о перегреве схемы. Для бытовых условий же приобретают на 20-40 Вт. Большая мощность не понадобится, ведь подобные паяльники применяют уже для работы с радиаторами и металлами.
Деревянная ручка

Особое внимание уделяйте изучению ручки. Она не должна нагреваться при работе – иначе пострадают руки
Желательно выбирать эту деталь из древесины. Пластик нагреется очень скоро, а эбонит утяжелит весь прибор и работать с маленькими деталями будет неудобно. Поэтому дерево – наиболее подходящий вариант как с точки зрения устойчивости к нагреву, так и удобства.
Жало

На жало тоже обращайте внимание при покупке. Медь – самый подходящий вариант, поскольку его будет проще обрабатывать, очищать от прилипшего нагара
Часто выпускаются модели с набором жал, различающихся по форме. Для пайки микросхем это весьма удобно – появляется возможность регулирования длины. Прямое жало подходит для обучения новичков, но опытные пользователи могут применять и с различными загибами под разными углами.
Схема подключения моноблочного диммера
Чаще всего самостоятельно подключают моноблочные регуляторы света. Их ставят вместо выключателя. При однофазной сети схема подключения такая же, как и на обычном выключателе — последовательно с нагрузкой — в разрыв фазы. Это очень важный нюанс. Диммеры ставят только в разрыв фазного провода. Если подключить диммер неправильно (в разрыв нейтрали), электронная схема выйдет их строя. Чтобы не ошибиться, перед установкой надо точно определиться, какой из проводов фаза, а какой — нейтраль (ноль).

Перед тем как поставить диммер, надо найти фазный провод
Если речь идет об установке диммера на место выключателя, то надо сначала отключить провода от клемм выключателя (с отключенным на щитке питанием), включить автомат и тестером, мультиметром или индикатором (отвертка со светодиодом) найти фазный провод (при прикосновении щупом к фазе на приборе появляются какие-то показания или загорается светодиод, а проводе нейтрали (ноля) никаих потенциалов быть не должно).

Определение фазного провода индикатором
Найденную фазу можно каким-то образом обозначить — поставить на изоляции черту, наклеить кусок изоленты, цветного скотча и т.п. Затем питание снова отключают (входной рубильник на щитке) — можно подключать диммер.

Схема подключения диммера
Схема подключения регулятора света проста: на вход устройства подается найденный фазный провод, с выхода провод идет на нагрузку (на рисунке на распределительную коробку, а оттуда — на лампу).
Есть два вида диммеров — в одних входной и выходной контакт подписаны. В таком случае надо следовать указаниям и подавать фазу именно на подписанный вход. На других устройствах входы не подписаны. В них подключение фазы произвольное.
Рассмотрим как подключить диммер с поворотным диском. Сначала надо его разобрать. Для этого вынимаем диск — его надо потянуть на себя. Под диском находится кнопка, которая фиксируется прижимной гайкой.

Перед монтажом диммер разбираем
Эту гайку откручиваем (можно пальцами) и снимаем лицевую панель. Под ней находится монтажная пластина, которую потом будем прикручивать к стене. Диммер разобран и готов к установке.

Регулятор света без лицевой пластины
Подключаем его по схеме (смотрите ниже): фазный провод заводим на один вход (если есть маркировка входа, то на него), ко второму входу подсоединяем проводник, который идет на лампу/люстру.

Схема подключения лампы к диммеру
Осталось закрепить. Вставляем подключенный регулятор в монтажную коробку, закрепляем его винтами.

Затем накладываем лицевую панель, фиксируем ее снятой ранее гайкой и, в последнюю очередь устанавливаем поворотный диск. Диммер установлен. Включаем питание, проверяем работу.

Схема подключения диммера
Диммеры, называемые также светорегуляторами, последовательно подключаются в цепь питания, поступающего на лампочку. Эти устройства могут быть механическими или электронными. Во втором случае, прибор, кроме основной функции, выполняет ряд дополнительных действий. Он способен выключать освещение через определенный промежуток времени, создавать эффект присутствия, срабатывать по команде и т.д. Все типы выключателей с регулятором яркости рассчитаны преимущественно на совместную работу с лампами накаливания. Другие источники света, например, энергосберегающие лампы, при работе с диммером очень быстро выходят из строя, причем сломаться может и сам светорегулятор.
Регулирующее устройство подключается так же, как и обычный выключатель. Единственное, что должно неукоснительно соблюдаться, это полярность подключения. В этом случае выполняется соединение питающего провода с клеммой L. Проводник, предназначенный для подвода к светильнику, подключается к оставшейся клемме.
Электронные диммеры могут подключаться параллельно между собой. Такая схема, состоящая из двух приборов, дает возможность получить по сути проходные выключатели, обладающие функцией регулировки света. Схема установки и подключения диммера аналогична подключению розеток или выключателей, за исключением обязательного соблюдения полярности.
После подключения регулятора яркости провода, расположенные сзади, аккуратно загибаются, а сам диммер помещается в подрозетник. Остается лишь установить рамочку и регулировочную рукоятку.
Диммер: разновидности и их особенности
Современный выключатель диммер можно классифицировать по двум признакам: по типу управления и виду ламп, с которыми они могут работать. Начнем по порядку и для начала разберемся с тонкостями управления данными устройствами. В этом отношении все диммеры можно разделить на модульные, устанавливаемые в монтажную коробку и моноблочные.
- Модульные диммеры – их установка производится в распределительном щитке. Управление освещением осуществляется с помощью выносной кнопки или специального клавишного выключателя. Обычным нажатием производится включение и выключение осветительных приборов, а регулировка яркости света производится после длительного (пятисекундного) нажатия клавиши вверх или вниз. В жилых помещениях такие устройства обычно не используются – они больше подходят для установки в подъездах и на лестничных клетках.
Выключатель с диммером, устанавливаемый в монтажную коробку. Это довольно небольшое устройство, способное уютно разместиться в обычном подрозетнике или распределительной коробке – их управление, как и в предыдущем случае, осуществляется с помощью выносной кнопки или клавишного выключателя.
- Моноблочные диммеры – именно это устройство знакомо многим людям. Его в большинстве случаев устанавливают вместо обычного выключателя
Поворотно-нажимные. Включение света осуществляется после нажатия на ручку, а регулирование освещенности путем ее вращения в одну или другую сторону.
. Это самый распространенный в быту диммер, который благодаря своей востребованности имеет массу подвидов. По способу управления их можно разделить на такие виды.
Поворотные. И включение, и выключение освещения производится путем поворота ручки – щелчок в крайнем левом положении включает и выключает свет, а дальнейшее вращение ручки по часовой стрелке увеличивает освещенность.
Клавишные. Внешне такой диммер похож на двойной выключатель. Левая клавиша отвечает за включение и выключение освещения, а правая за регулировку его интенсивности.
Сенсорные. В некотором роде они похожи на клавишные, только вместо кнопок оборудованы сенсорами. С левой стороны находятся сенсоры включения и выключения, а с правой – сенсоры регулировки. Этот электронный диммер имеет один нюанс – регулировка освещенности осуществляется ступенчато, т.е. в шесть или семь фиксированных положений. Но, несмотря на это, переключение производится достаточно плавно.
Диммеры с пультом ДУ. Если речь идет у дистанционном регулировании освещенности, то в большинстве случаев имеется в виду комбинированная модель диммера – регулировка, как, в общем-то, и включение света, может выполняться как с пульта ДУ, так и вручную.
Сенсорный диммер фото
Теперь можно смело переходить к изучению разновидностей диммеров в зависимости от типа осветительных приборов. Как ни странно, но практически для каждого типа ламп существует свой вид диммеров. Объясняется это особенностями и разнообразием современных ламп.
- Диммер для ламп накаливания и их галогенных сородичей, работающих от напряжения 220V. Это самые простые устройства, работающие по принципу изменения напряжения в большую или меньшую сторону. Проблем с такой регулировкой не возникает, за исключением одного нюанса – с понижением подаваемого на лампу напряжения изменяется спектр свечения лампы. Мало кому нравится красноватый свет, характерный для слабого накала спирали.
Диммер для низковольтных галогенных ламп. Вся проблема регулирования яркости 12 и 24 вольтовых ламп заключается в наличии в сети электропитания понижающего трансформатора. Если в цепи установлен обмоточный трансформатор, то использовать необходимо диммер с маркировкой «RL», а если речь идет об электронной системе понижения напряжения, то нужен диммер с маркировкой «C». В идеале нужно приобрести диммер со встроенным понижающим трансформатором.
- Диммер для энергосберегающих ламп и обычных люминесцентных. Это самый проблемный тип ламп – диммировать обычные люминесцентные лампы со стартером вообще невозможно. Если хотите получить возможность регулировать люминесцентные лампы, в том числе и энергосберегающие лампы, то их нужно оснастить электронным пускателем типа ЭПРА.
- Диммер для светодиодных ламп. Это особый вид устройств, принцип работы которых основан не на изменении подаваемого на лампу напряжения, а на изменении длительности импульса частоты тока. Мерцать от этого они не станут, так как рабочая частота электрического тока для светодиодных ламп находится в пределах 300кГц.
Ну вот, с разновидностями и особенностями различных устройств для регулирования освещенности разобрались, теперь пора заняться их установкой.
Клавишный диммер фото
Виды диммеров и особенности конструкций
Диммер или, другим словами, светорегулятор позволяет с одной точки устанавливать различные режимы освещения. В отличие от двухклавишного выключателя, который может осуществлять до 3 позиций интенсивности, это приспособление плавно меняет яркость одного или нескольких источников света от самой слабой до максимальной.
Чтобы правильно его установить, необходимо разобраться в конструкции. Но здесь возникает сложность, касающаяся различных видов. В продаже имеются устройства с разным способом управления.
Наиболее известным является поворотный механизм, но кроме него можно наткнуться и на кнопочный, электронный, дистанционный и даже акустический.
Подобно выключателю, регулятор света простейшей конструкции подключается к двухжильному проводу в разрыв силовой цепи.
Формой корпуса он напоминает стандартную электроустановку – розетку или выключатель – поэтому может монтироваться как в подрозетник, так и просто в свободную стенную нишу. Фиксация происходит за счет упругой металлической лапки-распорки или двух лапок, а контакты также стандартны.
Первый контакт предназначен для входящей фазы, идущей от распредкоробки, второй – для выходящей жилы нагрузки, которая направляется к источнику освещения. В качестве осветительных приборов может выступать настольная лампа, торшер, люстра, бра или группа точечных светильников.
Кнопочный регулятор напоминает обычный выключатель: коротким нажатием на клавиши можно включить/выключить лампу. Однако если клавишу удерживать 1-2 секунды, то интенсивность освещения плавно изменится.
Современные электронные модели могут управлять одновременно нескольким светильниками (от 2 до 5), установленными в разных помещениях. Дистанционные устройства укомплектованы пультом д/у. Но нужно помнить – чем шире функциональность диммера, тем выше его стоимость.
Если говорить об отличиях в установке, то монтаж и подключение электронных устройств практически такое же, за исключением нюансов, характерных для отдельных производителей.
Схемы подключения
В первую очередь, перед установкой механизма, необходимо подобрать самую оптимальную схему подсоединения. Схема может содержать светорегулятор или простой коммутатор. Подобные соединения удобны и просты в установке, поэтому их можно собрать самостоятельно, без помощи специалистов. Рассмотрим каждое соединение отдельно.
Стандартное подключение. Это самое простое и быстрое подключение. Вместо выключателя устанавливается диммер. При использовании сети на три провода, заземление и ноль идет на светильник, а фаза – на разрыв.
Последовательное соединение. Эта схема очень проста. Ее установка заключается в следующем: необходимо поставить два светорегулятора, с помощью которых будет регулироваться один источник освещения, в разные места. Подключение нужно сделать так чтобы от распределительной коробки на каждый проходной диммер поступало по три проводника. Между собой механизмы соединяются через первый и второй контакты с помощью перемычки. Третий контакт от первого механизма поступает на фазу, а второй прибор соединяется со светильником. Такое соединение удобно использовать в длинном коридоре или в большой комнате. Есть еще один вариант включения и управление яркостью светильника из нескольких мест. Это применение проходного выключателя (2-я схема).
Параллельное соединение. Как подключить такое соединение? Два регулятора полностью зависят друг от друга и играют роль не переключателей, а выключателей. Недостатком считается то, что каждый проходной диммер контролирует лишь свой участок полупериода. А это означает, что если один проходной диммер стоит на 100%, то вторым регулятором регулировать яркость освещения невозможно.
Подключение с простым выключателем. Такая схема возможна в спальне. Например, один проходной диммер устанавливается около кровати, а другой проходной выключатель устанавливается при входе в комнату. Это позволит регулировать освещенность не вставая с кровати. Установка таких коммутаторов осуществляется как и обыкновенное подключение. Схема с выключателем выглядит следующим образом:
Как выбрать
По каким критериям выбирать диммируемую лампу? Перечислим основные из них:
Мощность. Если ты решил заменить лампы накаливания диммируемыми светодиодными, то имей в виду, что при создании того же светового потока led лампочка потребляет в 8-10 раз меньше энергии, чем лампа накаливания. То есть полупроводниковый осветитель в 6-7 Вт будет давать света столько же, сколько и 60-ваттная лампочка Ильича.
Цоколь. Диммируемые светодиодные лампы выпускаются с разными цоколями как Эдисона разных размеров, так и штырьковыми. Обязательно убедись, что тебе нужен прибор именно с таким цоколем, чтобы не пришлось возвращать товар.
Возможность диммирования. Перед тем как купить прибор, найди на упаковке обозначение диммируемых ламп (о нем я писал выше). Купишь обычную – придется нести обратно, если она, конечно, не сгорит после первого же включения через диммер. Велика вероятность возникновения подобной ситуации.
Форма и габариты
Обрати внимание на форму, внешний вид и габариты прибора. В противном случае он может не войти в плафон люстры или испортить внешний вид светильника.
Производитель
Покупай диммируемые лампочки только известных фирм. Пусть их приборы стоят чуть дороже китайских, но зато они точно прослужат весь гарантийный срок и дадут столько света, сколько заявлено изготовителем.
В заключение, кратко о продукции производителей, на которых стоит обратить внимания при покупке led лампочек.
Osram
Всемирно известная немецкая компания, специализирующаяся на производстве осветительного оборудования. Светодиодные лампочки, включая диммируемые, Osram выпускает с различной цветовой температурой и цоколями Е14, Е27 (цоколь Эдисона) и G9, G12, GX53. Первые два товара производятся в классической форме шара или свечи, и они служат отличной заменой лампам накаливания в открытых светильниках.
Philips
Компания не менее известная, чем Osram. Используя инновационные технологии, фирма добилась исключительно высокого срока службы диммируемых ламп (до 40 000 ч без существенной потери яркости) при энергоэффективности класса А++ (Master MV Value, LEDclassic). Кроме ламп классического вида, у Philips можно найти и оригинальные решения – настоящие лампы Эдисона, только диммируемые светодиодные. Правда, у них наработка на отказ составляет “всего” 15 000 ч (у лампочки накаливания – 1 000 ч).
Gauss
Особенностью светодиодных лампочек этой компании является широкий диапазон питающих напряжений: от 185 до 265 В. Весьма актуально для районов с энергоснабжением низкого качества. Радует их индекс цветопередачи, достигающий 90. Далеко не все компании выпускают лампы с такими высокими показателями.
Интересной является серия ламп Gauss Step с шаговым диммированием. Диммер для них не нужен, схема шагового изменения яркости уже встроена в саму лампу. Есть у Gauss и оригинальные решения – лампочки со “спиралью накаливания” из светодиодов.
Uniel
Из продукции производителя Uniel для нас особо интересны диммируемые лампы серий Cristal Dimmable и Palazzo Dimmable. Приборы отличают хорошая цветопередача (до 80) и универсальность в плане диммирования: они отлично работают с самыми разными диммерами переменного тока, работающими по принципу среза полуволны. Диммируемые лампы обеих серий имеют матовую колбу, форму, цоколь обычной лампочки накаливания и без проблем работают вместо них.
Из другой продукции можно отметить лампы с цоколем E14, E27, GU10, GU5.3, а также оригинальные приборы в форме лампочки Ильича. Компания имеет свое производство в России.
Диммеры на постоянном токе
Только светодиодные лампы с цоколем типа Е (винтовой, аналогичный лампе накаливания) имеют собственный блок питания, преобразующий переменный ток в постоянный. Остальные светодиодные источники света, среди которых и светодиодные ленты, должны снабжаться отдельным блоком питания. Диммер для светодиодной ленты также должен работать от источника постоянного тока.
Оптимальным решением будет объединение блока питания ленты и диммера. Для этого используется схема с использованием микросхемы КР 142ЕН 12А, представленная на рисунке ниже.

Сама микросхема является регулируемым стабилизатором компенсационного типа. Её вывод 1 является точкой, на которую подается опорное напряжение, определяющее его величину на выходе диммера. Регулировка производится с помощью резистора R2, который является классическим рассеивателем энергии.
Зная принцип построения схем управляющих яркостью свечения ламп, вы можете не только сделать такое устройство самостоятельно, но и произвести ремонт диммера, купленного в магазине.
Разновидности устройств
Состав и качество элементной базы влияет на характеристики диммеров. В зависимости от этого параметра выделяют:

Реостатные – дешевый вариант с низким КПД, высоким уровнем нагрева и потребностью в системе охлаждения. Это неэффективные экземпляры для дома, выпуск которых прекращен.

Электронные с использованием симисторов, транзисторов и тиристоров – недорогой вариант, который, однако, создает помехи работе чувствительных приборов.

Автотрансформаторные – дорогие и качественные аналоги. Но при этом они достаточно массивны.


В зависимости от способа установки выделяют:
- модульные, которые ставятся в щитке и могут использоваться с лампами накаливания и галогенками при наличии понижающего трансформатора;
- конструкции на шнуре для регулирования света от осветительных приборов с лампочками накаливания;
- монтирующиеся в монтажную ячейку и допускающие подключение дополнительно сетодиодных и галогенных ламп
- моноблочный – ставится вместо выключателя или в аналогичную коробку.
Моноблоки имеют разные способы управления потоком. Это могут быть поворотные, нажимные, поворотно-нажимные и сенсорные модели. Они присоединяются в разрыв цепи фазного типа, как это показано на фото подключения диммера. Совместимость с типами ламп может быть разной и указывается на корпусе устройств.

Модульный диммер
Диммер модульной конструкции.
Такие светорегуляторы применяются для освещения подъездов и подобных проходных помещений. Их особенность – блок регулятора и кнопка управления разнесены в пространстве. Основной модуль находится, в большинстве случаев, в распределительном щите. Клавиша управления устанавливается в любом удобном месте – на входе в подъезд, на пульте управления и т.д. Орган регулировки яркости находится на корпусе основного модуля, и необходимый уровень устанавливается при настройке.
Схема подключения модульного диммера.
За исключением самых бюджетных моделей, модульный диммер может иметь дополнительные сервисные функции:
- память (при очередном включении сохраняется предустановленный уровень яркости);
- плавное нарастание и спадание света;
- возможность установки времени нарастания и спадания наибольшего уровня освещенности;
- другие сервисы.
Наиболее продвинутые модели могут собираться в системы master-slave (ведущий-ведомый). В таком варианте уровень освещенности задается на главном устройстве, остальные следуют за ним, управляясь по шине аналогового сигнала.
Как подключить к светодиодной ленте
В светодиодных лентах могут использовать два типа осветительных приборов, такие как:
1. Трехцветные RGB лампы, которые при смешивании позволяют получить белый цвет. При отдельном включении с их помощью создают разнообразные цветовые эффекты.
2. Люминофорные лампы, которые подразумевают использование вторичного излучения желтого слоя-люминофора. Он при этом освещается при помощи мощного синего светодиода.
В зависимости от схемы ленты светодиодов, способ подсоединения к ней может быть разным. Стоит обратить в таком случае на два распространенных варианта:
подсоединение одноканальных диммеров после блока питания в белых монокристаллических лентах;

подсоединение трехканальных устройств с отдельным управлением каналов для RGB-лент.

Установка вместо обычного выключателя
Монтаж диммера в качестве выключателя осуществляют так:
- засверливаются в стену перфоратором или дрелью, вооруженной коронкой (цилиндрическим сверлом). Коронками с напылением (алмазными, карбидно-вольфрамовыми) сверлят в безударном режиме, зубчатыми — в ударном. Габариты для высверливания равны глубине и диаметру (слегка превышает) подрозетника;
- выбивают зубилом или перфоратором материал внутри высверленной окружности, формируя глухое отверстие;
- пробивают в стене штроборезом, перфоратором, болгаркой или зубилом штробу — канал, ведущий от распределительной коробки к проделанному отверстию. От точки опуска штробы к месту установки диммера пробивают канавку к светильнику. На подходе к отверстию ее косо заглубляют, чтобы можно было подвести провод к задней стенке подрозетника;
- закладывают в штробы провода и заполняют ее раствором.
Затем:
- в подрозетнике выдавливают одну из заглушек с той стороны, с какой подведен провод;
- заводят торчащий из стены провод в отверстие;
- готовят алебастровый или цементный раствор и закладывают небольшую его порцию в отверстие;
- устанавливают подрозетник в отверстие. Раствор при этом выдавливается и заполняет часть пространства между подрозетником и стеной. Остальное заполняют раствором при помощи кельмы;
- торчащие из подрозетника провода освобождают от изоляции, зачищают концы жил и подключают их к клеммам на внутренней части диммера;
- складывая провод гармошкой, помещают внутреннюю часть в подрозетник и выкручивают специальные винты, разводя в стороны распорные лапки;
- прикручивают внутреннюю часть саморезами к подрозетнику;
- прищелкивают к подрозетнику лицевую панель.
Остается подключить провода к светильнику и проверить работоспособность диммера.
Провода лучше помещать в гофру: если перегорят, можно заменить без вскрытия штробы.
Монтаж и подключение диммера
Как и обычный выключатель, диммер имеет два зажима и устанавливается в ту же монтажную коробку с использованием тех же проводов. Установку диммера следует выполнять с обязательным соблюдением правил безопасности при проведении электромонтажных работ. Рассмотрим порядок подключения диммера на примере регулятора света для светодиодных ламп 220 В.
Алгоритм действий следующий:
- при помощи индикаторной отвертки определяется фаза;
- домашняя электросеть обесточивается;
- соблюдая инструкцию производителя, провод с фазой подключается к разъему диммера, обозначенному литерой «L», второй провод подключается к выводу «N»;
- провода для обеспечения надежного соединения следует хорошо зажать;
- после сборки проводов посредством регулировочных болтов корректируется положение корпуса устройства в коробке;
- устанавливается декоративная планка;
- подключается питание.
Если светорегулятор работает, значит, подключение произведено правильно.
Навигация по записям
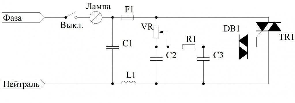
Поэтому надо строго следовать рекомендациям производителя по монтажу. Это тоже надо учитывать. Основой конструкции диммера является симистор.
Причем чем большее ее продолжительность, тем меньше яркость свечения.
Комментарии к статье: 19 Устройство и схема диммера В этой статье рассмотрим устройство, которое продается в магазинах электротоваров, как регулятор яркости ламп накаливания.
Белые осветительные светодиоды, особенно китайские, весьма чувствительны к кратковременным импульсам тока, выгорают на раз. Основой конструкции диммера является симистор.
При пятичасовой работе BTA на нагрузку 3кВт я достиг комнатной температуры радиатора, для этого я установил небольшой кулер от процессора ПК, обеспечив его питание от миниатюрного выпрямителя.
Таким образом, изменяется мощность лампочки, ее яркость — свет приглушается или увеличивается. Даже, когда на люстре имеется одна лампа, можно легко настроить яркость, уменьшив или увеличив подаваемое напряжение.
Целью моих дурацких изысканиях было такое же дурацкое желание получить от светодиодной лампы обещанные фирмой 30 — 50 тысяч часов работы.
Как подключить диммер (регулятор освещения)
https://youtube.com/watch?v=wdMXA2gu0rw

Выводы и полезное видео по теме
Разобраться с простыми конструкциями и ближе познакомиться со сложными светорегуляторами помогут информативные и полезные видеоролики, снятые профессиональными электромонтажниками и домашними мастерами.
Знакомство с покупкой, сделанной по интернету. Диагностика устройства:
Подключение универсального встроенного диммера к выключателю:
В какой последовательности производится монтаж:
Все этапы по установке диммера, от покупки до диагностики, можно произвести самостоятельно
Главные моменты, которым следует уделить особое внимание, – это выбор правильной схемы подключения и соответствие устройства осветительным приборам по характеристикам





































