Доработка реле поворотов 495.3747 | Мастер Винтик. Всё своими руками!
В последнее время стало применение светодиодных автомобильных ламп. Они более долговечные и потребляют меньше тока. Последнее как раз и влияет на работу реле поворотов, изменяя его частоту. Периодичность работы реле привязана к сопротивлению нагрузки, то есть к установленным лампам. При увеличении сопротивления нагрузки, что именно и происходит при перегорании или размыкании одной из ламп реле начинает срабатывать наиболее часто. Тот же самый эффект наблюдается и при установке светодиодов в указатели поворотов, так как их потребляемая мощность меньше, а это значит сопротивление значительно больше.
Изучив материал данной статьи, вы сможете доработать штатное реле указателей поворотов для светодиодов, чтобы оно срабатывало с нужной вам периодичностью.
Прежде всего немного о штатном реле. Реле указателей поворотов 3 контактное о котором пойдет речь устанавливается на автомобили начиная с ВАЗ 2108 по настоящее время, то есть на ВАЗ 2109, 2110, 2111, 2112, Ладу Приору, Ладу Калину, автомобили ГАЗ. Маркировка 495.3747-ХХ.

Для доработки реле необходимо будет вскрыть корпус. Для этого возьмите отвертку с плоским лезвием и снимите крышку корпуса оттягивая пластмассу защелок с двух противоположных сторон.
Теперь разберемся, что в этой схеме за что отвечает и как нам изменить работу чтобы при увеличенной нагрузки не изменилась частота срабатывания указателей поворотов. Первое это подключение. К выводу 31 подключается масса. 49а — вывод на лампы, 49 — вход «+» от выключателя указателя поворотов.

R3 — резистор ограничивающий ток на управляющую базу транзистора в микросхеме; R1 и С11 — именно эти радиоэлементы и отвечают за частоту выходного сигнала от ножки 3 микросхемы. От ножки 3 осуществляется питание обмоткой реле; Вывод 7 — тоже интересный вывод. Вывод контролирующий изменение сопротивления и соответственно напряжения на контакте 49 а. Именно он и дает команду микросхеме менять частоту при перегорании ламп. Микросхемы могут стоять не только указанные на схеме, но и например,КР1055ГП1Б и т.п. аналоги. Теперь представляя функциональное назначение элементов реле, нетрудно определиться с мерами по сохранению частоты срабатывания указателей поворотов при изменении их внутреннего сопротивления, то есть например при установке светодиодов.
Возможно изменить номинал емкости, увеличить его в два раза (заменив на конденсатор 4,7 мкФ вместо 2,2 мкФ — на фото емкость увеличена за счет параллельного подключения дополнительного конденсатора к штатному), но при этом наблюдается некорректная работа аварийной сигнализации.

Она будет работать с частотой в два раза ниже. Вариант с изменением сопротивления тоже не совсем удачен. Так как фактически здесь придется эмпирическим путем подбирать резистор ограничивающий ток на вывод 4, тоже не совсем удачный вариант.
Схема включения реле поворотов 495.3747

Остается последний и пожалуй наилучший выход. Фактически убрать контроль за сопротивлением нагрузки. Разрезав фольгу на печатной плате (красная линия) идущую к выводу 7 микросхемы мы получим устойчивое по частоте срабатывание указателей поворотов.
После этой переделки резистор R2 нужно уменьшить до 60 — 200 Ом.

Единственным недостатком такой доработки реле для светодиодов будет отсутствие за контролем перегоревших светодиодов, так как мы убрали фактически зависимость частоты от сопротивления нагрузки.
Использованы материалы сайта: autosecret.net
Как защитить кузов своего автомобиля от коррозии не переплачивая автомеханику.
Так как я заядлый автомобилист, меня интересует все что связанно с машинами. Перед каждым авто владельцем стоит задача защиты кузова автомобиля от коррозии. О таком оригинальном способе я читал и раньше, еще в начале прошлого века его использовали при защите корпусов кораблей. Но с коммерческим применением такой чудо технологии я столкнулся впервые. Читая рекламу в газетах я наткнулся на рекламу «Электрохимическая защита кузова автомобиля от коррозии», прочитав краткую статью я решил узнать поподробней в самом автосервисе. Подробнее…
Звуковой сигнализатор для автомобиля.
Звуковой сигнализатор автомобиля предназначен для дублирования двухтональным сигналом всех аварийных и «поворотной» контрольных ламп автомобиля, а также сигнализирования о превышении бортового напряжения свыше 17в.
Подробнее…
Способы отопления гаража
Очень удобно хранить машину в гараже. Особенно зимой — она лучше заводится, меньше происходит износ деталей и т.д. и т.п. Гараж — это хороший домик для вашего любимого авто
Простое электронное реле поворотов
3 307
Кроме электроники болею я еще и мотоциклами. И первое хобби мне очень помогает во втором. Я уже давно знал о том, что схема электрооборудования моего ИЖ-Планета далека от совершенства и с этим надо было что-то делать. Поскольку морозы сейчас не маленькие и в гараже не поработаешь, решил не терять времени дома и взялся за паяльник. Начал с малого — с реле поворотов для своего стального коня. Так как живем мы в 21 веке, тогда это реле должно быть бесконтактным, и работать с любой нагрузкой (лампами, светодиодами).
Казалось бы, что может быть проще? А оказывается все-таки может! Простейшую схему реле поворотов (РП) я увидел на просторах сети «Интернет». Было решено собрать именно ее — три детали, 10 минут с паяльником в руках и все готово! Правда, схему я немного модернизировал добавив диод (защита от переполюсовки) и конденсатор (от колебаний напряжения).
Рисунок 1 — Экспериментальная схема реле поворотов.
Принцип работы РП на мигающем светодиоде до ужаса примитивный. Но для экспериментов я решил сконструировать только одно плечо этой схемы. При воспламенении светодиода транзистор открывается, как только светодиод погаснет транзистор закрывается. В качестве нагрузки была использована одна лампа поворотов от моего мотоцикла мощностью 21 Вт, и транзистор MOSFET IRF9540N. Сразу же показался основной недостаток схемы — частота мигания светодиода была достаточно высокой, а значит и возгорания лампы. Боковым зрением иногда невозможно было различить или загорается лампа, или горит постоянно. Несмотря на всю простоту схемы от нее пришлось отказаться, ведь я хотел достичь действительно качественного результата.
Следующее, что пришло мне в мысли это был интегральный таймер 555. Была разработана схема:

Рисунок 2 — Схема электронного реле поворотов.
Это классическая схема генератора на интегральном таймере 555, где частота импульсов на выходе 3 задается номиналами R1, R2 и С1. Изменяя сопротивления резисторов R1 и R2 можно изменять длительность импульсов и паузу между ними. Этим, соответственно можно изменять частоту вспышек ламп поворотов. При номиналах указанных на схеме частота колебаний составила 0,8 Гц.
До выхода таймера подключен все тот же IRF9540N, который коммутирует нагрузку
И при этом, ему совершенно не важно, что к нему подключат — светодиоды, или лампы накаливания. В любом случае частота вспышек не изменится
Схема подключения реле показана на рис.3.

Рисунок 3 — Схема подключения реле поворотов.
Печатная плата: LAY
Схема на таймере хотя и сложнее и содержит большее количество деталей, однако лишена всех вышеперечисленных недостатков. Также она является достаточно компактной и размер платы у меня составляет 25х25 мм. С другой стороны, считаю, что схема РП на мигающем светодиоде также может быть использована, но для ее правильной работы необходимо подобрать светодиод таким образом, чтобы частота его возгораний составляла около 60-70 вспышек в минуту.
+1
Нравится схема? Поделитесь с другом.
Реле поворотов схема включения
Схема указателя поворотов
642 Google+
Указатели поворот в напряжённом современном автомобильном потоке имеет очень большое значение, и неисправность доставляет большие неудобства. Схема указателя поворотов на отечественных и импортных автомобилях практически одинаковая. В зависимости от года выпуска автомобиля в качестве прерывателя применяется электромагнитнотепловые, или электронные реле. Принцип подключения всех реле практически идентичный. В настоящее время на некоторых импортных автомобилях и ВАЗ 2170 «Приора» реле указателей поворотов отсутствует, его функцию выполняет электронный блок управления электропакетом. В этой статье рассматривается только классическая схема указателя поворотов. Рассмотрим схема указателя поворотов с применением реле. В данных схемах реле включается последовательно с сигнальными лампами через переключатель поворотов. Исключение составляет схема соединения реле поворотов типа РС 950 и его аналогов, применяемых на грузовых автомобилях. К схеме подключения этого реле вернёмся несколько позже. Для начала рассмотрим схему подключения указателей поворотов с электромагнитнотепловым реле типа РС 59. Как видно из рисунка схема очень простая.
При включении зажигания питание подаётся на реле поворотов, а при переводе переключателя поворотов в ту или иную сторону происходит соединение реле через сигнальные лампы с минусом. При этом при замыкании контактов реле лампы загораются, а при размыкании тухнут. Применение аварийной сигнализации с этим реле не возможно из-за его нагрева при работе и быстром выходе из строя при большой потребляемой лампами мощности. Кроме этого это реле не будет работать с диодными лампами, так как ток потребления этих ламп не достаточен для замыкания контактов. Подробно о работе такого реле описано в статье «Реле поворотов ВАЗ-2101»Следующая схема подключения с электронным реле, кроме реле типа РС 950 и его аналогов. Электронные реле, как правило, имеют от 3-х до 5-ти выводов, а схема их подключения принципиально идентична выше описанной. Так как электронные реле позволяют коммутировать большие токи в отличие от электромагнитнотепловых реле, то появляется возможность включение через них аварийной сигнализации. Для реализации этого в схему дополнительно включается кнопка включения аварийной сигнализации. Способы её включения на разных автомобилях могут отличаться, но не значительно. В режиме указателей поворотов питание на реле через контакты кнопки аварийной сигнализации подаётся от замка зажигания, а в режиме аварийной сигнализации непосредственно от аккумуляторной батареи. Так же кнопка в режиме аварийной сигнализации соединяет своими контактами вывод сигнальных ламп реле с сигнальными лампами в обход переключателя поворотов. Подключение электронного реле от электромагнитнотеплового отличается лишь наличием вывода соединённого с массой автомобиля.
Реле поворотов типа РС 950 в схема указателя поворотов включается до переключателя поворотов, в отличие от простого электронного реле. Это обусловлено способом подключения контрольных ламп. Реле состоит из электронной части, которая управляет электромагнитным реле. При включении поворотов одного из бортов автомобиля импульсы тока от электромагнитного реле подаются на переключатель поворотов, дальше через выводы реле поворотов, катушки электромагнитных реле или герконы контрольных ламп, поступают на сигнальные лампы. Ниже приведена принципиальная схема подключения реле.
«Если Вы заметили ошибку в тексте, пожалуйста выделите это место мышкой и нажмите CТRL+ENTER»
admin 03/12/2013″Если статья была Вам полезна, поделитесь ссылкой на неё в соцсетях» avtolektron.ru
Схема реле поворотов
- Как работает электромагнитно-тепловое реле
- Электронное реле: схема и принцип работы
- Распиновка реле поворотов
- Реле поворотов своими руками
Все водители обязаны обозначать маневры, совершаемые на дороге, включением указателя поворотов. Такой мигающий сигнал имеется в каждом автомобиле. Его рабочий режим создает реле поворотов, схема которого подает ток к лампочкам и обеспечивает их мигание. Одновременно подается звуковой сигнал в виде щелчков, напоминающий о включенном указателе поворотов. Все эти действия обеспечивает специальная схема реле поворотов.
Среди различных конструкций наибольшее распространение получили электромагнитно-тепловые и электронные реле. Последние устройства считаются более современные и устанавливаются на всех поздних моделях автомобилей.
Устройство и принцип работы электромагнитно-теплового реле поворотов
Реле этого типа имеют не слишком сложное устройство. Его основу составляет электромагнитное реле традиционной конструкции — цилиндрический сердечник с обмоткой из тонкого медного провода. В верхней части сердечника расположены две контактные группы, а по бокам — гибкие металлические якоря (или, как их называют, якорьки). Одна контактная группа предназначена для замыкания цепи контрольной лампы «поворотников», расположенной на приборной панели. А вторая контактная группа непосредственно замыкает цепи ламп указателей поворота, и именно ее конструктивные особенности обеспечивают мигание «поворотников».
Якорь контактной группы ламп указателей поворотов с помощью тонкой нихромовой струны оттянут от контакта, расположенного на сердечнике, поэтому в нормальном положении цепь указателей поворота разомкнута. Противоположный конец струны зафиксирован на площадке из изоляционного материала, которая служит основой для установки сердечника. Нихромовая струна через резистор подключена к цепи выключателя указателей поворота, поэтому через нее во время работы реле протекает ток.
Вся эта конструкция помещена в металлический корпус цилиндрической формы, дном корпуса служит площадка из изоляционного материала с реле. В нижней части площадки выведены контакты, с помощью которых реле-прерыватель включается в цепь указателей поворота.
Работа электромагнитно-теплового реле довольно проста и сводится к следующему. При включении сигнала поворота замыкается цепь, в которую входят лампы «поворотников», резистор, обмотка реле и нихромовая струна. За счет сопротивления резистора подаваемое на лампы напряжение мало, поэтому их нити горят в полнакала. Нихром, как известно, обладает высоким удельным сопротивлением и сильно нагревается при протекании тока — благодаря этому нагреву нихромовая струна увеличивает свою длину, и оттянутый ею якорек под действием притяжения сердечника выпрямляется и в какой-то момент замыкает контактную группу. В результате ток начинает течь в обход резистора и нихромовой струны, и лампы указателей поворота загораются в полную силу.
Однако прекращение нагрева струны приводит к ее остыванию и укорачиванию, и якорек снова оттягивается от сердечника, размыкая контакты — лампы указателей поворота гаснут, и цикл повторяется снова. Нагрев и остывание нихромовой струны происходит быстро, поэтому мигание ламп происходит с частотой в пределах от 60 до 120 раз в минуту.
С текущим положением контактной группы ламп указателей поворота (назовем ее первой) связана работа и контактной группы сигнальной лампы (назовем ее второй). При разомкнутых контактах первой группы по обмотке протекает ток, однако его недостаточно для притяжения якорька второй группы, поэтому сигнальная лампа не горит. При вытягивании струны и замыкании первой контактной группы текущий по обмотке ток резко возрастает, и его уже достаточно для притяжения якорька второй контактной группы. В результате одновременно с миганием указателей поворота мигает и сигнальная лампа на приборной панели.
Характерные щелчки во время работы указателей поворота возникают вследствие ударов якорьков о контакты при их замыкании и размыкании. Щелчки — характерная особенность электромагнитных реле, и в прерывателях она пришлась весьма к месту.
Электромагнитно-тепловое реле обладает простой конструкцией, и в этом заключается его основное преимущество. Но недостатков у этого типа реле гораздо больше: с течением времени струна вытягивается, в результате реле перестает нормально функционировать, во время работы реле нагревается, что изменяет его характеристики, а при перегорании одной из ламп указателей поворота частота мигания второй лампы значительно уменьшается, а в некоторых случаях лампа и вовсе перестает загораться.
На сегодняшний день электромагнитно-тепловые реле-прерыватели вытеснены более современными и совершенными электронными реле.
Где находится реле зарядки?
Реле зарядки состоит из реле обратного тока, регулятора и ограничителя. Реле обратного тока включает генератор в сеть, когда его напряжение увеличивается, и выключает в случае, если повышается напряжение аккумуляторной батареи.
Регулятор контролирует и ограничивает силу тока в пределах 13,8 – 14,8 В, регулирует силу зарядного тока. Ограничитель предохраняет генератор от перегрузок, работая по аналогичному принципу с регулятором напряжения – включает в цепь обмотки дополнительное сопротивление при увеличении силы тока.
Реле зарядки работает вместе с генератором под капотом двигателя с правой стороны.
Назначение устройства
Изначально следует отметить, что повороты функционируют не так, как прочие световые приборы на автомобиле. Они работают в прерывистом режиме, что обеспечивается посредством такого изделия, как реле(прерыватель) поворотов ВАЗ-2107.
Следует также отметить и тот факт, что помимо прерывистого режима работы, реле поворотов издают звуковые сигналы в виде щелчков, которые помогают водителю. По этим щелчкам водитель понимает, что устройство функционирует в данный момент.
Помимо того, что прерыватель отвечает за функционирование световой сигнализации, необходимой для маневров, так он еще и позволяет им работать в режиме аварийки. На ВАЗ-2107 применяется электронное реле, частота мигания ламп которого зависит от настройки электронной схемы. Выше представлено фото современного электронного реле поворотов, которое используется на автомобилях ВАЗ-2107.
Диагностика неисправностей поворотников
Если однажды поворотники перестают функционировать, то это говорит о том, что пришло время провести диагностику автомобиля. Для этого нет необходимости ехать на СТО, а можно выполнить все в домашних условиях. О том, что механизм перестал функционировать, говорят следующие признаки:
- При включении поворотники горят, но при этом не происходит их мерцание. Такой вид поломки связан непосредственно с выходом из строя реле. Для исправления неисправности требуется заменить прерыватель.
- Ускоренное или замедленное мерцание поворотников. Ускоренное мерцание говорит о том, что перегорела спираль одной из ламп. Медленное мерцание свидетельствует о том, что в схеме подключена минимум одна лампа большей мощности, чем рекомендуется. Многие автомобилисты с появлением современных светодиодных ламп стремятся установить их на авто. При установке светодиодных ламп в поворотники наблюдается слишком быстрое их мерцание, это связано с их низкой потребляемой мощностью.
- Устройства вовсе не функционируют. Причина может заключаться в неисправности реле, предохранителя, подрулевого переключателя или кнопки включения аварийки. Схема подключения выполнена так, что питание поворотников проходит через кнопку включения аварийки. Если кнопка неисправна, то и повороты не будут функционировать.

Для наглядности представим схему указателей поворотов и аварийки для семерки. В нее входят:
- блок-фары с лампочками указателей поворота;
- указатели поворота расположенные на передних крыльях авто(боковые);
- монтажный блок;
- замок зажигания;
- кнопка аварийки;
- рассматриваемое реле;
- лампочки поворотников расположенные в задних фонарях;
- лампочка на панели приборов, сигнализирующая о включении поворотов;
- подрулевой переключатель.
Где найти реле на ВАЗ-2107
Где же находится устройство, отвечающее за прерывистое функционирование сигнала поворотов? Располагаться релюшка может в двух местах на ВАЗ-2107: в монтажном блоке пли за приборной панелью.
В карбюраторных «семерках» изделие находится за приборной панелью в салоне автомобиля, а в инжекторных – на монтажном блоке, который находится под капотом. Конструктивно прерыватель представляет собой коробочку с контактами снаружи. Изделие не подлежит ремонту, поэтому при выходе из строя требуется осуществить его замену.
Особенности замены прерывателя
Если обнаружено, что реле поворотов вышло из строя, то требуется осуществить его замену. Изделие, находящееся в монтажном блоке требуется поддеть и демонтировать. Если оно неисправно, в чем обязательно требуется убедиться, то вместо него следует установить новое. Так осуществляется замена для инжекторных “семерок”. Выполнить же замену на карбюраторных «семерках» намного сложнее. Процесс замены выглядит так:
- Нужно снять приборную панель, поддев ее при помощи отвертки.
- После этого пробуем вытянуть ее на незначительное расстояние, если имеется такая возможность. Если длина проводов не позволяет вывести панель на некоторое расстояние, то соединения следует разъединить.
- Отвинтить трос привода спидометра.
- Найти визуально реле, и отсоединить от него контактные провода.
- Также от него отсоединяем «массу» после чего устройство демонтируем.
- Вместо старого прерывателя поворотов следует установить новое реле.
- В завершении собрать и подключить все демонтированные детали в порядке обратном снятию.
Подводя итог, следует отметить, что прерыватель является одним из важнейших узлов каждого автомобиля, и необходимо следить за его исправностью. От него напрямую зависит безопасность дорожного движения.
Самостоятельный ремонт
Ремонт вышедшего из строя реле поворотников обычно заключается в замене детали. Ее стоимость не настолько велика, чтобы осваивать курс радиоэлектроники и пытаться отремонтировать вышедшее из строя реле. Само реле поворотов находится в блоке реле и предохранителей, обычно он располагается под передней панелью автомобиля. В некоторых моделях автомобилей реле поворотов вынесено в отдельный разъем.
Замена реле не представляет собой ничего сложного. Для этого нужно определить его точное месторасположение (можно найти в мануале к конкретной модели автомобиля или подсмотреть схему в интернете). Сломанное реле демонтируется, а новое устанавливается в релейный блок или в отдельный разъем. Напряжение нового блока должна соответствовать питанию электросети автомобиля (12 или 24 вольт).

Для тех, кто все же предпочитает самостоятельный ремонт, можно дать несколько советов. Если у реле подгорели контакты, то можно попробовать их зачистить, однако такой меры вряд ли хватит надолго. Также нужно подпаять оборванные контакты, если имеются подобного типа повреждения. Если имеются трещины в силовых выводах реле, то их также нужно подпаять. Потерявшие емкость или вздувшиеся конденсаторы следует заменить на новые.
Естественно, для подобного ремонта необходимо иметь паяльник и уметь им пользоваться. Ремонт реле в этом случае ничем не отличается от ремонта любой радиоэлектронной детали. Понадобятся флюс и припой, также при замене конденсаторов необходимо не забывать о правильной полярности.
Что делать
В ситуации, когда при включении / отключении сигнализации не моргают габариты, начните с простых действий, а уже после переходите к более серьезным шагам.
Убедитесь, что лампочки работают
Для начала проверьте, что поворотники вообще моргают, даже без включения / отключения сигнализации. Для этого включите зажигание и переведите ручку поворотного сигнала вверх или вниз. При этом посмотрите, моргают поворотные огни или нет. Если лампочки перегорели, их необходимо поменять. Но для начала разберитесь, в чем причина такой ситуации. Возможно, проблема возникла из-за повышенного напряжения в бортовой сети или неисправности проводки. Если не устранить проблему, при очередном включении лампы снова перегорят.

Проверьте предохранители
Распространенная причина, почему перестали моргать поворотники при постановке на сигнализацию — повреждение предохранителей, через которые запитаны лампочки. Это распространенная проблема, поэтому берите схему и найдите расположение нужной вставки плавкой. После этого проверьте ее на целостность с помощью мультиметра, а при отсутствии цепи замените деталь. На следующем шаге сразу проверьте моргают лампы при включении или нет.

Осмотрите реле
В ситуации, когда не мигают поворотники при постановке на сигнализацию, нельзя исключать повреждение реле. Чаще всего это объясняется коротким замыканием или обгоранием контактной группы. В обоих случаях причину необходимо выявить и устранить. По возможности поврежденное реле включения стоит поменять, а при повреждении контактов, как минимум, почистить эту группу.
Проверьте бортовую сеть на факт замыкания
Если не работает световая сигнализация на авто, и не моргают поворотники, проверьте бортовую цепь на факт замыканий. Такая неисправность часто выдает себя иными проблемами, к примеру, отсутствием реакции на команды, постоянным свечением и т. д. Для проверки необходимо иметь базовые знания по работе электрической схемы автомобиля и иметь при себе мультиметр. Не лишним будет наличие помощника, который ускорит проверку разных элементов.

При прозвании уделите внимание всем контактам сигнализации, которые дают команду на включение. Найдите те, которые идут к поворотникам. После этого активируйте аварийную сигнализацию и измерьте напряжение, которое подается импульсами
В таком случае можно быстрей определить, с чем именно проблема — с проводкой или реле
После этого активируйте аварийную сигнализацию и измерьте напряжение, которое подается импульсами. В таком случае можно быстрей определить, с чем именно проблема — с проводкой или реле.
Осмотрите концевики
Распространенная причина, почему перестали мигать фары при постановке на сигнализацию при включении охранной системы — повреждение одного или нескольких концевиков. Отсутствие контакта на любой из дверей, капоте или багажнике может привести к неправильной работе световой сигнализации. При этом поворотники не моргают или, наоборот, делают это чаще обычного. Проверьте по очереди каждый концевик и убедитесь, что контакт замыкается и размыкается при открытии / закрытии соответственно.
Проведите диагностику ЭБУ
Для выявления причины, почему при срабатывании сигнализации перестали мигать фары, можно сканировать блок управления автомобиля и считать ошибки. Возможно, в «голове» будет полезная информация по неисправностям. Этот метод поможет, если имеет место какая-то проблема с центральным замком или другими системами, связанными с охранной системой.

Найдите скрутки возле блока
Разберите панель под коленями и попробуйте найти блок управления. Он также может находиться за приборным щитком или устанавливаться со стороны пассажира
Обратите внимание на скрутки проводки. Возможно, проблемы возникли из-за ухудшения качества. Устраните недостаток или выполните пайку
Устраните недостаток или выполните пайку.
Замените охранную систему
В наиболее сложных случаях причиной, почему не моргают поворотники при включении сигнализации, является сбой в охранной системе. Для устранения неисправности может потребоваться помощь работников сервисного центра. Если устройство не подлежит восстановлению, может потребоваться замена на другую модель. Повезло, если вы поставили его у дилера, тогда можно рассчитывать на гарантию. А вот установка не у дилера может создать проблемы.
Теперь вы знаете, почему не моргают поворотники при включении сигнализации, и как действовать для восстановления их работы
Начните с проверки лампочек и предохранителей, обратите внимание на реле, прозвоните цепь и осмотрите концевики. В большинстве случаев проблема лежит на поверхности, и для ее решения не нужно никуда обращаться
Назначение устройства
Изначально следует отметить, что повороты функционируют не так, как прочие световые приборы на автомобиле. Они работают в прерывистом режиме, что обеспечивается посредством такого изделия, как реле(прерыватель) поворотов ВАЗ-2107.
Следует также отметить и тот факт, что помимо прерывистого режима работы, реле поворотов издают звуковые сигналы в виде щелчков, которые помогают водителю. По этим щелчкам водитель понимает, что устройство функционирует в данный момент.
Помимо того, что прерыватель отвечает за функционирование световой сигнализации, необходимой для маневров, так он еще и позволяет им работать в режиме аварийки. На ВАЗ-2107 применяется электронное реле, частота мигания ламп которого зависит от настройки электронной схемы. Выше представлено фото современного электронного реле поворотов, которое используется на автомобилях ВАЗ-2107.
Диагностика неисправностей поворотников
Если однажды поворотники перестают функционировать, то это говорит о том, что пришло время провести диагностику автомобиля. Для этого нет необходимости ехать на СТО, а можно выполнить все в домашних условиях. О том, что механизм перестал функционировать, говорят следующие признаки:
- При включении поворотники горят, но при этом не происходит их мерцание. Такой вид поломки связан непосредственно с выходом из строя реле. Для исправления неисправности требуется заменить прерыватель.
- Ускоренное или замедленное мерцание поворотников. Ускоренное мерцание говорит о том, что перегорела спираль одной из ламп. Медленное мерцание свидетельствует о том, что в схеме подключена минимум одна лампа большей мощности, чем рекомендуется. Многие автомобилисты с появлением современных светодиодных ламп стремятся установить их на авто. При установке светодиодных ламп в поворотники наблюдается слишком быстрое их мерцание, это связано с их низкой потребляемой мощностью.
- Устройства вовсе не функционируют. Причина может заключаться в неисправности реле, предохранителя, подрулевого переключателя или кнопки включения аварийки. Схема подключения выполнена так, что питание поворотников проходит через кнопку включения аварийки. Если кнопка неисправна, то и повороты не будут функционировать.
Для наглядности представим схему указателей поворотов и аварийки для семерки. В нее входят:
- блок-фары с лампочками указателей поворота;
- указатели поворота расположенные на передних крыльях авто(боковые);
- монтажный блок;
- замок зажигания;
- кнопка аварийки;
- рассматриваемое реле;
- лампочки поворотников расположенные в задних фонарях;
- лампочка на панели приборов, сигнализирующая о включении поворотов;
- подрулевой переключатель.
Где найти реле на ВАЗ-2107
Где же находится устройство, отвечающее за прерывистое функционирование сигнала поворотов? Располагаться релюшка может в двух местах на ВАЗ-2107: в монтажном блоке пли за приборной панелью.
В карбюраторных «семерках» изделие находится за приборной панелью в салоне автомобиля, а в инжекторных – на монтажном блоке, который находится под капотом. Конструктивно прерыватель представляет собой коробочку с контактами снаружи. Изделие не подлежит ремонту, поэтому при выходе из строя требуется осуществить его замену.
Особенности замены прерывателя
Если обнаружено, что реле поворотов вышло из строя, то требуется осуществить его замену. Изделие, находящееся в монтажном блоке требуется поддеть и демонтировать. Если оно неисправно, в чем обязательно требуется убедиться, то вместо него следует установить новое. Так осуществляется замена для инжекторных “семерок”. Выполнить же замену на карбюраторных «семерках» намного сложнее. Процесс замены выглядит так:
- Нужно снять приборную панель, поддев ее при помощи отвертки.
- После этого пробуем вытянуть ее на незначительное расстояние, если имеется такая возможность. Если длина проводов не позволяет вывести панель на некоторое расстояние, то соединения следует разъединить.
- Отвинтить трос привода спидометра.
- Найти визуально реле, и отсоединить от него контактные провода.
- Также от него отсоединяем «массу» после чего устройство демонтируем.
- Вместо старого прерывателя поворотов следует установить новое реле.
- В завершении собрать и подключить все демонтированные детали в порядке обратном снятию.
Подводя итог, следует отметить, что прерыватель является одним из важнейших узлов каждого автомобиля, и необходимо следить за его исправностью. От него напрямую зависит безопасность дорожного движения.
Рассмотрены автомобили ВАЗ 2107, ВАЗ 21047 карбюратор, инжектор
Расположение блока предохранителей ВАЗ 2107 под капотом
Монтажный блок предохранителей и реле цифра 5
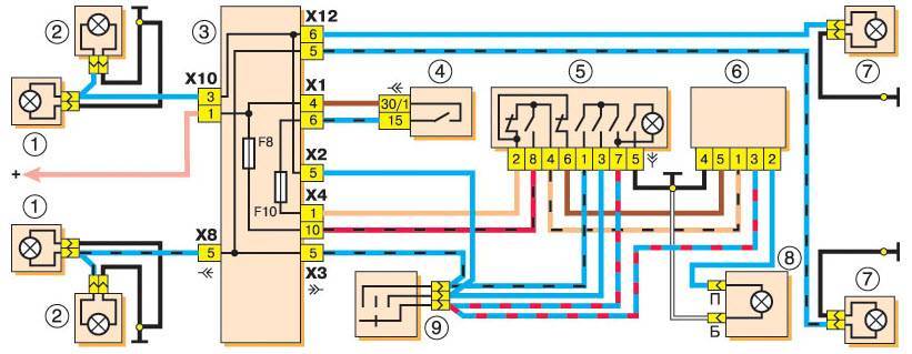
Указатели поворотов не работают
ГлавнаяВаз 2110Указатели поворотов не работают
929 Google+
Поиск неисправности указателей поворотов на всех автомобилях практически одинакова, но если схема собрана с применением реле поворотов. На автомобилях включение сигнальных ламп, которых осуществляется через блок управления электропакетом или контроллером управления электрооборудованием (Приора, некоторые иномарки), поиск несколько отличается.
Но таких автомобилей пока немного, поиск неисправностей сложный, по этому разберём алгоритм поиска неисправностей в схемах с применением реле. Кроме того будем рассматривать принцип поиска только при подключении поворотов по заводской схеме. Кустарные схемы, как показала практика, могут разительно отличаться.
Если не работают повороты обоих бортов автомобиля, то обратите внимание на наличие кнопки аварийной сигнализации. Если кнопка есть, то проверьте работу аварийной сигнализации
Если аварийная сигнализация так же не работает, проверьте целостность предохранителей указателей поворотов и аварийной сигнализации.
При их исправности необходимо проверить исправность кнопки аварийной сигнализации. Как это сделать быстро и без лишних усилий зависят от марки автомобиля. Например, на автомобилях Газель, переднеприводных ВАЗах и других, где доступ к реле поворотов не затруднён, необходимо проверить наличие питания на реле.
На заднеприводных автомобилях ВАЗ и других, где доступ к реле поворотов затруднён, проще всего проверить наличие плюса на контакте который подаёт питание на реле на самой распространённой круглой кнопке, например это вывод 4, который в зависимости от положения кнопки соединяется с выводами 2 и 8.
При включении и исправности переключателя, а так же цепи на сигнальные лампы, последние должны загореть не мигая (кроме реле типа РС-950). В этом случае реле необходимо заменить. Если не работают повороты, то возможно неисправен переключатель поворотов или оборван провод, соединяющий реле и переключатель.





































