Самостоятельное изготовление устройства
Конструкция трансформатора кажется сложной лишь на первый взгляд. Многие домашние мастера могут достаточно легко собрать понижающее устройство своими руками.

Для того чтобы получить работоспособный прибор, нужно соблюдать рекомендации специалистов и определенный порядок действий:
- В первую очередь выполняются параметров и числа витков на каждой обмотке. Это поможет в дальнейшем выполнить правильное подключение. Для этого используются такие исходные данные, как входное и выходное напряжение (200 и 12В), сечение 6 см2, постоянная величина трансформаторного железа, равная 60. Эта величина делится на площадь сечения, в итоге получается 10. Данный показатель соответствует количеству витков, приходящихся на 1В. 220 х 10 = 2200 – количество витков первичной обмотки, 12 х 10 = 120 – количество витков вторичной обмотки.
- Для изготовления сердечника своими руками можно использовать жестяные банки. Они нарезаются полосками, длина которых составляет 30 см, ширина – 2 см. Заготовки нужно обжечь на огне, дать остыть и очистить от окалины. Они покрываются лаком, а с одной стороны к ним приклеиваются бумажные полоски. Такая сборка потребует провода, сечением 0,3 мм2, заключенного в бумажную изоляцию. Для вторичной обмотки будет нужен провод сечением 1 мм2.
- Основой катушки служит толстый картон. На него наматывается бумага, покрытая парафином. Далее на нее уже наматывается проволока. Через каждые два ряда укладывается слой пропарафиненной бумаги.
- Сборка и намотка вторичной обмотки производится в том же направлении, что и первичной. В готовую катушку вставляются железные полоски примерно на половину длины. Они обтягивают основу, а их концы соединяются в нижней части. Возле каркаса и сердечника остается небольшой зазор.
- Для основания понижающего трансформатора используется обычная 50-миллиметровая доска. Окончательная сборка всех деталей и их крепление на своих местах выполняется металлическими скобками. Они должны огибать нижнюю часть сердечника и надежно притягивать конструкцию к основанию.
- На завершающем этапе концы обмоток выводятся наружу, где выполняется их подключение к контактам.
При отсутствии специального оборудования намотку катушек можно значительно облегчить за счет простого приспособления. Его конструкция состоит из двух деревянных стоек, закрепленных на доске и металлической оси, продетой в отверстия в стойках. Один конец для удобства вращения изгибается в виде обычной рукоятки.
Расчет первичной обмотки
При изготовлении своими руками трансформатора с 220 на 12 Вольт нужно правильно произвести расчет первичной (сетевой) обмотки. И только после этого можно начинать делать остальные. Если неверно сделаете расчет первичной, то устройство начнет греться, сильно гудеть, пользоваться им будет неудобно, да и опасно. Допустим, используется для намотки провод сечением 0,35 мм. На одном слое уместится 115 витков (50/(0,9 х 0,39)). Число слоев посчитать тоже несложно. Для этого достаточно общее количество витков разделить на то, сколько умещается в одном слое: 1000/115=8,69.

Теперь можно произвести расчет высоты каркаса вместе с обмотками. Первичная имеет восемь полных слоев, плюс к ней еще изоляция (толщина 0,1 мм): 8 х (0,1 + 0,74) = 6,7 мм. Чтобы не появились высокочастотные помехи, сетевая обмотка экранируется от остальных. Для экрана можно использовать простой провод – наматываете один слой, изолируете его и концы соединяете с корпусом. Допускается использовать и фольгу (конечно, она должна быть прочной). В общем, первичная обмотка нашего трансформатора займет 7,22 мм.
12В из 5В либо иного пониженного напряжения
Далее рассказывается, как сделать, помимо прочего, из зарядника для любого девайса стабилизированное напряжение 12 вольт. 5В присутствует в разъемах USB, телефонных устройствах для зарядки, а также на разъемах литиевых аккумуляторов (в среднем около 4В).

Из такого напряжения получить стабилизированные 12В можно путем внесения изменений в электрическую схему БП или, купив повышающий преобразователь, в частности на базе микросхемы XL6009.

Первый вариант требует значительных познаний в электронике, второй же – намного проще.

Существуют модели с нерегулируемым выходным напряжением 12В, а также с возможностью регулировки напряжения (3,2-30 вольт). Максимальный выходной ток достигает 3А.

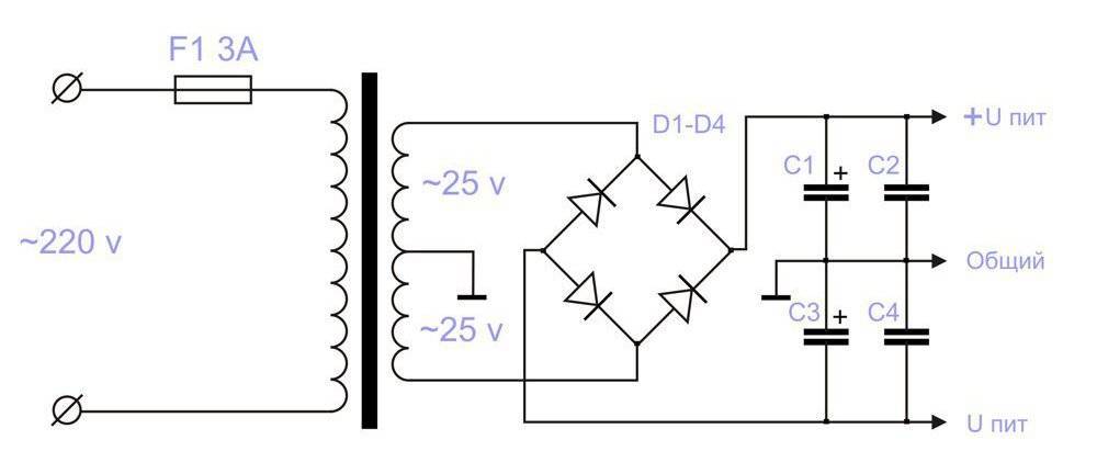
Схема подключения понижающего трансформатора
Как подключить трансформатор 220 на 12 вольт, интересует многих. Делается все просто. Подсказывает алгоритм действий маркировка в местах подключения. Выведенные клеммы на панель соединения с контактными проводами потребительского прибора обозначены латинскими буквами. Клеммы, к которым подключают нулевой провод, помечены символами N или 0. Силовая фаза — обозначение L или 220. Выходные клеммы обозначены цифрами 12 или 110. Остается не перепутать клеммы и практическими действиями ответить на вопрос, как подключить понижающий трансформатор 220.
Заводская маркировка клемм обеспечивает безопасное подключение человеком, не знакомым с подобными действиями. Импортные трансформаторы проходят отечественный сертификационный контроль и не представляют опасности при эксплуатации. Подключают изделие на 12 вольт по описанному выше принципу.
Теперь понятно, как подключают понижающий трансформатор заводского изготовления. Сложнее определиться с самодельным устройством. Сложности возникают, когда при монтаже прибора забывают промаркировать клеммы
Чтобы совершить подключение без ошибки, важно научиться визуально определять толщину проводов. Первичная катушка изготовлена из проволоки меньшего сечения, чем обмотка концевого действия
Схема подключения простая.
Надо усвоить правило, согласно которому можно получать повышающее электрическое напряжение, прибор подключают в обратном порядке (зеркальный вариант).
Принцип работы понижающего трансформатора понять легко. Эмпирически и теоретически установлено, что связь на уровне электронов в обоих катушках следует оценивать как разность магнитного потокового воздействия, создающего контакт с обоими катушками, к электронному потоку, который возникает в обмотке с меньшим числом витков. Подключая концевую катушку, обнаруживают, что в цепи появляется ток. То есть получают электроэнергию.
И здесь возникает электротехническая коллизия. Подсчитано, что подаваемая энергия от генератора на первичную катушку равна энергии, направленной в созданную цепь. И это происходит, когда между обмотками нет металлического, гальванического контакта. Передается энергия путем создания мощного магнитного потока, имеющего переменные характеристики.
В электротехнике есть термин «рассеивание». Магнитный поток на пути следования теряет мощность. И это плохо. Исправляет положение конструктивная особенность устройства трансформаторов. Созданные конструкции металлических магнитных путей не допускают рассеивания магнитного потока по цепи. В результате магнитные потоки первой катушки равны значениям второй или почти равны.
Что такое коэффициент трансформации трансформатора?
Что такое трансформатор: устройство, принцип работы и назначение
Как сделать катушку Тесла своими руками?
Преобразователи напряжения с 12 на 220 вольт
Устройство и принцип действия силовых трансформаторов
Трансформаторы тока: устройство, принцип действия и типы
Виды и строение трансформаторов на 12В
Современная промышленность выпускает два основных типа трансформаторов:
- Электромагнитные, или, как их еще называют, тороидальные. Такое название возникло из-за их формы, то есть кольца (или тороида), на котором установлена обмотка из большого количества витков медной проволоки. Они обладают значительным запасом надежности, а их цена достаточно невысока. Главный недостаток — большие размеры и вес (около 3-3,5 кг), что ограничивает их использование в системах освещения подвесных потолков, мебели и компактных лампах. Для них также характерны сильная восприимчивость к скачкам напряжения и перегрев.
- Электронные, или импульсные. Их явное преимущество — небольшие размеры, малый вес и наличие стабилизатора напряжения, что увеличивает срок службы подключенных к нему приборов. Большинство моделей импульсных трансформаторов обладает защитой от короткого замыкания, плавным пуском и отсутствием перегревания. Вследствие своих параметров такие приборы чаще всего используют для монтажа систем освещения в подвесных и натяжных потолках и мебели.

Электронный трансформатор преобразует 200 в 12 вольт
Принцип действия электронных трансформаторов заключается в преобразовании 220 вольт в 12 посредством электроники и полупроводниковых элементов.
Один из незначительных недостатков трансформаторов такого типа состоит в том, что их запрещено включать в сеть, если к ним не подключена достаточная нагрузка. Данный параметр указывается на корпусе изделия и в большинстве случаев составляет от 40 Вт.
Понижающие трансформаторы
Для отдельных приборов, используемых в быту, напряжение в 220В является излишним – для их подключения рекомендуется использовать понижающие трансформаторы (220 на 15 вольт или 220 на 10 вольт).

К преимуществам использования данных мини-трансформаторов для дома можно отнести:
- защита от поражения электрическим током и возникновения возгорания (особенно актуально в банях, ванных комнатах и прочих помещения, обладающих повышенной влажностью);
- экономия потребления электроэнергии (низковольтные осветительные приборы потребляют в разы меньше энергии, чем обычные);
- продление срока службы приборов.

Зарядные устройства для телефонов, ноутбуков и прочих гаджетов уже имеют встроенные трансформаторы, а вот при монтаже низковольтного освещения с использованием светодиодных и галогенных ламп, требуется самостоятельная установка устройств для понижения напряжения.
Итак, купить трансформатор для частного дома или дачи не составит трудностей, если внимательно изучить виды и предназначение различных типов устройств. Правильный выбор поможет обеспечить наличие требуемых для работы приборов мощностей без риска выхода техники из строя.
Принцип работы с 220 на 12 В
Самый простой трансформатор состоит из двух катушек провода с различным числом витков. Одна катушка — она называется первичной — подключается к источнику переменного тока, в роли которого обычно выступает бытовая электросеть.
Как известно, проводник, по которому протекает переменный ток, становится генератором электромагнитного поля, а если он еще и смотан в катушку, то поле получается более плотным. При этом поскольку ток является переменным, то и электромагнитное поле получается таким же.
Далее в строгом соответствии с законом электромагнитной индукции генерируемое первичной катушкой переменное электромагнитное поле наводит во вторичной катушке ЭДС
Важно понимать, что ЭДС появляется именно при изменении количества или интенсивности силовых линий, пронизывающих проводник
Принцип работы преобразователя напряжения
То есть, либо поле должно быть постоянно изменяющимся (такое поле и называют переменным), либо проводник должен в нем двигаться (именно это происходит в электрогенераторах). Отсюда вывод: если первичную катушку подключить к источнику постоянного тока, трансформатор функционировать не будет.
Чтобы первичная катушка имела высокую индуктивность, а также для сосредоточения магнитного потока внутри катушек, их наматывают на сердечник из ферромагнитной стали.
При отсутствии такого сердечника подключенный к бытовой сети трансформатор не только не будет функционировать, но и попросту сгорит.
То, как изменится напряжение на выходе трансформатора, зависит от соотношения числа витков в катушках. Если во вторичной катушке их меньше, напряжение окажется пониженным, при этом оно будет во столько же раз меньше входного напряжения, во сколько число витков во вторичной катушке меньше, чем в первичной. То есть, к примеру, если первичная катушка состоит из 2 тыс. витков, а вторичная — из 1 тыс. витков, и при этом на первичную катушку подается напряжение в 220 В, то во вторичной появится ЭДС в 110 В.
Преобразователь напряжения
Соответственно, чтобы преобразовать напряжение с 220 В до 12 В, число витков во вторичной катушке должно быть в 220/12 = 18,3 раза меньше, чем в первичной.
Поскольку мощность от одной катушки другой передается почти в полном объеме (доля потерь зависит от КПД трансформатора), а мощность представляет собой произведение напряжения на силу тока (W = U*I), то с силой тока в катушках наблюдается противоположная картина: во сколько раз уменьшится напряжение во вторичной катушке, во столько же раз сила тока в ней будет больше, чем в первичной.
Следовательно, вторичную катушку в понижающем трансформаторе нужно мотать более толстым проводом, чем первичную.
Выбор готового решения, критерии
Магазины электротехники и электроники предлагают готовые бытовые трансформаторы для различных нужд. Выбирая необходимое устройство, нужно руководствоваться следующими критериями
:
- Параметрами входного напряжения. Корпус прибора должен быть отмечен маркировкой 220 или 380 В. В данном случае необходим бытовой вариант для сети 220 вольт.
- Параметрами входного напряжения, которые должны соответствовать 12 В.
- Мощностью. Для этого предварительно подсчитывают суммарную нагрузку, которая будет запитана через трансформатор. Данный показатель устройства должен превышать расчетное значение минимум на 20%.
Принцип работы, для чего нужен
Действие трансформатора происходит так:
- Ток проходит по первичной катушке, которая создаёт магнитное поле.
- Все силовые линии замыкаются возле проводников катушки. Некоторые из этих силовых линий замыкаются возле проводников другой катушки. Получается, что обе связаны между собой при помощи магнитных линий.
- Чем дальше расположены обмотки друг от друга, тем с меньшей силой возникает между ними магнитная связь, так как меньшее количество силовых линий первой цепляется за силовые линии второй.
- Через первую проходит переменный ток (который меняется во времени и по определённому закону), значит, магнитное поле, которое создаётся, тоже будет переменным, то есть меняться во времени и по закону.
- Из-за изменения тока в первой в обе катушки поступает магнитный поток, который меняет величину и направление.
Происходит индукция переменной электродвижущей силы. Об этом говорится в законе электромагнитной индукции. - Если концы второй соединить с приёмниками электроэнергии, то в цепочке приёмников появится ток. К первой от генератора будет поступать энергия которая равная энергии, отдаваемой в цепочку второй. Энергия передаётся посредством переменного магнитного потока.
Понижающий трансформатор необходим для преобразования электроэнергии, а именно для понижения её показателей, чтобы можно было предотвратить сгорание электротехники.
Изготовление понижающего трансформатора с 220 на 12 Вольт своими руками
В настоящее время в продаже можно найти любой понижающий трансформатор, отвечающий всем требованиям, предъявляемым к данному виду технических устройств. Тем не менее, людям, имеющим творческую жилку и желающим изготавливать всё своими руками, вполне доступно собрать понижающий трансформатор своими руками. Все работы по самостоятельному изготовлению подобного изделия можно разбить на несколько этапов: подготовительный, выполнение работ и проверка работоспособности.

Выбор конструкции и собираемой схемы зависит от умения и возможностей исполнителя
Подготовительный этап
На этом этапе следует:
- определиться с типом собираемого аппарата – электромагнитный или электронный;
- определить технические параметры, необходимые для дальнейшего использования, – мощность и место установки, допустимые габаритные размеры и вес;
- рассчитать параметры первичной и вторичной обмотки, в случае изготовления электромагнитной модели;
- приобрести необходимые материалы и комплектующие.
При изготовлении электронного устройства необходимы навыки работы с паяльником и начальные знания в области электроники. В этом случае изначально выбирается схема устройства, и, соответственно, под неё готовятся электронные компоненты (транзисторы, конденсаторы и прочие). В случае изготовления электромагнитной модели сначала потребуется рассчитать обмотки собираемого прибора, после чего выполнять все остальные операции.

Конструкция простейшего электромагнитного трансформатора
Для определения числа витков N1 в первичной обмотке необходимо воспользоваться формулой:
N1 = (40 – 60) / S, где
- S – сечение магнитопровода (сердечника) трансформатора, измеряется в см2;
- 40–60 – это показатель (константа), определяющий тип и качество сердечника.
Сечение сердечника определяется исходя из геометрических размеров используемых заготовок: окно, ширина и толщина щёк сердечника. Сечение провода в первичной обмотке должно соответствовать току, который будет протекать в ней при эксплуатации, что определяется величиной подключаемой нагрузки, в числовом выражении это определяется как:
I1 = P / U, где
- I1 – ток, протекающий в первичной обмотке;
- P – мощность подключаемой нагрузки;
- U – напряжение на первичной обмотке.
Соответственно, зная величину протекающего по проводам тока, можно выбрать их допустимое сечение, в соответствии с требованиями, регламентированными Правилами устройства электроустановок (ПУЭ). Аналогичным образом определяется и сечение провода для вторичной обмотки.

При самостоятельном изготовлении сердечник может быть выбран различной формы и конструкции
Количество витков в каждой из обмоток определяется по формуле:
W = U × (V / 10), где
- W – количество витков в обмотке;
- U – напряжение в обмотке трансформатора;
- V – частота электрического тока – 50 Гц.
Определившись с количеством витков, а значит, и с размерами сердечника, а также необходимой длиной и сечением провода в обеих обмотках, можно готовить необходимые материалы для выполнения работ:
- провод для обеих обмоток;
- сердечник – можно приобрести новый или использовать от бывшей в употреблении техники (телевизор, радиоприёмник и т.д.);
- изоляционные материалы (лента, бумага и прочие).
Кроме этого, можно изготовить намоточный станок, облегчающий изготовление обмоток, в случае варианта, когда обмотки выполняются в виде катушек, размещаемых на сердечнике.
Выполнение работ
Когда все подготовительные мероприятия выполнены, можно приступать к изготовлению и сборке трансформатора, в этом случае работы выполняются следующим образом:
| Иллюстрация | Описание действия |
| Из электротехнического картона или иного материала изготавливаются каркасы катушек. |
| При помощи намоточного станка или вручную на катушки наматывается провод, количество витков на каждой катушке должно соответствовать значениям, определённым расчётным путём для каждой из обмоток. |
| Катушки помещаются на подготовленный сердечник, их концы фиксируются и обозначаются соответствующим образом. |
Проверка работоспособности
Когда трансформатор собран, а все его узлы надёжно закреплены и заизолированы, необходимо проверить его работоспособность. Для этого на первичную обмотку подаётся напряжение 220 Вольт, а к вторичной подключается нагрузка, рассчитанная на работу на напряжении 12 Вольт.
В случае успешного испытания, собранное изделие помещается в подготовленный корпус или устанавливается в предназначенном для размещения место.
Порядок сборки
Конструирование трансформатора начинается с расчета его параметров. Задаемся следующими величинами:
- Напряжение на входе: 220 В.
- Напряжение на выходе: 12 В.
- Площадь поперечного сечения сердечника: принимаем S = 6 кв. см.
На основании этих данных нужно рассчитать число витков в катушках. Используется следующая формула:
N = K*U/S,
Где
- N — количество витков;
- K — эмпирический коэффициент. Можно принять К = 50, но для того, чтобы избежать насыщения трансформатора, лучше принять К = 60. При этом несколько увеличится число витков и сам трансформатор станет чуть больше, но зато уменьшатся потери.
- U – напряжение в обмотке, В.
- S — площадь поперечного сечения сердечника, кв. см.
Автомобильный преобразователь напряжения 12-220 В своими руками
Таким образом, в первичной катушке число витков составит:
N1 = 60*220/6 = 2200 витков,
во вторичной:
N2 = 60*12/6 = 120 витков.
Далее нужно подготовить следующие материалы:
- медный провод, заключенный в шелковую или бумажную изоляцию: для первичной катушки — сечением 0,3 кв. мм, для вторичной — 1 кв. мм (при силе тока в цепи нагрузки менее 10 А);
- несколько консервных банок (жесть пойдет на изготовление сердечника);
- плотный картон;
- лакоткань (ленточная изоляция);
- пропитанная парафином бумага.
Схема мощного инвертора
Процесс изготовления трансформатора выглядит так:
- Из банок нужно вырезать 80 полос размером 30х2 см. Жесть нужно подвергнуть отжигу: ее помещают в печь, нагревают до высокой температуры, а затем оставляют остывать вместе с печью. Суть обработки состоит именно в постепенном остывании, в результате которого сталь размягчается и теряет упругость.
- Далее пластины нужно очистить от копоти и покрыть лаком, после чего каждая из них с одной стороны оклеивается тонкой бумагой — папиросной или пропарафиненной.
- Из плотного картона необходимо изготовить каркас для обмоток, состоящий из ствола и щечек. Он должен быть обмотан в несколько слоев пропитанной парафином бумагой, также можно воспользоваться чертежной калькой.
- На каркас виток к витку нужно намотать провод. Для ускорения этой операции можно сделать простенький намоточный станок: надеть каркас на стальной прут, вставить последний в пазы, проделанные в двух досках, и затем согнуть один конец в виде ручки. При укладке провода через каждые два-три витка нужно прокладывать бумагу с парафином — для изоляции. Когда намотка первичной катушки будет завершена, нужно зафиксировать концы провода на щечках каркаса и обмотать катушку бумагой в 5 слоев.
- Направление намотки вторичной катушки должно совпадать с направлением первичной.
Можно изготовить трансформатор, способный понижать напряжение и до 12-ти, и до 24-х вольт, которые требуются некоторым светильникам и другим приборам. Для этого на вторичную катушку нужно намотать 240 витков, но со 120-го сделать вывод в виде петли.
Далее:
- Закрепив на второй щечке каркаса выводы вторичной катушки, ее (катушку) также обматывают бумагой.
- Жестяные пластины на половину длины нужно вставить в катушку, после чего ими огибают каркас, так чтобы концы соединились под катушкой. Обязательным является наличие зазора между пластинами и каркасом.
- Теперь самодельный трансформатор нужно закрепить на основе — фрагменте деревянной доски толщиной порядка 50-ти мм. Для крепления следует использовать скобы, которые должны охватить нижнюю часть сердечника.
В завершении концы обмоток выводятся на основание и оснащаются контактами.
Как подобрать материалы
При изготовлении понижающего трансформатора с 220 на 12 Вольт важно использовать качественные материалы – это обеспечит высокую надежность устройства, которое впоследствии соберете на нем. Нужно отметить тот факт, что трансформатор позволяет сделать развязку с сетью, поэтому его допускается устанавливать для питания ламп накаливания и прочих приборов, которые находятся в помещениях с высокой влажностью (душевые, подвалы, и т
д.). При самостоятельном изготовлении каркаса катушки нужно использовать прочный картон или текстолит.
Рекомендуется использовать провода отечественного производства, они намного прочнее китайских аналогов, у них лучше изоляция. Можно использовать провод со старых трансформаторов, главное, чтобы не было повреждений изоляции. Чтобы слои изолировать друг от друга, можно использовать как простую бумагу (желательно тонкую), так и ФУМ-ленту, которая используется в сантехнике. А вот для изоляции обмоток рекомендуется применять ткань, пропитанную лаком. Поверх обмоток обязательно нужно нанести изоляцию – лаковую ткань или кабельную бумагу.
Что такое понижающий трансформатор 220 / 36В
Для чего нужен понижающий трансформатор:
- помещения, в которых по правилам техники безопасности запрещены высокие токи, присутствующие в обычной сети 220 вольт (переменное напряжение). Это, например, освещение саун, ванных комнат, туалетов, гаражных боксов, где требуется передача энергии низкого напряжения;
- в целях безопасности при временных ремонтных работах снижается напряжение.
- для условий, когда требуется пониженное напряжение из-за характеристик устройств, находящихся под напряжением. Часто через устройство подключаются паяльники на 36 вольт. Поражение электрическим током будет незначительным, не причинит вреда человеку;
Рассматриваемые устройства, если это не модуль (YTP), нельзя сразу брать и подключать к розетке, так как у них нет защитного корпуса, видны их элементы: первичная и вторичная обмотки, магнитопровод, контакты. Такие преобразователи соединяются проводами, поэтому пользователю следует ознакомиться с какими витками для подключения сети 220, какие контакты служат для вывода на потребителей уже преобразованного в 36 В напряжения.
Понижающие модели – это обычные трансформаторы, которые работают по стандартным принципам, только эти устройства преобразуют переменное напряжение (а это обычная сеть 220В) в меньшее. Если необходимо в целях безопасности (влажность, ремонт) снизить напряжение линии 220 В до 24, 45 и так далее, а в нашем случае до 36 В, устанавливаются такие отдельные узлы, вход которых 220 В, а на выходе получаем указанную уставку или другую.
Расчет на примере

Допустим, у нас такие параметры:
- Окно в высоту 53 мм, в ширину – 19 мм.
- Каркас изготавливается из текстолита.
- Верхние и нижние щеки: 50 мм, каркас 17,5 мм, следовательно, окно имеет размер 50 х 17,5 мм.
Далее, нужно произвести расчет диаметра проводов. Допустим, нужно, чтобы мощность была равной 170 Вт. При этом на сетевой обмотке ток будет равен 0,78 А (мощность делим на напряжение). В конструкции плотность тока оказывается равной 2 А/кв. мм. Имея эти данные, можно вычислить, что нужно применять провод диаметром 0,72 мм. Допускается использовать и 0,5 мм, 0,35 мм, но ток при этом будет меньше.

Отсюда можно сделать вывод, что для питания радиоаппаратуры на лампах, например, нужно намотать 950-1000 витков для высоковольтной обмотки. Для накала – 11-15 витков (провод только нужно использовать большего диаметра, зависит от числа ламп). Но все эти параметры можно найти и опытным путем, о котором будет рассказано дальше.
Как изготовить трансформатор 220 на 12В своими руками
Для самостоятельного изготовления понижающего трансформатора понадобится наличие следующих материалов:
- сердечника, который можно взять из старого телевизора;
- лакоткани;
- толстого картона;
- досок и деревянных брусков;
- стального прута;
- клея и пилы.
Сначала разберём вариант изготовления простейшей машинки для намотки провода.
| Иллюстрация | Выполняемое действие |
| Это наиболее простое приспособление для намотки провода на катушку. На схеме ясно видно, каким образом его можно собрать. Однако существуют и более удобные устройства, которые позволят ускорить процесс. | |
| При помощи обычных тисков, стального прута и коловорота (ручной дрели) можно собрать приспособление для намотки, которое сэкономит силы и время. | |
| Ещё одно устройство, без которого не обойтись. Часто для изготовления трансформатора используют старые катушки. Именно такой станок вместе с одним из предыдущих приспособлений позволит аккуратно перемотать провод с одной катушки на другую. |
Теперь следует рассмотреть изготовление картонного каркаса, непосредственно на который будет наматываться провод.
| Иллюстрация | Выполняемое действие |
| Размеры каркаса вымеряются по сердечнику (он должен входить внутрь довольно плотно). Исходя из того, что сердечник может быть как из обычных пластин, так и с просечкой, предлагаем читателю ознакомиться с обоими вариантами. | |
| По размерам делаем выкройку, которая склеивается. Для фиксации можно использовать любой клей, однако лучше отдать предпочтение водостойкому. Оптимальным вариантом станет эпоксидный. | |
| А здесь можно увидеть соотношение размеров сборного каркаса, который сложнее в изготовлении, но более надёжен и не требует склейки. Помните, что несоблюдение параметров может привести к нестабильной работе трансформатора. |
Когда всё необходимое готово, можно приступать к самой намотке. В этой работе тоже есть свои нюансы, которые следует учитывать.
Иллюстрация
Выполняемое действие
Разматываться с катушки-«донора» провод должен сверху, а наматываться, наоборот, – снизу вверх. Расстояние между катушками не должно быть меньше метра. Провод придерживается правой рукой, а вращение производится левой.
Выводы на различные величины напряжений заделываются с применением изолирующих прокладок. Их можно сделать из наматываемого провода или припаять к нему гибкий вывод, что удобнее. Место спайки изолируется в обязательном порядке. Вывод пропускается через отверстие в щёчке и фиксируется. Чтобы не запутаться впоследствии (при наличии нескольких выводов), лучше его сразу промаркировать.
Фиксирующие изолирующие прокладки проклеиваются, однако, даже в этом случае необходима дополнительная фиксация.
На рисунке показано, каким образом зажимаются наматываемым проводом фиксирующие изолирующие прокладки
Важно делать всё по инструкции – только в этом случае можно надеяться на положительный результат. Помните, что витки провода должны плотно прилегать друг к другу – это обеспечит стабильное магнитное поле катушки.
Расчёт количества витков первичной и вторичной обмотки
Основной работой при изготовлении трансформатора можно назвать расчёт количества витков первичной и вторичной обмотки. В среднем для преобразователя в 90−150 Вт принимается за расчёт количество витков на 1 В, равное 50 Гц / 10 = 5. Общее же количество рассчитаем по формулам:
- W1 = 220 × 5 = 1100;
- W2 = 12 × 5 = 60.
Получаем необходимое количество витков первичной обмотки − 1100, а вторичной – 60.






































