Идея 4. На базе таймера NE555
Этот вариант также относится к электронным реле, в котором задержка времени устанавливается при помощи популярного таймера NE555. С его помощью вы сможете собрать таймер, который оперирует коммутационными процессами, как на включение, так и на отключение.

Рис. 8. На базе таймера NE555
Как видите на схеме, таймер выполняет роль управляющего ключа, разрешающего выдачу электрического сигнала либо напрямую к прибору, либо через оперирующий орган – катушку реле. Когда времязадающая цепочка из двух резисторов и конденсатора достигнет насыщения, таймер выдаст на выход реле времени управляющий сигнал, который притянет к катушке прибора сердечник и замкнет контакты. К выходной катушке параллельно подключается светодиод, сигнализирующий о состоянии реле.
Практическая реализация этой схемы также требует определенных навыков и знаний в пайке радиодеталей и изготовлении печатных плат.
Виды реле
Блочные модели
По способу подключения к действующей электросети все релейные устройства подразделяются на следующие классы:
- приборы блочного типа;
- переключатели, встраиваемые непосредственно в электронную схему;
- модульные конструкции.
Устройства блочного типа выполняются в виде монолитного переходника, втыкаемого непосредственно в розетку. Их контакты напрямую подключаются к фазе и нулю коммутируемой цепи. Встраиваемые образцы не нуждаются в стороннем источнике питания, так как работают в составе сложных электронных схем.
Модульные устройства
Модульные реле времени крепятся на дин рейке в распределительном шкафу и подключаются к расположенной рядом нулевой и фазной шине. В соответствии с особенностями конструкции конкретного исполнительного механизма все известные образцы реле имеют следующие исполнения:
- электромагнитного типа;
- приборы, выполненные на основе электронной схемы;
- похожие на заводные механизмы пневматические и электромеханические устройства (последние по внешнему виду напоминают часы).
Цифровое реле задержки отключения нагрузки
По виду механизма, обеспечивающего задержку во времени, эти устройства делятся на следующие классы:
- с электромагнитным замедлением;
- пневматические (компрессорные);
- с часовым (анкерным) замедляющим механизмом;
- моторные системы;
- электронно-механические аналоговые устройства.
Каждый из перечисленных образцов отличается от аналогов своими характеристиками и применяется в конкретных условиях на усмотрение пользователя. Устанавливаемые на дин рейку модульные конструкции могут использоваться в качестве временного реле 220 Вольт для освещения внутридомовых пространств.
Особенности конструкции
- Катушка.
- Неподвижный магнитопровод.
- Якорь (катушка или подвижная часть магнитопровода).
- Оттяжная пружина и блок-контакты.
- Регулировочный винт.
- Траверса.
В месте, где соприкасаются якорь и сердечник, размещена немагнитная прокладка. Она нужна для того, чтобы якорь не прилипал непосредственно к сердечнику. Если же прокладки нет, то отбрасывающая пружина не сможет перенести удерживающее усилие остаточного магнетизма сердечника. В таком случае прибор не сможет отключиться.
Выдержкой реле времени называется время с момента подачи импульса на саму катушку до периода срабатывания контактов. Регуляция выдержки делается изменением толщины прокладки и натяжением оттяжной пружины с помощью винта в зависимости от типа устройства. Длительность выдержки зависит от толщины натяжения пружины и толщины немагнитной прокладки. Чем меньше напряжение и чем тоньше прокладка, тем выдержка больше.
Что понадобится для изготовления?
В зависимости от выбранной модели процесс может оказаться как простым, так довольно трудоемким. Поэтому всем необходимым лучше запастись заранее, чтобы не останавливаться на половине проделанной работы.
Для сборки реле времени вам понадобится:
- набор радиодеталей – в каждом конкретном примере самодельного реле их перечень будет отличаться, но основная номенклатура останется неизменной (резисторы, конденсаторы, транзисторы, микросхемы, промежуточные реле или переключатели, блоки питания или понижающие трансформаторы, катушки и т.д.);
- основание для набора элементов – печатная плата, диэлектрическая поверхность или каркас, также выбираются исходя из местных условий;

Рис. 3. Печатная плата
- паяльник, припой и другие приспособления для соединения элементов цепи.
- корпус – для защиты элементов реле от различных механический воздействий, попадания пыли, влаги и засорителей;
- блок управления или программирования – если вы планируете сделать регулируемую задержку.
В некоторых ситуациях вышеперечисленные части можно позаимствовать из старых электронных приборов, если он вам подходят, в противном случае их нужно приобрести. С конкретным перечнем вы сможете определиться после того, как выберете конкретную модель, которую хотите изготовить.
Схема подключения реле к линии
Разные модели реле времени монтируются в электрическую сеть отличающимися способами. Но есть и базовые, неизменные вещи. Здесь нужно помнить две из них:
- Реле требует ток для обеспечения собственной функциональности, а значит два контакта линии устройства будут предназначены названой цели. Хотя последнее сильно зависит от типа устройства. К примеру, у пружинных, гидравлических и пневматических реле в зависимости от модели, необходимость подвода дополнительного тока не актуальна.
- Установка таймера выполняется в разрыв одной из линий питания нагрузки. Обычно в роли нее выступает фазовый провод переменного тока или плюс постоянного.
Ответ на вопрос как подключить реле времени к существующей линии становится понятен при взгляде на следующую схему:

Вот только значения линий и их последовательность у разных аппаратов может отличаться. Здесь поможет инструкция или руководство по эксплуатации, относящееся к конкретной модели и поставляемое вместе с ней на бумажном носителе.
Особенности монтажа
Чтобы пускатель и реле времени смогли надежно работать, их нужно правильно установить. Устройства должны быть жестко закреплены.
Нельзя устанавливать приборы в местах, которые могут подвергаться ударам и вибрациям, например там, где установлены электромагнитные аппараты (больше 150 А), создающие удары и вибрации во время включения.
Если к контактам магнитного пускателя подключается один проводник, нужно загибать его П-образно, чтобы предотвратить перекос пружинной шайбы зажима.
Если подсоединяются два проводника, они должны быть прямыми, и каждый должен располагаться с одной стороны винта зажима. Обязательно нужно проверить надежность закрепления проводников.
Перед подключением к пускателю концы медных проводников нужно залудить, а многожильные скрутить. Однако нельзя смазывать контакты и подвижные детали пускателя.
Другие функции

Экран и панель управления реле времени Современные системы управления обладают разнообразием возможностей. В некоторых моделях дополнительные функции программируемых реле отображены в трех основных и двух смешанных режимах, которые обозначаются следующим образом:
- H – таймер недельный;
- U – реле напряжения;
- F – фотореле;
- HU – недельный таймер с контролируемым напряжением;
- FU – фотореле с контролем напряжения.
Таймер недельный автоматически выполняет ежедневную важную функцию. Например, оптимизация параметров тепличного или инкубаторного хозяйства. Может управлять работой фонтанных устройств, рекламных конструкций.
Реле U обеспечивает защиту электрооборудования от возможных колебаний сетевого напряжения. Подключенное устройство отображает на дисплее его реальную величину.
Если значение в заданных пределах – включается нагрузка. Когда напряжение выходит за пределы верхнего или нижнего порога, нагрузка не подключается.

Фотореле для уличного освещения
Фотореле – оптимальный вариант программируемой работы осветительной арматуры. Может применяться как в быту, так и для управления подсветкой различных сооружений, освещением садово-парковых площадей, улиц, других публичных мест.
Также существуют приборы, совмещающие функции таймера, фотореле и реле напряжения. Энергонезависимая память такого устройства позволяет сохранять запрограммированные параметры не только при перепадах напряжения, но даже при отключениях питания. Обычно, допустимое значение тока нагрузки для реле прибора – до 16 ампер. Если же рабочий ток больше, оборудование комплектуется магнитным пускателем или контактором.
Перечисленные приборы предназначены для коммутации нагрузки, согласно установленному времени, контроля напряжения и отключения потребителей при значительных колебаниях в электрической сети. Причем после восстановления параметров происходит их автоматическое включение. Выполняется переключение установленного уровня освещенности, другие программируемые действия.
Самостоятельное изготовление
При желании можно сделать таймер включения и выключения электроприборов своими руками. Перед тем как приступить к исполнению, нужно определиться с задачами, найти схему устройства и требуемые радиодетали. Схемы существуют разной степени сложности.
Схема реле на транзисторе
Простая схема реле задержки выключения 12 В собирается на одном транзисторе, и не содержит дефицитных деталей. Эта очень простая к повторению схема. После сборки не требует настройки. Такое устройство будет работать не хуже приобретённого в магазине.
В качестве VT1 используется любой транзистор n-p-n проводимости. При подаче питания конденсатор заряжаться. При достижении на нём пороговой величины напряжения, транзистор открывается и срабатывает реле K1. Изменяя значение С1 и R2, регулируется время включения. Задержка включения в таком исполнении достигает 10 секунд. Для того чтобы при снятии питания реле оставалось замкнутым некоторое время, параллельно питанию схемы устанавливается конденсатор большой ёмкости.
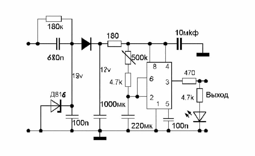
Управление задержкой на микросхеме
Простая схема управления светом, вентилятором, или другой нагрузкой может быть собрана на NE555. Специализированная микросхема NE555 есть не что иное, как таймер. Выходной ток устройства 200 мА, ток потребления 203 мА. Погрешность таймера не превышает один процент и не зависит от изменения сигнала в сети 220 вольт.
Схема работает от источника постоянного напряжения. Уровень сигнала питания схемы выбирается в диапазоне от 9 до 14 Вольт. Цепочка, состоящая из резисторов R2, R4 и конденсатора C1 задаёт время задержки. Рассчитать это время можно воспользовавшись формулой t = 1.1*R2*R4*C1. После нажатия кнопки SB1 происходит замыкание контактов K1.1. Через время t они разомкнутся. Для того чтобы таймер начинал отсчёт времени не от момента нажатия на кнопку, а в момент отпускания, понадобится использовать кнопку с нормально замкнутыми контактами.
Время подстройки легко регулировать с помощью переменного резистора R2. Такую схему удобно собрать на плате, выполненной из текстолита или гетинакса. После правильной сборки и при исправных радиодеталях схема работает сразу.
Для обеспечения точных промежутков времени при выполнении различных действий с помощью электрооборудования применяются реле времени.
Они повсюду применяются в быту: электронный будильник, изменение режимов работы стиральной машины, микроволновой печи, вытяжные вентиляторы в туалете и ванной комнате, автоматический полив растений и т. п.
Что еще важно знать. 2 интересных факта
3Т=RC
У рассмотренной формулы T=RC есть некая особенность. Время Т – это всего 63% от максимума заряда, 95% — это 3Т.

Зависимость напряжения от времени
При разряде происходит обратно пропорциональная зависимость. За время Т конденсатор разрядится до 37%, за 3Т до 5% от максимума. Это происходит потом, что с увеличением или уменьшением внутреннего заряда потенциалы постепенно выравниваются.
То есть, предположим, что за 10 секунд заряжается кондер до 95%. Напряжение зарядки 10В, сопротивление цепи 10Ом, ток 1А. На седьмой секунде напряжение в цепи упадет на 30%, и станет 7В. Это происходит потому, что потенциал начинает выравниваться по мере зарядки конденсатора. Следовательно, ток в цепи также упадет на 30% — до 0,7А. И так будет происходить, пока не установится равновесие в цепи.
Переменное напряжение
Синусоидальное напряжение имеет несколько фаз. На пике восхождения, когда заканчивается полупериод, величина тока достигает максимальной отметки. Этот пик показывает амплитудный ток, максимальное мгновенное значение переменного тока, которое в 1,4 раза выше, чем действующее значение. То есть рассматриваемый нами переменный ток 220В в какой-то момент времени достигает пика 308В.
Какой вид прибора лучше выбрать?
Перед тем как совершить покупку, опишите свои требования к прибору. С учетом этих факторов и стоит заняться поиском подходящего выключателя. Решите, где будет установлен выключатель – снаружи или будет встраиваться. После решите какие функции интересуют вас, как владельца прибора. Если необходимо активизировать дополнительный функционал придется прикупить некоторые датчики. Или же выберите модификацию, в которой все элементы уже являются частью конструкции.
При выборе рекомендуется следовать таким пунктам:
- Учитывайте напряжение, на которое рассчитана работа изделия.
- Определитесь с типом управления – механическим или цифровым.
- Место установки – в розетку, подрозетник, распредкоробку.
- Учитывайте условия эксплуатации, необходима ли защита от влаги.
Учитывайте и периодичность, указанную на таймере выключателя. Если функции предположительно осуществляются несколько раз в сутки, то стоит выбрать суточные модели. На выбор представлены и варианты недельным или месячным таймером.
Более сложная модификация устройства подходит для управления несколькими приборами и питающими линиями
При выборе производителя, стоит обратить внимание на модели известных и проверенных марок. Часто положительные отзывы оставляют про выключатели компании Legrand, Feron, Livolo, Orbis
Применение выключателя с задержкой отключения откроет перед вами новые возможности. Стоит сочетать изделие вместе с опцией «умный дом». Такой подход позволит обеспечить комфортные условия проживания и в тоже время сберечь ресурсы. Благодаря четко установленному интервалу владельцы жилья могут не переживать, если забудут отключить свет. За них это сделать устройство в определенное время. Повышенные меры безопасности в современном мире уже давно стали нормой. Стоит только определиться с моделью, которая подойдет с учетом ваших нужд, ведь зачем переплачивать за функционал, который может так и не пригодиться. Ознакомившись с разнообразием моделей, подобрать подходящий вариант будет проще. При этом изучите технические характеристики выключателя с задержкой отключения, изучите правила программирования прибора. Хорошо, если он сможет функционировать при отключении электропитания.
Поиск на сайте
Для организации этого вводится шунтирующая пусковую кнопку катушка, которая ставится на самоподпитку, организовывая цепь самоподхвата.
Пружина при этом удерживает в приподнятом состоянии верхний участок магнитопровода. Когда нужно подключить 2 проводника к зажиму, нужно чтобы их концы были прямыми и находились по две стороны зажимного винта. Фаза А через КМ1. От КЗ короткого замыкания схему управления защищает предохранитель PU В нормальных обстоятельствах контакт реле Р замкнут. Порядок сборки смотрите в следующем видео. Мощность двигателя зависит в большей степени от железа и сечения провода.
Подключение последней выполняется к выходу одного из МП, а первой — к выходу второго. Также в конструкцию могут включать в качестве дополнительных элементов, защитное реле, электропредохранители, добавочный комплект клемм, пусковое устройство. Для запуска требуется нажать кнопку ПУСК, после чего цепь катушки магнитного пускателя замкнётся и притянет замкнёт контакты ПМ для пуска двигателя и контакт ПМ4, который даст возможность при отпускании кнопки пуска продолжать работу и не отключить магнитный пускатель называется самоподхватом. Нормальное состояние, когда контакты разомкнуты.
Такая схема обычно нарисована на крышке. Контакты КМ2.
На клеммы Ф1, Ф2, Ф3 подается трехфазное напряжение. Снимается оно с контактов T1, T2, T3. Они не дают возможности включиться обоим пускателям одновременно. Корпус, изготовленный из электроизоляционного материала, полностью защищает человека от случайного поражения электрическим током. Поэтому кнопки управления пускателем, которые называют кнопочным постом, имеют по две пары контактов — нормально открытые разомкнутые, замыкающие, НО, NO и нормально закрытые замкнутые, размыкающие, НЗ, NC Данная универсализация всех кнопок кнопочного поста сделана для того, чтобы предвидеть возможные схемы обеспечения моментального реверса двигателя.
Как правило, они изготавливаются в едином диэлектрическом корпусе, при этом одна из них красного цвета. Когда по катушке проходит ток, сердечник намагничивается и притягивает пластину с коммутирующим устройством.
Нагреватели реле рассчитывают на предельную величину тока, протекающего через них. Обозначаются зеленым, белым или другим нейтральным цветом. Реверсивные магнитные пускатели в однофазной сети. Реверсивная схема подключения электродвигателя.
Как работает микросхема 555
Перед тем, как перейти к примеру устройства реле, рассмотрим структуру микросхемы. Все дальнейшие описания будут делаться для микросхемы серии NE555 производства Texas Instruments.
Как видно из рисунка, основа — это RS-триггер с инверсным выходом, управляемый выходами с компараторов. Положительный вход верхнего компаратора называется THRESHOLD, отрицательный вход нижнего — TRIGGER. Другие входы компараторов подключены к делителю напряжения питания из трех резисторов по 5 кОм.

Как вы скорее всего знаете, RS-триггер может находиться в устойчивом состоянии (обладает эффектом памяти, объемом 1 бит) либо в логическом «0», либо в логической «1». Как он функционирует:
- Приход положительного импульса на вход R (RESET) устанавливает выход в логическую «1» (именно «1», а не «0», так как триггер инверсный — об это говорит кружок на выходе триггера);
- Приход положительного импульса на вход S (SET) устанавливает выход в логический «0».
Резисторы по 5 кОм в количестве 3-х штук делят напряжение питания на 3, что приводит к тому, что опорное напряжение верхнего компаратора (вход «–» компаратора, он же, вход CONTROL VOLTAGE микросхемы) составляет 2/3 Vcc. Опорное напряжение нижнего — 1/3 Vcc.
С учетом сказанного, можно составить таблицы состояний микросхемы относительно входов TRIGGER, THRESHOLD и выхода OUT
Обратите внимание, что выход OUT — это инвертированный сигнал с RS-триггера
| TRIGGER < 1/3 Vcc | OUT = лог «1» | неопределенное состояние OUT |
| TRIGGER > 1/3 Vcc | OUT остается без изменений | OUT = лог «0» |
В нашем случае, для создания реле времени применяется такая хитрость: входы TRIGGER и THRESHOLD объединяются вместе и к ним подается сигнал с RC-цепочки. Таблица состояний в таком случае будет выглядеть так:
| THRESHOLD, TRIGGER < 1/3 Vcc | OUT = лог «1» |
| 1/3 Vcc < THRESHOLD, TRIGGER < 2/3 Vcc | OUT остается без изменений |
| THRESHOLD, TRIGGER > 2/3 Vcc | OUT = лог «0» |
Схема включения NE555 для такого случая следующая:

После подачи питания конденсатор начинает заряжаться, что приводит к постепенному увеличению напряжения на конденсаторе с 0В и далее. В свою очередь, напряжение на входах TRIGGER и THRESHOLD будет наоборот, убывать, начиная с Vcc+. Как видно из таблицы состояний, на выходе OUT присутствует логический «0» после подачи питания Vcc+, а переключение выхода OUT в логическую «1» произойдет, когда на указанных входах TRIGGER и THRESHOLD напряжение опустится ниже 1/3 Vcc.
Важен тот факт, что время задержки реле, то есть промежуток времени между подачей питания и зарядкой конденсатора до момента переключения выхода OUT в логическую «1», можно рассчитать по очень простой формуле:
T = 1.1 * R * C И как видите, это время не зависит от напряжения питания. Следовательно, при проектировании схемы реле времени можно не заботиться о стабильности питания, что значительно позволяет упростить схемотехнику.
Далее приведем рисунок варианта исполнения микросхемы в DIP-корпусе и покажем расположения выводов чипа:

Также стоит упомянуть, что кроме 555 серии производится серия 556 в корпусе с 14-ю выводами. Серия 556 содержит два таймера 555.
Технические характеристики
Размеры реле времени 12 Вольт с задержкой выключения: 65х36х23 мм.
Размеры устройства 220 вольт с задержкой выключения: 68х86х18мм.
- Сетевое напряжение. Пределы: верхний – от 220 В до 280 В, нижний – от 120 В до 210 В.
- Напряжение питание в пределах от 100 В до 420 В.
- Номинальный ток – 5 А, 16 А, 25 А, 32 А, 40 А, 50 А, 63 А.
- Потребляемый ток – 2.8 мА, 5.8 мА (у модели SR 1), 10 мА, 76 мА, 86 мА.
- Номинальная мощность нагрузки – 1 кВА, 3 кВА, 5.5 кВА, 7 А, 8.8 кВА, 11 кВА, 13.9 кВА.
- Период задержки подключения нагрузки (регулируемый) от 3 до 600 секунд.
- Время отключения питания нагрузи во время снижения напряжения от 1 до 0.04 секунды в зависимости от вида устройства. Во время повышения напряжения – от 0.01 до 0.05 секунды.
- Допустимое количество включений (при подключённой нагрузке) от 50 000 до 100 000 раз.
- Для трёхфазной конструкции существует возможность настроить величину перекоса фаз в пределах от 10 В до 80 В.
- Настраиваемое время при заданном перекосе от 0 до 30 секунд.
Стандарты защиты:
- IP 20 – защита устройства от проникновения внутрь его корпуса предметов с диаметром, превышающим 12.5 мм.
- IP 56 – защита от обычных и сильных водяных струй.
РВ с задержкой выключения 220в с 3 лучших устройства с алиэкспресс
Покупка реле на портале алиэкспресс экономит деньги. Мы приводим три лучших устройства на этом сервисе.
| Номер в рейтинге | Название | Плюсы | Недостатки |
| Первый | Digital LED Display Time Delay Relay Module Board DC 12V Control Programmable Timer Switch Trigger Cycle Module With Case | Цифрой индикатор, наличие корпуса | Для управления устройствами 220В нужно промежуточное реле |
| Второй | AC 220V H3Y-2 Power On Time Delay Relay Solid State Timer 1.0~30 Min Socket Base | Возможность работать в сети 220 В, удобная настройка | Предельное время задержки 30 мин |
| Третий | Programmable Delay Relay DH48S-S with socket base | Неограниченное время выдержек, наличие корпуса, возможность дистанционной настройки | Цена |
Первый, второй и третий номер в нашем рейтинге реле
Назначение, виды и принцип работы
Реле времени — это прибор, предназначенный для автоматизации действий в зависимости от установленного интервала времени. Другими словами, устройство позволяет отсрочить запуск процесса на какой-то промежуток времени. Конструктивно прибор состоит из следующих частей:
- управляющая;
- выдерживающая;
- исполнительная.
Управляющая часть обеспечит запуск при появлении разрешающего сигнала, поступающего на элементы схемы. Выдерживающая часть переводит прибор в режим паузы, а исполнительная уже непосредственно коммутирует подключённую к выходу нагрузку.
Простое реле времени с задержкой включения 220 В предназначено для управления отсрочкой по времени, например, отключение света через пять минут после его включения. Наиболее распространёнными типами реле являются: электромеханическое, электромагнитное, программируемое.
В простых случаях применяют первые два вида реле, использующие одну настройку. Программируемый тип обладает расширенными возможностями. Основная его способность заключается в возможности создания цикличности действия и гибкости настройки. Благодаря чему такое реле является универсальным для любой сферы применения и настраивается с высокой точностью. Оно может управляться дистанционно, комплектоваться удобной системой индикации, а также использоваться в схемах вместо импульсного реле.
По способу расположения разделяются на отдельностоящие, встраиваемые и модульные. Отдельностоящие — это независимые устройства, выполняемые в отдельном корпусе с выносным устройством питания. Например, реле времени для фотопечати. Встраиваемые устройства представляю собой плату и механизм без корпуса. Они составляют единое целое с другими сложными приборами, например, таймер-программатор в микроволновой печи или накладной выключатель с выдержкой времени. Модульные приборы выпускаются с креплениями, выполненными под din-рейку, и предназначены они для расположения в щитовых шкафах.
Электромагнитный тип устройства
Используется в линии постоянного тока. Преимущество электромагнитных реле заключается в низкой цене, а недостаток — в ограниченном ресурсе работы. Основными частями, из которых состоит устройство, являются:
- катушка;
- магнитопровод;
- якорь;
- траверс;
- пружина.
Для получения напряжения требуемого для различных частей схемы, на её входе располагается преобразователь. Кроме этого, он формирует уровень опорного напряжения. Таким образом, в цифровых реле задержка времени задаётся зарядно-разрядной цепочкой и компаратором. Подсчёт числа импульсов генератора и изменение величины времени, осуществляется с помощью счётчика. Получая импульсы от генератора, счётчик проводит их подсчёт. Дешифратор анализирует состояние счётчика и формирует сигнал, пересылаемый в исполнительный блок.
Что такое реле времени (далее Р.В.) с задержкой
Обычное реле предназначается для включения устройств после поступления сигнала. Реле времени срабатывает не сразу, а после прохождения промежутка времени заданного при его изготовлении или настройки. Если выполнено с задержкой, то перед включением или отключением отсчитывается еще один период. Он тоже либо предусматривается при изготовлении прибора либо настраивается (программируется).
ТЕСТ:
4 вопроса для проверки теории
- Есть возможность использовать реле с задержкой как обычное реле?
а) Нельзя, это абсолютно разные устройства.
б) Да, для этого настраиваем задержку на ноль. (верный)
- Отличаются ли реле с задержкой включения и выключения?
а) Да, первые отрабатывают задержку перед запуском основного таймера, вторые только выдерживают время после команды на выключение. (верный)
б) Нет.
- Возможна замена реле с задержкой выключения на реле с задержкой включения?
а) Нет это разные устройства. (верный)
б) Да.
- Реле с задержкой включения можно ли заменить на два обычных реле времени?
а) Да если их правильно подключить. (верный).
б) Нет.
С задержкой выключения — 1 реле, работающее навыворот
- На реле подается сигнал о выключении устройства.
- Начинается отсчет времени задержки, после того как период истек устройство выключается.
Если такое реле смонтировано перед обычной лампой то она будет гаснуть не сразу после того как сработал выключатель а после прохождения времени задержки.
С задержкой включения — 2 устройства в одном
- На реле подается сигнал, он включает его механизм или электронную схему.
- Сразу отсчитывается время задержки.
- После того как время отсчитано реле включает подключенное устройство на заданное время.
Фактически это два реле времени включенные последовательно.





































