Выбираем УЗО по 2 основным параметрам
Современная электросеть включает в себя УЗО. Какое УЗО устанавливаются на вводе в квартиру? Какие 2 параметра определяют выбор? Сколько устройств достаточно?
- Какой электроприбор защищаем от тока утечки?
А) Кондиционер, мощностью 1950 Вт
Б) Бойлер с мощностью 4200 Вт
- На какой ток следует выбрать диф реле?
- В какую комнату устанавливается потребитель?
- Значение тока отключения?
- Для кондиционера выбираем УЗО с током 3 А ( достаточно 2 для автомата выбираем на одну ступень выше) для размещения в Спальне и допустимой утечкой 10 мА.
- Перед бойлером устанавливаем диф реле на 6 А ( 3 для автомата). Монтаж – в Кухне с дифференциальным током 6 мА.
- Кондиционер можно защитить диф реле на 6 А (2 А для автомата) при установке в Спальне и значению утечки в 10 мА.
Основные параметры
После торговой марки на корпусе обозначаются основные номиналы и рабочие характеристики УЗО.
Наименование и серия модели
Обратите внимание, что здесь вы не всегда увидите буквы УЗО, некоторые фирмы-производители обозначают данное устройство как ВДТ (выключатель дифференциального тока).
Величина номинального напряжения и частоты. В российской энергосистеме рабочая частота – 50 Гц
Что касается напряжения, то для однофазной сети в квартире это 220-230 В. Для частного дома иногда необходима трёхфазная сеть и рабочим напряжением будет 380 В.
Характеристики УЗО на видео:
- Номинальный рабочий ток, это максимальная величина, которую способно коммутировать УЗО.
- Номинальный дифференциальный ток отключения. Это величина, при которой устройство срабатывает.
- Также здесь указываются температурные пределы работы УЗО (минимум – 25 градусов, максимум + 40).
- Ещё одна токовая величина – номинальный условный ток КЗ. Это максимальный ток короткого замыкания, который выдержит устройство и не отключится, но при условии, что в цепи последовательно с ним будет установлен подходящий автомат.
- Номинальное время срабатывания. Это временной промежуток от того момента, когда внезапно возникла токовая утечка и до того, как она должна погаситься всеми полюсами УЗО. Предельная допустимая величина – 0,03 с.
- Обязательно на корпусе должна быть нарисована схема УЗО.
Виды УЗО
Параметры, по которым можно подразделить защитные устройства:
- Способ управления – зависящие и независящие от напряжения;
- Назначение – со встроенной защитой от сверхтоков и без нее;
- Способ установки – стационарные и независимые;
- Число полюсов – двухполюсные (для однофазной сети) и четырёхполюсные (для трехфазной сети).
Электромеханическое УЗО
Электромеханическое УЗО – «ветеран» защиты от утечек тока. Устройство было запатентовано еще в 1928 году. В большинстве европейских стран именно электромеханическое устройство безопасности обязательно к применению в качестве защиты от дифференциального тока.
Наличие напряжения для работоспособности электромеханического УЗО не имеет значения. Источником энергии для выполнения функций защиты является ток утечки, на который реагирует выключатель.
В основе устройства – точность и надежность механики. Магнитный сердечник трансформатора имеет высокую чувствительность, а также температурную и временную стабильность. Его производят из нанокристаллических или аморфных сплавов, которые отличаются высокой магнитной проницаемостью.
Преимущества:
- Надежность – исправное устройство гарантирует 100% срабатывание при утечке тока, независимо от наличия напряжения в сети;
- Сохраняет функциональность даже при обрыве нейтрального проводника;
- Имеет более простую конструкцию, которая увеличивает надежность выключателя;
- Не нуждается во вспомогательных источниках питания.
Недостатки:
Высокая цена (в зависимости от марки цена может трехкратно и даже пятикратно превышать цену электронного устройства).
Электронное УЗО
Внутри устройства расположен усилитель на микросхеме или транзисторе, благодаря чему выключатель срабатывает даже при возникновении незначительного тока во вторичной обмотке. Усилитель увеличивает его до размера импульса, необходимого для активизации реле. Но для работоспособности элементов электронного УЗО необходимо наличие напряжение в сети.
Возникает вопрос о необходимости УЗО при отсутствии напряжения в сети. От чего защищаться? Если напряжение пропало из-за обрыва нейтрального проводника в цепи до УЗО, то на электроустановку по фазному проводнику продолжает поступать опасный для человека потенциал.
Достоинства:
- Низкая цена;
- Компактность.
Недостатки:
- Функционирует только при наличии напряжения;
- Неработоспособен при обрыве нейтрали;
- Более сложная конструкция повышает вероятность выхода выключателя из строя.
УЗО переносное и в виде розетки
Простое решение, способное предохранить от тока утечки – УЗО переносные и в виде розетки. Они удобны при использовании в ванной комнате и других помещениях с повышенной влажностью, могут подключаться в любой из комнат квартиры, где необходимо.
Большинство предлагаемых моделей выполнены в виде сетевого адаптера с розеточным отверстием для вилки. Таким устройством может пользоваться даже ребенок – его подсоединяют непосредственно к розетке, а затем включают электроприбор.
Просты в использовании и удлинители с функцией УЗО, рассчитанные на несколько потребителей.
Существуют модели менее универсальные, они могут использоваться после установки на шнур электроприбора вместо вилки или же устанавливаются вместо обычной электрической розетки.
Преимущества:
- Установка не требует вмешательства в электропроводку;
- Для установки не требуется помощь электрика;
- Срабатывание автоматики позволяет определить, в каком потребителе повреждена изоляция.
Недостатки:
- Использование адаптера в видимых местах вносит дисгармонию в дизайн комнаты;
- В помещении, которое загромождено мебелью и электробытовыми приборами, а пространство перед розеткой ограничено, может не оказаться свободного места для установки адаптера;
- Высокая стоимость – качественный адаптер будет стоить дороже, чем УЗО и розетка, приобретенные отдельно.
УЗО с защитой от сверхтоков (дифавтомат)
Устройство совмещает в себе функции УЗО и автоматического выключателя, который предназначен для защиты от сверхтоков (предотвращает проводку от перегрузки и повреждений при коротком замыкании).
Преимущества:
- Экономичность – покупка одного устройства обойдется дешевле, чем двух;
- Занимает меньше места в щитке;
- Экономия времени в процессе монтажа.
Недостатки:
- При выходе выключателя из строя линия будет без защиты и от токов утечки и от сверхтоков;
- В случае срабатывания устройства нет возможности определить, что стало причиной – сверхтоки или ток утечки;
- Ложные срабатывания, вызываемые оргтехникой. Не рекомендуется ставить дифавтоматы на линии, к которой подключены компьютеры и оргтехника.
Это интересно: Мигают дополнительные лампы после подключения
Варианты схем
Нельзя сказать, что существует одна конкретная схема. Каждый случай имеет свои особенности, поэтому подключение УЗО может производиться по-разному. Во-первых, устройство применяется в сетях однофазного и трёхфазного напряжения (это уже две разные схемы). Во-вторых, можно установить УЗО на вход и защитить таким образом от токовых утечек всю квартиру. А можно производить монтаж устройств для каждой отдельной линии, тем самым защищая только определённый участок электрической сети.
Пример подключения УЗО в однофазной сети на видео:
Так как схема для подключения УЗО имеет несколько вариантов, очень важно, чтобы вы могли их читать. Сейчас в паспортах многих электробытовых приборов и техники указано, как и через какой тип УЗО необходимо выполнять их подключение к электрической сети. Рассмотрим, как правильно подключить УЗО, на нескольких общих примерах
Рассмотрим, как правильно подключить УЗО, на нескольких общих примерах.
Что такое однофазная сеть?
При однофазной электрической сети потребители запитаны по двум проводникам – фаза и рабочий ноль. Номинальное напряжение в таких сетях – 220 В.
Однофазная сеть может быть двухпроводного и трёхпроводного исполнения. В первом случае используется два проводника – фазный и нулевой, на схемах они обозначаются английскими буквами «L» и «N».
Второй вариант помимо фазы и ноля предусматривает ещё наличие проводника защитного заземления (его обозначение «РЕ»). Основная функция этого заземляющего провода – дополнительно защитить людей от поражения электрическим током. За счёт его подсоединения к корпусам электроприборов, в случае замыкания фазы на корпус произойдёт отключение электропитания. Это спасёт и жизнь человека, и саму технику от перегорания.
А теперь поговорим о том, какой может быть схема подключения УЗО в однофазной сети.
Подключение на входе (в однофазной сети)
В этом случае монтаж УЗО производится в щитке после вводного двухполюсного автомата. Вслед за устройством защитного отключения располагаются отходящие автоматические выключатели. Такая схема включения УЗО обеспечивает одновременную защиту от токовых утечек всем отходящим потребителям.
Недостаток схемы в сложности поиска места повреждения. Например, произошло замыкание фазы на металлический корпус какого-то бытового прибора, включенного в данный момент в розетку.
Происходит срабатывание УЗО, в квартире исчезает напряжение. Если в это время в розетки были включены несколько приборов, то сразу определить повреждённый будет проблематично.
Такая схема имеет и положительные стороны. За счёт того, что используется только одно устройство защитного отключения, монтаж распределительного щитка обойдётся дёшево, да и сам он будет небольших размеров.
Имейте в виду, что широкое распространение получила ещё одна разновидность такой схемы, в ней между вводным автоматом и УЗО принято устанавливать счётчик электрической энергии.
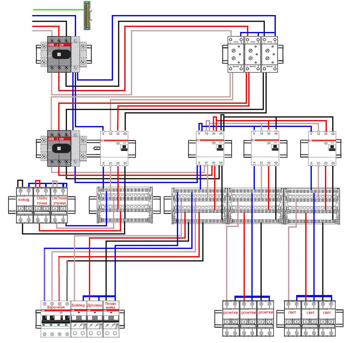
Подключение на входе и на отходящих линиях (в однофазной сети)
При таком варианте схемы установка УЗО производится после вводного автоматического выключателя и ещё на каждую отходящую линию.
О том, что такое селективность поговорим чуть ниже.
Например, произошла утечка тока на одной из отходящих линий. Должно сработать устройство, которое защищает именно эту группу.
Если по каким-то причинам УЗО не отработало, то через определённое время (это называется выдержкой времени) отключится общее УЗО на входе, оно как бы подстраховывает отходящее.
Несомненный плюс такой схемы в том, что в момент повреждения будет отключаться только аварийная линия, а во всей остальной квартире подача напряжения не прекратится.
Недостатки подобной схемы в больших габаритах распределительного щитка и в дороговизне (УЗО – вещь не дешёвая, а при таком варианте их понадобится несколько).
На видео сравнение нескольких схем подключения:
https://youtube.com/watch?v=EQs-iqz-kAE
Можно немного сэкономить и опустить в этой схеме однофазное УЗО на входе, то есть выполнить монтаж только групповых устройств на отходящих линиях. Многие электрики вообще считают вводное УЗО лишней тратой денег, потому что каждая линия уже имеет свою защиту. Но как мы говорили выше, оно является своеобразной подстраховкой, на случай если выйдет из строя групповое устройство. Поэтому здесь всё зависит от ваших финансовых возможностей. Есть деньги – монтируйте схему с УЗО на входе. Если так накладно, установите только отходящие устройства, это тоже будет замечательно. Многие люди совсем не ставят УЗО, предпочитая экономить средства на собственной безопасности.
Как подобрать УЗО по мощности
В отличие от автоматических выключателей, защищающих от перегрузок и коротких замыканий, устройства защитного отключения предназначены для защиты от утечек тока. Причиной является неисправная изоляция электроприборов или соприкосновение токоведущих частей с корпусом. В этих случаях происходит мгновенное отключение УЗО, обесточивание линии, защита потребителей от поражения током.
Для того чтобы выполнить расчет УЗО по мощности, необходимо знать общее количество потребителей, подключенных к данной линии. В том случае, когда решается вопрос, как подобрать УЗО и автомат по мощности, оба защитных устройства должны иметь соответствующие значения, обеспечивающие их нормальную работу. Если установка автоматических выключателей не предусмотрена проектом, в этом случае рассчитывается совокупная мощность, потребляемая электроприборами. Как правило, это значение в стандартной квартире многоэтажного дома не превышает 25А.
При установке УЗО в частных домах всех потребителей рекомендуется разделить на группы, подключаемые к отдельным линиям, протянутым к каждому этажу, хозяйственным постройкам, наружному освещению и т.д. Если УЗО обладает меньшей мощностью, чем имеющиеся потребители, оно будет постоянно отключаться из-за перегрузок. То есть устройство фактически не будет нормально работать и не сможет защитить линию. Частично решить эту проблему помогут розетки с вмонтированными в них УЗО, рассчитанные на потребление тока в 5А.
Пример с расчетом
Чтобы произвести расчет УЗО, определяют общую мощность электрической нагрузки.
Она подсчитывается по формуле:
Рсум = Р1 + Р2 + … + Рп, В
Рассчитываемое значение нагрузки:
I = P/U, А
Полученное значение округляется до большего из ряда для устройства – это и будет по величине утечки.
Для определения величины утечки поступают следующим образом.
Выбирается величина уставки в зависимости от эксплуатационных характеристик защищаемых объектов:
- Обычные помещения – 30 мА.
- Помещения с повышенными требованиями – 10 мА.
- Крупные промышленные объекты, линии протяженностью более 1 км – 100 мА.
Этот простой расчет позволит избежать многих неприятностей, которые не исключены, если при выборе были допущены ошибки.
Критерии выбора УЗО
При выборе УЗО внимание уделяется нескольким основным параметрам:
- тип расцепления. УЗО, которые устанавливаются в квартирах, обладают 2 типами расцепления – А и АС. Приборы с типом А ориентированы на переменный синусоидальный и постоянный пульсирующий ток, возникающий постепенно или увеличивающийся. Приборы АС создаются для переменного синусоидального тока утечки, появляющегося внезапно;
- число полюсов. Число полюсов в УЗО определяется напряжением в конкретной сети. Чем выше напряжение, тем больше полюсов должен поддерживать выключатель. Для сетей 220В используются двухполюсные модели, для сетей 330В четырех-полюсные;
- ток защиты. Под этим критерием понимается сила тока, пропускаемая УЗО при продолжительном функционировании. Этот показатель равняется или находится на уровень выше по сравнению с УЗО, который предохраняет ту же часть цепи;
- отключающий ток. Параметр указывает на ток утечки, которого достаточно для срабатывания выключателя. У данного критерия есть универсальное значение – 30 миллиампер. Оно предотвращает угрозу пожара и применяется на линиях с повышенной нагрузкой;
- время отключения. Критерий определяет период, который разделяет момент возникновения утечки и момент срабатывания УЗО. Согласно нормам, допустимый период реагирования составляет 0,3 сек. У лучших выключателей скорость отключения увеличена до 0,02 сек.;
- температурный режим. Стандартные УЗО ориентированы на работу при температуре от -3 до +35 градусов. Производители выпускают специальные морозоустойчивые модели, которые эксплуатируются при условиях до -20 градусов.
Видео — На что обратить внимание при покупке УЗО
При покупке УЗО учитывается тип помещения, в которую устанавливается прибор. Для комнат с большим количеством влаги требуются высокочувствительные устройства, которые реагируют на 10 миллиампер. Для остальных комнат подходят приборы на 30 миллиампер. Цена на устройства дифференциально отключения зависит от тока утечки и количества полюсов.
Номинальный и дифференциальный ток
В характеристиках этого устройства всегда будут указаны обозначения приблизительно такого типа: 25/10 мА, 40/30 мА, и т. п. Это — параметры номинального и дифференциального тока, при которых работает аппарат. Номинальный ток выражается в амперах (А), это — суммарная величина всех токов, которые могут проходить сквозь устройство в штатном режиме работы, неограниченно долго.

Приведем пример. Группа потребителей — розетки и освещение одной жилой комнаты— запитана от отдельного автомата на 16 А. Автомат по нормативу может выдерживать нагрузку в 1,13 от номинала неограниченно долго, а в 1,45 номинала — до 1 часа.
На защитные устройства этот норматив не распространяется, поэтому если в розетки будет включено несколько мощных потребителей, чей суммарный ток составит, допустим, 17 А в течение нескольких часов, то автомат не выключится, но УЗО может выйти из строя.
Дифференциальный ток, выражающийся в миллиамперах (тысячных долях ампера) — это и есть тот ток утечки, при котором ВДТ должен срабатывать. Для защиты человека от поражения электротоком используются приборы с границей по дифференциальному току в 10-30 мА. В качестве противопожарной защиты — УЗО с границей в 100 мА.
Шаг №3. Конструктивное исполнение
Существует электронное и электромеханическое УЗО. Отличить их можно по надписям на корпусе.
У электронного нарисована схема с поляризованным реле в виде буквы “А” в треугольничке.


У эл.механического такого обозначения нет.
Какое из них лучше? Эл.механическое УЗО считается более надежным, поэтому рекомендуется выбирать именно его.
тип АС
Защищает только от утечки в сетях переменного тока.
тип А
Обеспечивает защиту при утечке как на переменном, так и импульсном токе (современные телевизоры, блоки питания, компьютеры и т.п).
Требуются для щитовых с большим количеством УЗО (на гл.вводе и отходящих линиях), в так называемых каскадных схемах.
Они обеспечивают селективность при которой УЗО на гл.вводе срабатывает в самую последнюю очередь.
УЗО реагирует на переменный, пульсирующий, постоянный и сглаженный ток.
Самый распространенный — это тип АС. Однако в быту для обычных квартир рекомендуется использовать все же тип А.
В Европе в некоторых странах (например, Германия) тип АС даже официально запрещен действующими там правилами.
Комплексная защита от электрического тока
Электрический ток в современных домах – это верный и незаметный помощник, но и одновременно невидимая и смертельная угроза. Чтобы свести до минимума возможность поражения человека электротоком, разработаны и широко применяются различные устройства и механизмы.
Их задача – обеспечить немедленное прекращение подачи электроэнергии в квартиры и дома в случае нарушения электропроводки, поломки электроприборов, а также в момент возникновения короткого замыкания, способного вызвать возгорание и дальнейший пожар. Мы рассмотрим два устройства – УЗО и дифавтомат как наиболее распространенные сегодня средства защиты.
Расчет автоматических выключателей
Перед покупкой дифавтомата важно рассчитать его так, чтобы обеспечить своевременное срабатывание и защиту без сбоев электроприборов
Определение мощности автомата
Расчет автомата по мощности электроприемника выполняется, когда проводка по всей длине рассчитана на определенный тип нагрузки. Допустимый ток в этом случае будет больше номинальных показателей автомата.
Расчет номинальной мощности автомата
Чтобы не заниматься вычислениями, можно:
- Посмотреть документацию бытовой техники.
- Изучить информацию на задней панели.
- Воспользоваться таблицей со средними значениями мощности приборов.
| Тип электроприбора | Мощность потребления, Вт |
| Стиральная машинка | 2000-2500 |
| Пол с электроподогревом | 2000-2500 |
| Электроплита | 4500-8500 |
| Посудомоечная машина | 2000-2500 |
| Холодильник | 140-300 |
| Миксер | 250-400 |
| Фен | 400-1600 |
| Утюг | 900-1700 |
| Пылесос | 680-1400 |
| Вентилятор | 2500-4000 |
| Телевизор | 125-180 |
| Освещение | 20-100 |
Вычисление номинального тока
При вычислениях номинального тока ориентируются на сечение провода. Значение номинального тока автомата должно быть меньше максимального показателя, рассчитанного на данный кабель.
Автомат подбирается по минимальному сечению проводов. К примеру, для медного кабеля сечением 1,5 мм2 допустимый ток равняется 25 А. Автомат со значением 25 А приведет к перегреву проводки. Поэтому:
- Производится подсчет мощности нагрузок на дифференциальный автомат.
- Высчитывается мощность всех потребителей.
- Делается вычисление по формуле расчетного тока автомата I = P/U, где P- суммарная мощность всех потребителей электричества U – напряжение сети.
- Результат округляется.
Определение время-токовой характеристики
Для выражения время-токовой характеристики используются специальные графики. Кривая указывает реакцию автомата в условиях отключения тока. Зависимость времени срабатывания прибора от силы тока, проходящего через него, будет данным показателем.
Самыми распространенными характеристиками являются:
- B – от 3 до 5×In;
- C – от 5 до 10×In;
- D – от 10 до 20×In.
Буква означает ток срабатывания.
Номинал УЗО по рабочему току
То есть, УЗО не должно выгореть от перегрузки. Поэтому оно должно быть защищено автоматическим выключателем с номиналом, не более, а для некоторых брендов и менее, чем номинал УЗО. Чтобы соблюсти это правило, для установки выбирается УЗО с номиналом рабочего тока равным или большим, чем у автомата.
Как правило, производители УЗО указывают в паспорте, какой должен быть номинал автомата для работы в паре с УЗО. Так, АВВ, Legrand, Shnider Electric, Hager и Siemens указывают, что номинал автомата должен быть не больше
номинала УЗО. То же самое указывает TDM Electric и ИЭК.
Вместе с тем, DEKraft в паспортах на свои УЗО указывает о необходимости устанавливать УЗО только большего
номинала, чем автомат. EKF в своих видеоуроках также заявляет о необходимости установки УЗО большего номинала, чем автомат.
Для повышения надёжности электросети, особенно в тех случаях, когда защищаемые УЗО линии работают на пределе расчётной нагрузки и нередки случаи срабатывания автоматов по перегрузке, имеет смысл завысить минимально разрешённый номинал УЗО по рабочему току на одну ступень. Если УЗО защищает прибор с заранее известным током потребления, который не бывает выше номинала автомата, завышать номинал УЗО, наверное, не имеет смысла.
Также, УЗО должно соответствовать характеристикам сети по максимальному току короткого замыкания. Этот параметр УЗО называется «номинальный условный ток короткого замыкания». Это ток, который способно выдержать УЗО в течение времени, требующегося автоматическому выключателю для отключения при КЗ
Как правило, в домашней электросети этот, а также несколько других похожих параметров УЗО, не играет важной роли, поскольку такая сеть в большинстве случаев укладывается в них
Чем отличается УЗО от дифференциального автомата?
Самая распространенная, до недавнего времени, схема защиты электрических сетей была установка автоматических выключателей. Правила работы, которых основываются на отключении подачи электроэнергии при появлении короткого замыкания или при перегрузках, т.е. при превышении номинального тока. Работа данного автомата основана на двойном типе защиты, за основу приняты два типа разъединителей:
- Электромагнитный;
- Тепловой.
Электромагнитный разъединитель, разрывает цепь подачи электроэнергии потребителю
при появлении короткого замыкания. Основное действие происходит из-за мгновенного увеличения силы тока, которое приводит к появлению электромагнитного поля в катушке разъединителя. Сердечник соленоида начинает двигаться и размыкает цепь.
Тепловой разъединитель начинает работать при появлении перегрузки в сети. Основная деталь теплового разъединителя – биметаллическая пластина. При прохождении большого тока пластина нагревается, изгибается и разъединяет контакты. Для общего развития читайте: как выбрать дифавтомат.
Главным средством защиты человека от удара электрическим током является УЗО.
В быту часто возникают ситуации использования таких приборов как стиральная машина, микроволновая печь без заземления с неисправной изоляцией и без заземления. В старых домах такое понятие как заземление – отсутствует как класс, в этом случае на помощь к нам приходит УЗО.
Главное отличие УЗО от автоматического выключателя в том, что в конструкцию УЗО добавлен трансформатор тока, который выявляет наличие дифференциального тока. Дифференциальный ток равен току утечки при нарушении изоляции или при контакте человека с поврежденным проводом. Так же при появлении незначительного тока утечки начинается нагрев изоляции в месте повреждения, что может спровоцировать возгорание. Для этого и устанавливается УЗО, для защиты от поражения электрическим током и от повреждения проводки. УЗО не отключает приборы и оборудование от сети при перегрузках и коротком замыкании и устанавливается в паре с автоматическим выключателем. Т. е. если сказать обычным языком, УЗО является только индикатором повреждения изоляции электропроводки. Допустим, Вы включили в сеть все электроприборы, находящиеся в Вашем доме (электроплита, фен, микроволновая печь, пылесос и т.д.) УЗО не сработает и не выключит сеть при перегрузке.
Для обеспечения комплексной защиты от короткого замыкания, перегрузок и нарушения изоляции устанавливается дифференциальный автомат. Узо или дифференциальный автомат,что выбрать? Так вы сможете понять основные отличия. Прочитайте и о том, как выбрать УЗО.
Подключение УЗО в системе TN-C без защитного заземления
При отсутствии заземляющего проводника использование УЗО позволяет снизить опасность от удара электрического тока при коротком замыкании и пробое электротока на корпус бытового оборудования. При использовании УЗО без заземления происходит автоматическое отключение автомата при касании поврежденного участка цепи человеком, и при всех повреждениях электроцепи.
Рис №1. Схема подключения УЗО и автоматов без использования заземления
УЗО в отсутствии заземления обеспечивает защиту помещения от пожара, так как предохраняет от утечки тока металлические конструкции оборудования.
В использовании УЗО без заземления, есть необходимость в значительно большей мере, чем с использованием заземляющего проводника, так как при наличии заземляющего провода уже осуществляется защита человека, а при отсутствии «земли», УЗО компенсирует защиту человека.
Рис №2.
Принципиальная схема подключения УЗО в квартире без использования заземления
Для чего необходимо УЗО?
Практически в жизни каждого человека приходит то время, когда он начинает раздумывать над обеспечением должной своего жилья, здоровья и жизни. Но для того, чтобы защитить себя и собственное жилье нужно максимально сознательно подходить к решению данного вопроса
Надо уделить особое внимание электрической проводке в доме, потому что от нее во многом зависит безопасность. Надо очень тщательно подходить к выбору проводки
Нельзя в таком деле принимать поспешных решений
В настоящее время практически в каждой квартире и доме используется огромное количество разнообразных предметов бытовой электрической техники. Чем большим будет ее количество, тем более существенной будет нагрузка на электрический кабель.
Если не использовать специальные устройства защиты, существует вероятность возникновения неприятных проблем. Практически каждый материал способен с течением времени придти в негодность. Это же самое можно сказать и о наружной проводке, внутреннем проводе, который находится непосредственно в корпусе электрического прибора. С течением времени постепенно теряются изолирующие свойства. Поэтому могут появляться утечки электроэнергии, что в свою очередь выступает в качестве прямой угрозы для жизни человека
Важно избежать проблем такого типа. Для этого необходимо просто начать использовать специальные защитные устройства
Одним из основных устройств данного типа, которое в последнее время становится все более популярным, является УЗО, то есть устройство защитного отключения.





































